Обогреватели FRICO AD420W3 - инструкция пользователя по применению, эксплуатации и установке на русском языке. Мы надеемся, она поможет вам решить возникшие у вас вопросы при эксплуатации техники.
Если остались вопросы, задайте их в комментариях после инструкции.
"Загружаем инструкцию", означает, что нужно подождать пока файл загрузится и можно будет его читать онлайн. Некоторые инструкции очень большие и время их появления зависит от вашей скорости интернета.

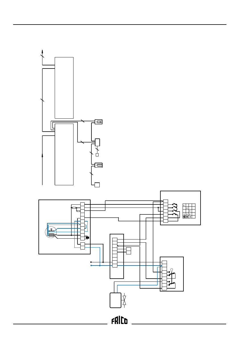
Thermozone AD300 W, AD400 W
6
Level 2
AD 300 W / AD 400 W
0
CB30N
1
23
4
5
6
7
SD20
T
VV20/25
L
2
1
5
3
4
6
7
N
c°
RT
I2
24
L
DC
DC
MDC
Door
cont
act
21
22
N
230V ~, Motor and contro
l
AD30
0/40
0W
CB30N
4+PE
4+PE
5+PE
AD3
00
/4
00
W
4+PE
2+PE
RT
I2
SD20
MDC
Door
cont
act
3+PE
2
2+PE
2
4
56
N
Brown
Blue
Orange
L
1
White
White
3
0
Tk
Tk
M ~
AD30
0W/AD40
0W
Blac k













