FRICO AD215W - Инструкция по эксплуатации - Страница 6

Обогреватели FRICO AD215W - инструкция пользователя по применению, эксплуатации и установке на русском языке. Мы надеемся, она поможет вам решить возникшие у вас вопросы при эксплуатации техники.

Если остались вопросы, задайте их в комментариях после инструкции.

"Загружаем инструкцию", означает, что нужно подождать пока файл загрузится и можно будет его читать онлайн. Некоторые инструкции очень большие и время их появления зависит от вашей скорости интернета.
Страница:
/ 65
Загружаем инструкцию
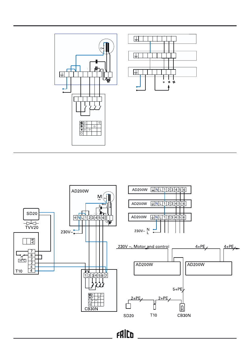
background image

Thermozone AD 200 W

  5

(L2)

230V~

M

1

2

3

Blue

Black

Brow

n

~

2

4 5 6

1

3

L1

N (L2)

230V~ L1

2 3 4 5 6

1

L

N

2 3 4 5 6

1

L

N

2 3 4 5 6

1

L

N

2 3 4 5 6

1

L

N

AD200W

AD200W

AD200W

AD200W

 CB30N

Level 1 

AD 200 W

Полезные видео

Характеристики

Оцените статью
tehnopanorama.ru
Остались вопросы?

Не нашли свой ответ в руководстве или возникли другие проблемы? Задайте свой вопрос в форме ниже с подробным описанием вашей ситуации, чтобы другие люди и специалисты смогли дать на него ответ. Если вы знаете как решить проблему другого человека, пожалуйста, подскажите ему :)

Задать вопрос

Часто задаваемые вопросы
Как посмотреть инструкцию к FRICO AD215W?
Необходимо подождать полной загрузки инструкции в сером окне на данной странице
Руководство на русском языке?
Все наши руководства представлены на русском языке или схематично, поэтому вы без труда сможете разобраться с вашей моделью
Как скопировать текст из PDF?
Чтобы скопировать текст со страницы инструкции воспользуйтесь вкладкой "HTML"