Обогреватели FRICO AD215E14 - инструкция пользователя по применению, эксплуатации и установке на русском языке. Мы надеемся, она поможет вам решить возникшие у вас вопросы при эксплуатации техники.
Если остались вопросы, задайте их в комментариях после инструкции.
"Загружаем инструкцию", означает, что нужно подождать пока файл загрузится и можно будет его читать онлайн. Некоторые инструкции очень большие и время их появления зависит от вашей скорости интернета.
Загружаем инструкцию

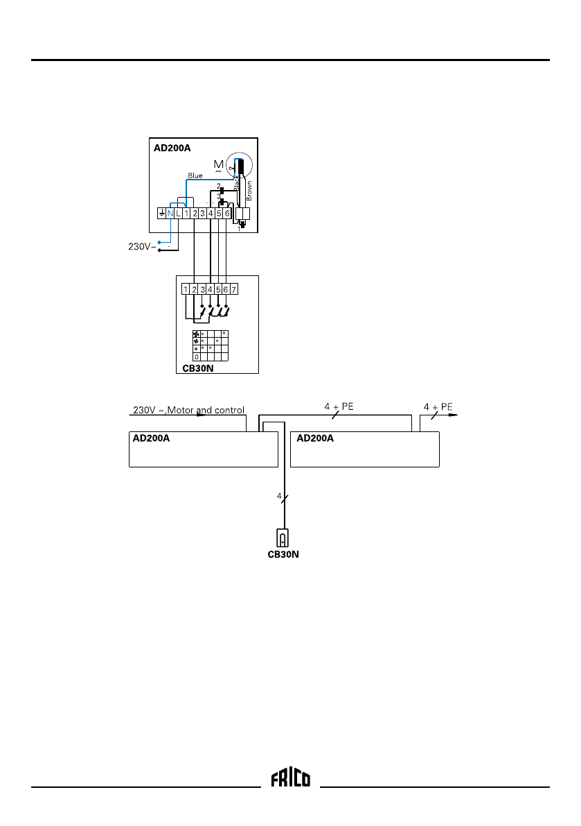
Thermozone AD 200 A/E
5
Level 1
AD 200 A
Содержание
- 35 Назначение и область применения; пониженное давление в помещении; Установка; Закрепите завесу на консолях и затяните гайки.; Альтернативный вариант подвески
- 36 Устранение неисправностей; Переустановите датчик перегрева, для чего:; Обслуживание; Отключите центральный выключатель
- 37 Технические параметры; Описание
- 38 RTI2, электронный 2х ступенчатый термостат; Пульт управления; ADPK1; Принадлежности; Please see English pages for other regulations.