Обогреватели FRICO AD215E14 - инструкция пользователя по применению, эксплуатации и установке на русском языке. Мы надеемся, она поможет вам решить возникшие у вас вопросы при эксплуатации техники.
Если остались вопросы, задайте их в комментариях после инструкции.
"Загружаем инструкцию", означает, что нужно подождать пока файл загрузится и можно будет его читать онлайн. Некоторые инструкции очень большие и время их появления зависит от вашей скорости интернета.

Thermozone AD 200 A/E
9
2 3 4 5 6
1
N
L
8
11
9
L3
L1 L2
kW
kW
M
Blue
Blac
k
Br
ow
n
~
400V3~
AD200E
L3
L1 L2
kW
400V3~
230V~
9
L
5
4
6 8
N
ADEAEB
50
20
31
51
30
40 41
86
80
83
87
82
8485
21
81
10
4
7
11
6
8 9
5
ADEAR
ADEAOS
MDCDC
ADEAIS
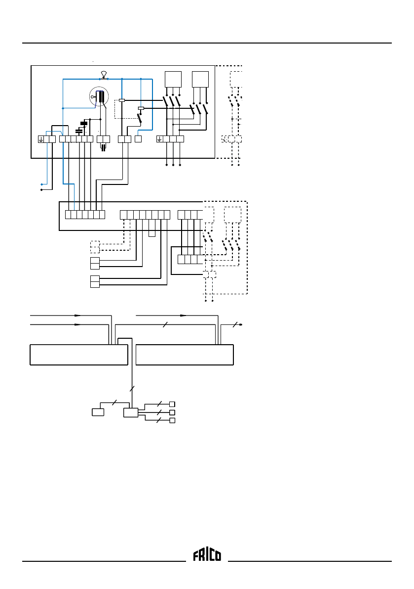
230V ~, Motor and control
AD210/215E
ADEAEB
7+PE
6+PE
AD210/215E
6+PE
ADEAR
8
2
2
2
ADEAOS
MDCDC
ADEAIS
400V 3~, Heat
400V 3~, Heat
400V 3~, Heat
400V 3~, Heat
L3
L1 L2
kW
kW
400V3~
AD220E
Level 3
AD 200 E
Содержание
- 35 Назначение и область применения; пониженное давление в помещении; Установка; Закрепите завесу на консолях и затяните гайки.; Альтернативный вариант подвески
- 36 Устранение неисправностей; Переустановите датчик перегрева, для чего:; Обслуживание; Отключите центральный выключатель
- 37 Технические параметры; Описание
- 38 RTI2, электронный 2х ступенчатый термостат; Пульт управления; ADPK1; Принадлежности; Please see English pages for other regulations.