Обогреватели FLOWAIR ELIS C-W-150 14496 - инструкция пользователя по применению, эксплуатации и установке на русском языке. Мы надеемся, она поможет вам решить возникшие у вас вопросы при эксплуатации техники.
Если остались вопросы, задайте их в комментариях после инструкции.
"Загружаем инструкцию", означает, что нужно подождать пока файл загрузится и можно будет его читать онлайн. Некоторые инструкции очень большие и время их появления зависит от вашей скорости интернета.

www.flowair.com
| 11
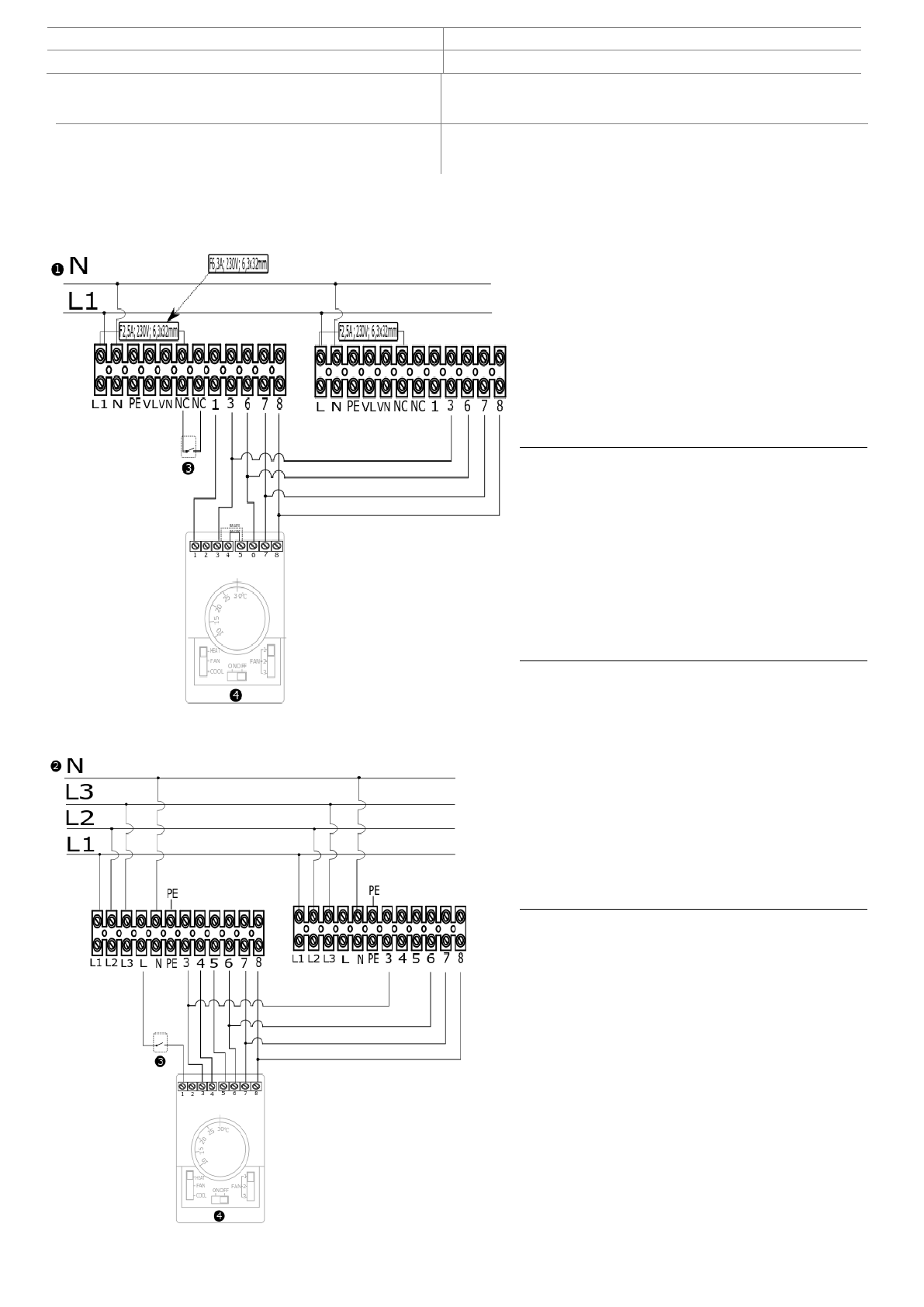
Single TS controller can run with up to 2 Elis C air curtains. Larger number
of Elis C-W air curtains need to be connected via RX splitter.
Możliwe jest podłączenie dwóch kurtyn do jednego regulatora TS. W przypadku
podłączenia większej ilości kurtyn C-W do jednego sterownika TS należy
wykorzystać rozdzielacz RX.
Een TS thermostaat kan maximaal 2 Elis C luchtgordijnen regelen. Een
groter aantal Elis C-W luchtgordijnen moet worden gekoppeld met behulp
van een RX splitter.
Можно подключить макс. 2 завесы к одному регулятору TS. Для того, чтобы
подключить больше завес к одному командоконтроллеру TS, следует
применить дополнительные распределители RX.
Power supply 230V/50Hz (OMY 3x1,omm
2
)
Power supply 3x400V/50Hz:
EliS C-E-100 (5x2,5 mm
2
) Overcurrent breaker B16
ELiS C-E-150 (5x2,5 mm
2
) Overcurrent breaker B20
ELiS C-E-200 (5x4,0 mm
2
) Overcurrent breaker B25
Door contact DCet/DCm (door closed
– opened contacts; door opened
– closed contats).
Use DC jumper between connectors NC; NC (Elis C-W) if door contact
not used (OMY 2x1,0 mm
2
)
Air curtain step switch with thermostat TS (OMY 5x1,0 mm
2
)
FAN AUTO
– Fan auto - fan operating depending on room thermostat
signal
FAN CONT- fan operating continuously (deactivated thermostat signal)
HEAT
– heating mode
FAN
–room thermostat deactivated
COOL
– cooling mode
In curtain connected with drivers, replace fuse on F6,3A
Zasilanie 230V/50Hz (OMY 3x1mm
2
)
– obie kurtyny należy zasilić z tej
samej fazy
Zasilanie 3x400V/50Hz:
ELiS C-E-100 (5x2,5 mm
2
); wyłącznik naprądowy B16
ELiS C-E-150 (5x2,5 mm
2
) ; wyłącznik naprądowy B20
ELiS C-E-200 (5x4,0 mm
2
) ; wyłącznik naprądowy B25
czujnik drzwiowy DCet/DCm (drzwi zamknięte – styki rozwarte; drzwi
otwarte
– styki zwarte). W przypadku braku czujnika drzwiowego należy
wykonać zworkę pomiędzy złączami NC i NC.
3-
stopniowy regulator obrotów z termostatem TS (OMY 5x1,0mm
2
).
FAN AUTO
– praca wentylatorów zależna od temp.
FAN CONT-
praca wentylatorów ciągła (niezależna od temp.)
HEAT
– funkcja grzania
FAN
– dla FAN CONT dezaktywacja pracy termostatu
COOL
– odwrócenie logiki pracy termostatu
W kurtynie do której podłączone są sterowniki należy wymienić
bezpiecznik na F10A
Stroomvoorziening: 230 V/50 Hz (3-aderig, 3 x 1,0 mm
2
)
Stroomvoorziening 3x400V/50Hz:
ELiS C-E-100 (5x2,5 mm
2
) Overspanningsbeveiliging B16
ELiS C-E-150 (5x2,5 mm
2
) Overspanningsbeveiliging B20
ELiS C-E-200 (5x4,0 mm
2
) Overspanningsbeveiliging B25
Deurschakelaar DCet/DCm (deur gesloten - schakelaar geopend; deur
geopend - schakelaar gesloten).
Plaats een DC jumper tussen de connectoren NC en NC als
de deurschakelaar niet in gebruik is (2-aderig, 2 x 1,0 mm
2
)
Luchtgordijn te bedienen met TS thermostaat 3-standenregeling (5-
aderig, 5 x 1,0 mm
2
)
FAN AUTO - ventilator auto - de werking van de ventilator wordt geregeld
door het signaal van de TS ruimtethermostaat
FAN CONT - ventilator is continu ingeschakeld (signaal van de
thermostaat gedeactiveerd)
HEAT - verwarmingsstand
FAN - ruimtethermostaat gedeactiveerd
COOL
– koelingsstand ( n.v.t. )
Vervang de zekering op F6,3A in een gordijn dat is verbonden met
stuurprogramma's
питание 230В/50Гц (OMY 3x1мм
2
)
– обеи завесы следует запитать
из одной фазы
питание 3x400В/50Гц
ELiS C-E-100 (5x2,5 mm
2
)
Предохранитель B16
ELiS C-E-150 (5x2,5 mm
2
) Предохранитель B20
ELiS C-E-200 (5x4,0 mm
2
) Предохранитель B25
Дверной датчик DCet/DCm (дверь закрыта – клеммы
открытые;дверь открыта – клеммы закрытые).
В случае отсутствия дверного датчика следует выполнить перемычку
между клеммами NC и NC.
переключатель скорости вращения завесы TS
(OMY 5x
0,5 мм
2
)
FAN AUTO
– работа вентилятора в зависимости от темп.
FAN CONT-
постоянная работа вентилятора (не зависит от темп.)
HEAT
– режим отопленя
FAN
– для FAN CONT - дезактивация термостата
COOL
– реверсивная логика работы термостата
В завесе, к которой подключен контроллер, необходимо заменить
предохранитель на F6,3A
6.2. ELECTRIC SCHEME
– CURTAIN CHAINING
6.2. STEROWANIE
– ŁĄCZENIE KURTYN
6.2. AANSLUITSCHEMA
– GORDIJNEN IN SERIE
6.2.
УПРАВЛЕНИЕ – СОЕДИНЕНИЕ АППАРАТОВ
C-W
Single TS controller can run with up to 2 Elis C air curtains. Larger number
of Elis C-W air curtains need to be connected via RX splitter.
Możliwe jest podłączenie dwóch kurtyn do jednego regulatora TS. W przypadku
podłączenia większej ilości kurtyn C-W do jednego sterownika TS należy
wykorzystać rozdzielacz RX.
Een TS thermostaat kan maximaal 2 Elis C luchtgordijnen regelen. Een
groter aantal Elis C-W luchtgordijnen moet worden gekoppeld met behulp
van een RX splitter.
Можно подключить макс. 2 завесы к одному регулятору TS. Для того, чтобы
подключить больше завес к одному командоконтроллеру TS, следует
применить дополнительные распределители RX.
C-
W
C-E







