Обогреватели Ballu BIH-AP4-2.0(-B) - инструкция пользователя по применению, эксплуатации и установке на русском языке. Мы надеемся, она поможет вам решить возникшие у вас вопросы при эксплуатации техники.
Если остались вопросы, задайте их в комментариях после инструкции.
"Загружаем инструкцию", означает, что нужно подождать пока файл загрузится и можно будет его читать онлайн. Некоторые инструкции очень большие и время их появления зависит от вашей скорости интернета.

14
Приложение
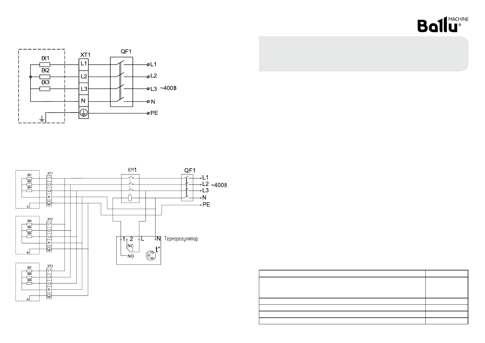
Схема электрическая принципиальная инфракрасных обогревателей BIH-АР4-3.0 при
подключении к электрической сети через автоматический выключатель.
Схема электрическая принципиальная инфракрасных обогревателей BIH-AP4-3.0 при групповом
подключении к электрической сети.
EK1, ЕК2 - нагревательный элемент;
XT1 - клеммная колодка;
QF1 - выключатель автоматический.
EK1 - EK9 - нагревательные элементы;
XT1 - XT3 - клеммные колодки;
КМ1 - пускатель магнитный;
QF1 - выключатель автоматический.
ГАРАНТИЙНЫЙ ТАЛОН
Настоящий документ не ограничивает определенные законом права потребителей,
но дополняет и уточняет оговоренные законом обязательства,
предполагающие соглашение сторон либо договор
ТИП
Срок службы
Сплит-системы, мобильные кондиционеры, осушители, электрические обогреватели
(конвекторы), масляные радиаторы, тепловентиляторы, водонагреватели (серии BWH/S
Nexus (H), BWH/S Nexus titanium edition (H), BWH/S Omnium O (U), BWH/S Smart WIFI, BWH/S
Smart WIFI TE), инфракрасные обогреватели для встройки в подвесные потолки (серия BIH-S)
10 (десять) лет
Водонагреватели (серия BWH/S Space, BWH/S MAXI, BWH/S Trust)
8 (восемь) лет
Электрические инфракрасные обогреватели, электрические тепловые пушки, завесы
7 (семь) лет
Мультикомплекс приточно-очистительный Ballu Air Master
5 (пять) лет
Остальные изделия
5 (пять) лет
Поздравляем вас с приобретением техники отлич-
ного качества!
Внимательно ознакомьтесь с гарантийным талоном и
проследите, чтобы он был правильно заполнен и имел
штамп Продавца. При отсутствии штампа и даты прода-
жи (либо кассового чека с датой продажи) гарантийный
срок изделия исчисляется со дня его изготовления.
Тщательно проверьте внешний вид изделия и его
комплектность, все претензии по внешнему виду и ком-
плектности изделия предъявляйте Продавцу при по-
купке изделия. Гарантийное обслуживание купленного
Вами прибора осуществляется через Продавца, специ-
ализированные сервисные центры или монтажную орга-
низацию, проводившую установку прибора (если изде-
лие нуждается в специальной установке, подключении
или сборке).
По всем вопросам, связанным с техобслуживанием
изделия, обращайтесь в специализированные сер-
висные центры. Подробная информация о сервисных
центрах, уполномоченных осуществлять ремонт и тех-
ническое обслуживание изделия, находится на сайте
www.ballu.ru.
Дополнительную информацию вы можете получить у
Продавца или по нашей информационной линии в Мо-
скве:
Тел.: 8 (800) 500-07-75
По России звонок бесплатный
Email:
service@ballu.ru
Адрес для писем:
125493, г. Москва, а/я 310
Адрес в Интернет:
www.ballu.ru
В случае неисправности прибора по вине изготовителя
обязательство по устранению неисправности ложится
на уполномоченную изготовителем организацию. В дан-
ном случае покупатель в праве обратиться к Продавцу.
Ответственность за неисправность прибора по вине ор-
ганизации, проводившей установку (монтаж) прибора,
ложится на монтажную организацию. В данном случае
необходимо обратиться к организации, проводившей
установку (монтаж) прибора.
Для установки (подключения) изделия (если изделие
нуждается в специальной установке, подключении или
сборке) рекомендуем обращаться в специализированные
сервисные центры. вы можете воспользоваться услугами
квалифицированных специалистов, однако Продавец,
Уполномоченная изготовителем организация, Импортер,
Изготовитель не несут ответственности за недостатки из-
делия, возникшие из-за его неправильной установки (под-
ключения).
В конструкцию, комплектацию или технологию изго-
товления изделия, с целью улучшения его технических
характеристик, могут быть внесены изменения. Такие
изменения вносятся в изделие без предварительного
уведомления Покупателя и не влекут обязательств по
изменению/улучшению ранее выпущенных изделий.
Убедительно просим вас во избежание недоразумений
до установки/эксплуатации изделия внимательно из-
учить его инструкцию по эксплуатации. Запрещается
вносить в Гарантийный талон какие-либо изменения, а
также стирать или переписывать какие-либо указанные
в нем данные. Настоящая гарантия имеет силу, если Га-
рантийный талон правильно/четко заполнен и в нем
указаны: наименование и модель изделия, его серийные
номера, дата продажи, а также имеется подпись уполно-
моченного лица и штамп Продавца.
Характеристики
Остались вопросы?Не нашли свой ответ в руководстве или возникли другие проблемы? Задайте свой вопрос в форме ниже с подробным описанием вашей ситуации, чтобы другие люди и специалисты смогли дать на него ответ. Если вы знаете как решить проблему другого человека, пожалуйста, подскажите ему :)