Мойки высокого давления с ДВС IPC Portotecnica BENZ -C L DL 2217 Pi /BENZ LS 3160/ 40358 IDAF - инструкция пользователя по применению, эксплуатации и установке на русском языке. Мы надеемся, она поможет вам решить возникшие у вас вопросы при эксплуатации техники.
Если остались вопросы, задайте их в комментариях после инструкции.
"Загружаем инструкцию", означает, что нужно подождать пока файл загрузится и можно будет его читать онлайн. Некоторые инструкции очень большие и время их появления зависит от вашей скорости интернета.

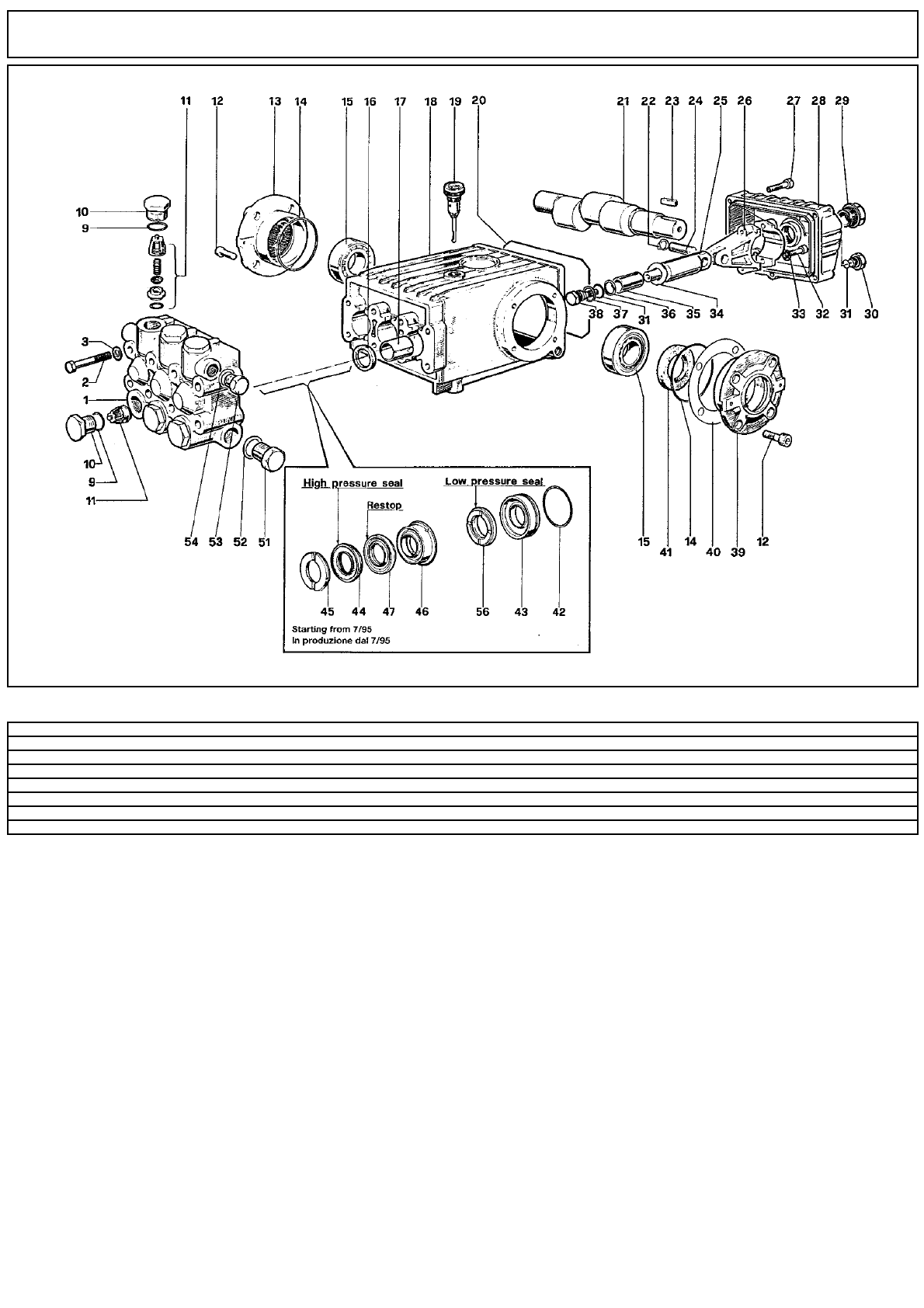
Tаблица: НАСОС
Порядковый Hомер: 1
Дата: 05/02/2015
Bыбранная Запчасть: IDAF40358
Cтраница: 4
C-ка N. з/ч.
N. з/ч. Клиента
Oписание
Cсылка
Цена
KTRI14900
КОМПЛЕКТ 15- 3
0041
--
KTRI14901
КОМПЛЕКТ 10
0042 0043
--
KTRI17793
КОМПЛЕКТ 6
0031 0034 0036 0037 0038
--
KTRI17795
КОМПЛЕКТ 4
0009 0010
--
KTRI17859
КОМПЛЕКТ 1
0011
--
KTRI17860
КОМПЛЕКТ 2
0016
--
KTRI18574
КОМПЛЕКТ 7
0045
--
KTRI18579
КОМПЛЕКТ 28
0042 0043 0044 0045 0046 0047 0056
--
Характеристики
Остались вопросы?Не нашли свой ответ в руководстве или возникли другие проблемы? Задайте свой вопрос в форме ниже с подробным описанием вашей ситуации, чтобы другие люди и специалисты смогли дать на него ответ. Если вы знаете как решить проблему другого человека, пожалуйста, подскажите ему :)













