Мойки высокого давления с ДВС IPC Portotecnica BENZ -C L DL 2217 Pi /BENZ LS 3160/ 40358 IDAF - инструкция пользователя по применению, эксплуатации и установке на русском языке. Мы надеемся, она поможет вам решить возникшие у вас вопросы при эксплуатации техники.
Если остались вопросы, задайте их в комментариях после инструкции.
"Загружаем инструкцию", означает, что нужно подождать пока файл загрузится и можно будет его читать онлайн. Некоторые инструкции очень большие и время их появления зависит от вашей скорости интернета.

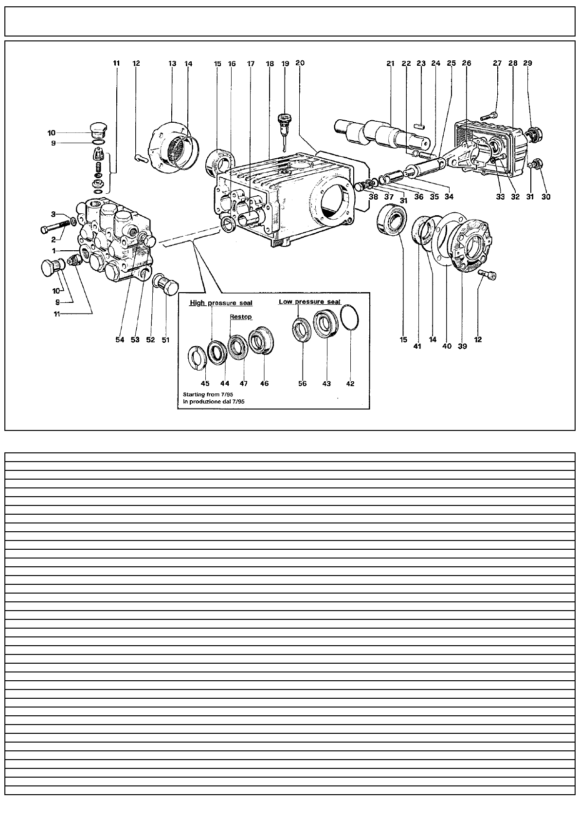
Tаблица: НАСОС
Порядковый Hомер: 1
Дата: 05/02/2015
Bыбранная Запчасть: IDAF40358
Cтраница: 2
C-ка K N. з/ч.
N. з/ч. Клиента
Oписание
Кол-во
Действителен:
C По
Цена
0001
MFVR01097
ГОЛОВКА W 151
1,00
--
0002
VTVT01111
ВИНТ TE M 8X70 UNI 5737 A.10.9
8,00
--
0003
VTRS01072
ШАЙБА D. 8 TC
8,00
--
0009
S
GUGO01033
ПРОКЛАДКА D. 20.24 X 2.62 NBR 90SH
6,00
--
0010
S
RCDS01087
ПРОБКА M24X2X16 OTT
6,00
--
0011
S
VVAM01104
КЛАПАН В СБОРЕ W 70-151
6,00
--
0012
VTVT01118
ВИНТ TCEI M 8X16 ZC. UNI 5931
8,00
--
0013
MFVR03576
ЗАЩИТА КАРТЕРА W151
1,00
--
0014
GUGO01041
ПРОКЛАДКА D. 67.95 X 2.62 NBR 70SH
2,00
--
0015
CUVR09205
РОЛИКОВЫЙ ПОДШИПНИК 32206 A
2,00
--
0016
S
GUGO01000
ПРОКЛАДКА 22X 32X 5 NBR70
3,00
--
0017
PVVR01011
ВТУЛКА W 151
3,00
--
0018
MFVR01013
НАСОС КАРТЕРА W 151
1,00
--
0019
PVVR01092
КРЫШКА СО СТЕРЖНЕМ ЗАМЕРА УРОВНЯ МАСЛА W 151
1,00
--
0020
GUGO34590
ПРОКЛАДКА D. 133.02 X 2.62 NBR 70SH
1,00
--
0021
ALMO41530
ВАЛ TS 1511 USA
1,00
--
0022
VTAE14016
СТЯЖКА D. 12 UNI 7435
6,00
--
0023
VTVR41531
ЛИЧИНКА 8X 7X35 UNI 6604A
1,00
--
0024
PVVR01085
ПАЛЕЦ D.13X35 W151
3,00
--
0025
PVVR01029
НАПРАВЛЯЮЩАЯ ПОРШНЯ W 151
3,00
--
0026
BLVR01009
ПОРШНЕВОЙ ПАЛЕЦ W 151
3,00
--
0027
VTVT01116
ВИНТ TCEI 6X30 UNI5931
5,00
--
0028
MFVR03582
ЗАЩИТА КАРТЕРА W 151 POS
1,00
--
0029
PVVR01083
ИНДИКАТОР УРОВНЯ МАСЛА G 3/4 W70-151
1,00
--
0030
RCDS01088
ПРОБКА 1/4X 9 M WW90
1,00
--
0031
S
GUGO01036
ПРОКЛАДКА D. 10.82 X 1.78 NBR 70SH
4,00
--
0032
VTVT01120
ВИНТ TCEI 8X35 UNI5931
6,00
--
0033
VTRS14242
ШАЙБА D. 8.4X13X0.8 UNI7064 SCH
6,00
--
0034
S
VTRS01753
ШАЙБА D.14X28 X0,5
3,00
--
0035
PIVR01066
ПОРШЕНЬ D.20X50 W 151
3,00
--
0036
S
GUVR00994
ЗАПОРНОЕ КОЛЬЦО W151
3,00
--
0037
S
VTRS01076
ШАЙБА D.14X18,5X0,5
3,00
--
0038
S
PVVR01107
БОЛТ КРЕПЛЕНИЯ ПОРШНЯ IP W151
3,00
--
0039
MFVR03583
ЗАЩИТА КАРТЕРА W151
1,00
--
0040
PVVR01016
УПЛОТНЕНИЕ 0,1 W 151
2,00
--
0041
S
GUGO01003
ПРОКЛАДКА 30X 55X 7 NBR70
1,00
--
0042
S
GUGO01042
ПРОКЛАДКА D. 34.6 X 1.78 NBR 70SH
3,00
--
0043
S
PVVR00977
УТОПЛЕННЫЙ САЛЬНИК W151
3,00
--
0044
S
GUVR00981
УПЛОТНИТЕЛЬНОЕ КОЛЬЦО W151
3,00
--
Характеристики
Остались вопросы?Не нашли свой ответ в руководстве или возникли другие проблемы? Задайте свой вопрос в форме ниже с подробным описанием вашей ситуации, чтобы другие люди и специалисты смогли дать на него ответ. Если вы знаете как решить проблему другого человека, пожалуйста, подскажите ему :)













