Мойки высокого давления с ДВС IPC Portotecnica BENZ -C L DL 2217 Pi /BENZ LS 3160/ 40358 IDAF - инструкция пользователя по применению, эксплуатации и установке на русском языке. Мы надеемся, она поможет вам решить возникшие у вас вопросы при эксплуатации техники.
Если остались вопросы, задайте их в комментариях после инструкции.
"Загружаем инструкцию", означает, что нужно подождать пока файл загрузится и можно будет его читать онлайн. Некоторые инструкции очень большие и время их появления зависит от вашей скорости интернета.

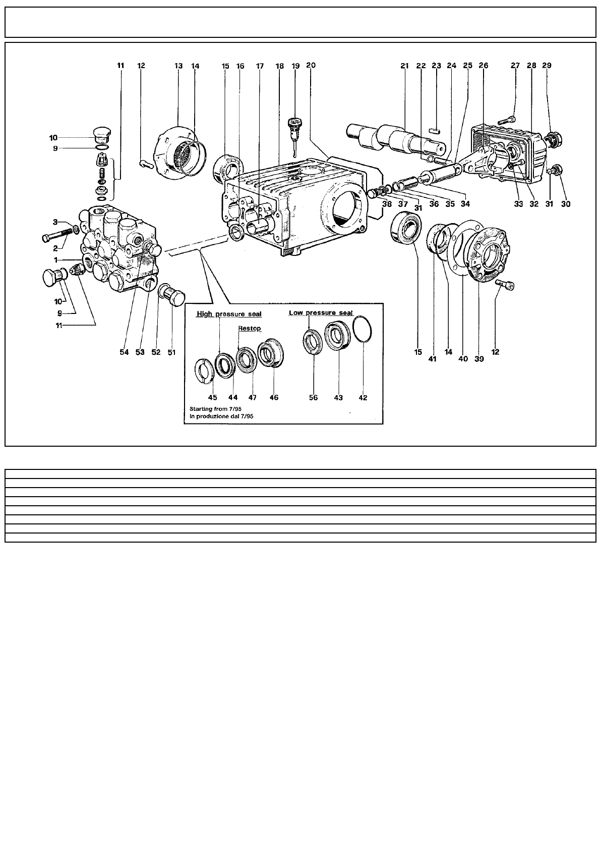
Tаблица: НАСОС
Порядковый Hомер: 1
Дата: 05/02/2015
Bыбранная Запчасть: IDAF40358
Cтраница: 3
C-ка K N. з/ч.
N. з/ч. Клиента
Oписание
Кол-во
Действителен:
C По
Цена
0045
S
PVVR00985
КОЛЬЦЕВАЯ ГОЛОВКА W151
3,00
--
0046
S
PVVR34589
САЛЬНИК W 151 D. 20
3,00
--
0047
S
GUVR34587
УПЛОТНИТЕЛЬНОЕ КОЛЬЦО D. 20 RESTOP
3,00
--
0051
RCDS01091
ПРОБКА 1/2X10 M
1,00
--
0052
VTRS01075
ШАЙБА D.21,5X27 ALL
1,00
--
0053
RCDS01090
ПРОБКА 3/8X13 M WW90
1,00
--
0054
VTRS01074
ШАЙБА D.17,05X22,3 X1,5
1,00
--
0056
S
GUVR34585
УПЛОТНИТЕЛЬНОЕ КОЛЬЦО W 151 L.P.
3,00
--
Характеристики
Остались вопросы?Не нашли свой ответ в руководстве или возникли другие проблемы? Задайте свой вопрос в форме ниже с подробным описанием вашей ситуации, чтобы другие люди и специалисты смогли дать на него ответ. Если вы знаете как решить проблему другого человека, пожалуйста, подскажите ему :)













