Страница 2 - Система; CISQ
© MOSA 1.2-05/03 М 01 Система качества GE_, MS_, TS_, EAS_ Стандарт UNI EN ISO 9001 : 2000 Сертификат № 0192/3 согласно стандарту ИСО 9001:2000 В 1994 году фирма «MOSA» впервые добилась сертификации собственной Системы Качества согласно итальянскому , европейскому и международному стандарту UNI EN I...
Страница 3 - Содержание
MOSA 1.0-05/04 м 1 Содержание GE_, MS_, TS_, EAS_ М 01 СИСТЕМА КАЧЕСТВА М 1.01 АВТОРСКИЕ ПРАВА М 1.1 ПРИМЕЧАНИЯ М 1.4 МАРКИРОВКА ЗНАКОМ « СЕ » М 2 ПРЕДУПРЕЖДЕНИЯ М 2.1 УСЛОВНЫЕ ОБОЗНАЧЕНИЯ И ПРЕДОСТЕРЕЖЕНИЯ ПО ТЕХНИКЕ БЕЗОПАСНОСТИ М 2.3 СПИСОК СОКРАЩЕНИЙ М 2.4 СИМВОЛЫ М 2.5 МЕРЫ ТЕХНИКИ БЕЗОПАСНОСТИ...
Страница 4 - Авторские; ВНИМАНИЕ; «MOSA»
© MOSA 1.0-10/02 М 1.01 Авторские права GE_, М S_, TS_, ЕА S_ ВНИМАНИЕ Настоящее Руководство по эксплуатации и техническому обслуживанию является неотъемлемой составной частью оборудования , для которого оно предназначено . Персонал , осуществляющий уход за агрегатом , его техническое обслуживание и...
Страница 5 - Предупреждение
MOSA 1.0-05/00 М 1.1 Примечания GE_, М S_, TS_, ЕА S_ Введение Уважаемый Клиент , хотим поблагодарить Вас за внимание в связи с приобретением Вами агрегата , изготовленного фирмой «MOSA» с гарантией высокого качества . Отделы нашей фирмы , занимающиеся послепродажным сервисным обслуживанием оборудов...
Страница 6 - ПРИМЕЧАНИЯ; TS; Europea –
MOSA 1.2-06/03 ПРИМЕЧАНИЯ GE_, М S_, TS_, ЕА S_ М 1.4 Тел .: 02 – 90352.1 Факс : 02 – 90390466 e-mail: inf o@mosa.it www.mosa.it Подразделение компании «B.C.S. S.p.A.» V.le Europa, 59 - 20090 CUSAGO (MI) Italia Сертификат № 0192/3 согласно стандарту ИСО 9001:2000 ДЕКЛАРАЦИЯ СООТВЕТСТВИЯ Фирма «MOSA»...
Страница 9 - СПИСОК
© MOSA 1.0-06/00 СПИСОК АББРЕВИАТУР GE_, М S_, TS_ М 2-3 0 C: температура в градусах Цельсия 10: 10 кВА синхронный ( текстовый пример ) 10000: 10 кВА асинхронный ( текстовый пример ) А : Ампер А : машина ADIM atm: давление B: бензин BAT: аккумуляторная батарея BC: базовый ток C.A.(c.a.): переменный ...
Страница 10 - СИМВОЛЫ; УСЛОВНЫЕ
© MOSA 1.2-10/05 СИМВОЛЫ GE_, М S_, TS_ М 2-4 УСЛОВНЫЕ ОБОЗНАЧЕНИЯ И ТЕКУЩИЕ ОПРЕДЕЛЕНИЯ Соответствие норматива м ЕС Соответствие норматива м ЕС по шу моизо ляции Соответствие нормативу EN 60974-1 Трёхфазный 3 ~ Однофазный 3~ Руководство для по льзователя Информация Различные новости ДВИГАТЕЛЬ Бензи...
Страница 11 - Меры; ОСТОРОЖНО
© MOSA 1.0-06/00 Меры техники безопасности ( перед использованием ) GE_, М S_, TS_ М 2-5 Процедура установки и меры техники безопасности были разработаны для обеспечения правильной работы оборудования в точке его эксплуатации в качестве электрогенератора и / или сварочного аппарата . При заправке от...
Страница 13 - закрепить
MOSA 1.0-06/00 М 2.6 ПРАВИЛА БЕЗОПАСНОСТИ ПРИ ВЫПОЛНЕНИИ МОНТАЖА GE_, М S_, TS_ ПРЕДУПРЕЖДЕНИЯ ОТНОСИТЕЛЬНО МОНТАЖА ПЕРЕД НАЧАЛОМ ЭКСПЛУАТАЦИИ АГРЕГАТА n Агрегат следует эксплуатировать на открытом хорошо проветриваемом месте либо отводить отработавшие газы , в которых содержится смертельно опасная ...
Страница 15 - УПАКОВКА; ПРИМЕЧАНИЕ
MOSA 1.1-02/04 М 3 УПАКОВКА И ТРАНСПОРТИРОВКА GE_, М S_, TS_ ПРИМЕЧАНИЕ + Убедитесь , что подъёмные средства : надёжно закреплены , их грузоподъёмность соответствует весу оборудования , средства соответствуют действующим нормам . При получении оборудования убедитесь , что оно не пострадало при транс...
Страница 16 - Транспортировка; ОПАСНО
© MOSA 1.1-04/05 Транспортировка и перемещение оборудования GE_, М S_, TS_ М 4 ВНИМАНИЕ При транспортировке или перемещении оборудования неукоснительно следуйте приведённым ниже на рисунках инструкциям . Перед транспортировкой удалите горючее из бачка . НЕ ЗАГРУЖАЙТЕ ДРУГИЕ ПРЕДМЕТЫ , КОТОРЫЕ МОГУТ ...
Страница 18 - МОНТАЖ; CTL
© MOSA 1.0-06/00 МОНТАЖ CTM 300 CTL300 М 6.4 ВНИМАНИЕ Транспортировочный комплект CTL нельзя снять и использовать отдельно для транспортировки грузов или других целей , кроме перемещения настоящего оборудования . Агрегат может быть установлен на приспособление CTL ( прицеп для медленного буксировани...
Страница 19 - Mosa
© MOSA 1.1-09/05 ПОДГОТОВКА К РАБОТЕ TS_,GE_ Воздушное охлаждение М 20 Аккумулятор Аккумулятор герметичен . Не открывайте аккумулятор . Проверьте состояние аккумулятора и цвет индикатора в передней части . − Зелёный : аккумулятор в порядке . − Чёрный : аккумулятор необходимо зарядить . − Белый : акк...
Страница 20 - MIN
© MOSA 1.0-10/00 ЗАПУСК ДВИГАТЕЛЯ ( ДИЗЕЛЬНЫЕ ДВИГАТЕЛИ ) GE_, М S_, TS_ М 21 ВНИМАНИЕ Не изменяйте первичные условия регулировки двигателя и не трогайте опечатанные узлы . ДВИГАТЕЛЬ С ЭЛЕКТРИЧЕСКИМ СТАРТЕРОМ Проверьте положение рукоятки привода акселератора (16), должна быть в позиции MIN. Проверьт...
Страница 21 - “preheating glow plugs” («
© MOSA 1.0-0.6/99 ЗАПУСК ДВИГАТЕЛЯ ( ДИЗЕЛЬНЫЕ ДВИГАТЕЛИ ) GE_, М S_, TS_ М 21.1 ДВИГАТЕЛЬ СО СВЕЧАМИ ПРЕДПУСКОВОГО ПОДОГРЕВА Поверните ключ стартёра (Q1) в положение “preheating glow plugs” (« предпусковой подогрев свечей ») ( загорится световой индикатор нагрева свечей I4); когда индикатор погасне...
Страница 22 - обязательно; МАШИНА
© MOSA 1.0-10/00 ОСТАНОВКА ДВИГАТЕЛЯ ( ДИЗЕЛЬНЫЕ ДВИГАТЕЛИ ) GE_, М S_, TS_ М 22 + Прежде чем выключить двигатель , следует обязательно : - Прекратить подачу вспомогательного напряжения переменного тока , отключив нагрузку и отсоединить штепсельные вилки - Прекратить сварку и отсоединить сварочные к...
Страница 23 - Обозначения
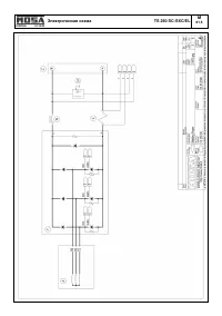
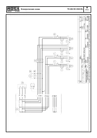
© MOSA 1.0-05/01 Обозначения панели управления GE_, MS_, TS_ М 30 Поз . Описание Поз . Описание 4 А Индикатор уровня гидравлического масла В 4 Индикатор отключения PTO HI 9 Розетка сварки (+) В 5 Кнопка включения вспомогательной генерации 10 Розетка сварки (-) С 2 Индикатор уровня топлива 12 Розетка...
Страница 27 - «ON»; «OFF»; TIG; «ARC; «Arc Force»
© MOSA 1.0-10/99 Эксплуатация в качестве сварочного аппарата TS М 34.1 АГРЕГАТЫ С ПОНИЖАЮЩИМ ПЕРЕКЛЮЧЕНИЕМ ШКАЛЫ Для небольших электродов ( диам .3,25-130 А и 4- 200 А ) рекомендуется использовать понижающий переключатель шкалы (I3), который позволяет более точно регулировать сварочный ток ( положен...
Страница 29 - TS ... PL; “generation possibility” («; необходимо; GFI –; НЕ
© MOSA 1.0-06/99 Применение в качестве генератора GE_, MS_, TS_ М 37.1 МОДИФИКАЦИЯ TS … PL Запустите машину и дождитесь конца периода предпускового нагрева , который контролируют защитные устройства двигателя EP1, EP2, EP5. - См . стр . М 39 … - Нажмите кнопку “generation possibility” (« возможности...
Страница 31 - Использование; ВСТАВЬТЕ
© MOSA 1.0-04/04 Использование принадлежностей PAR 600 М 38 Устройство позволяет суммировать ток двух позиций сварки или двух сварочных машин . Подсоедините каждый из входов «+» и «-» PAR 600 к каждой позиции сварки и снимайте , согласно применению , общий ток с гнёзд выхода «+» и «-». Полностью вст...
Страница 32 - ЗАЩИТА; Защита; ES
© MOSA 1.1-04/03 Использование принадлежностей ЗАЩИТА ДВИГАТЕЛЯ ES-EV М 39.4 Защита двигателя ES-EV Устройства ES и EV обеспечивают защиту двигателя в случае низкого давления масла и высокой температуры . Защитная система состоит из электроплаты управления и устройства , останавливающего двигатель :...
Страница 33 - Поиск
MOSA 1.0-04/04 М 40.1 Поиск неисправностей TS ПРОБЛЕМА ВОЗМОЖНАЯ ПРИЧИНА ДЕЙСТВИЯ ПО УСТРАНЕНИЮ 1) Неисправен диодный мостик 1) Проверьте диоды в составе мостика 2) Неисправна плата регулировки сварочного тока 2) Переключатель пульта дистанционного управления находится в положении местного управлени...
Страница 36 - УТИЛИЗАЦИЯ; Примечание
© MOSA 1.0-06/00 УТИЛИЗАЦИЯ GE_, М S_, TS_ М 46 + Все работы должен проводить только квалифицированный персонал . Под утилизацией понимается комплекс мероприятий , проводимых пользователем , когда эксплуатация оборудования подходит к концу . Эти мероприятия включают демонтаж оборудования , разборку ...
Страница 37 - Технические; Ruggerini; rx
© MOSA 1.0-12/97 M 51 Технические данные TS 250 SC Сварочный агрегат TS 250 SC с приводом от двигателя внутреннего сгорания может выполнять функции : а ) источника сварочного тока ; б ) вспомогательного генератора переменного тока . Машина предназначена для профессионального и промышленного использо...
Страница 38 - СВАРКА
© MOSA 1.1-12/05 Технические данные TS 250 SC M 52 СВАРКА Максимальный постоянный сварочный ток 250 А / 60% - 200 А / 100% Электронное регулирование сварочного тока 20 – 250 А Регулирование сварочной дуги 0-9* Напряжение холостого хода 70 В Напряжение дуги 20 – 32 В Диаметр электродов 2 – 6 мм ВЫХОД...
Страница 40 - Описание
© MOSA 1.0-10/03 РЕКОМЕНДУЕМЫЕ ЭЛЕКТРОДЫ ( В СООТВЕТСТВИЕ СО СТАНДАРТАМИ AWS) MS_, TS_ М 55 Следует иметь в виду , что все приводимые ниже указания носят чисто ориентировочный характер , поскольку в названном выше стандарте содержатся сведения , гораздо более обширные и полезные для выбора электродо...
Страница 48 - “MOSA»
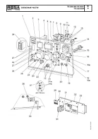
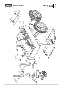
© MOSA 1.0-01/04 R 1 Запасные части , общие сведения Фирма “MOSA» в состоянии удовлетворить любые запросы клиентов на поставку запасных частей . При желании содержать машину в постоянной готовности к работе ее в отдельных случаях приходится ремонтировать . Если такой ремонт связан с необходимостью з...
Страница 62 - НОВЫЕ
© MOSA 1.0-03/04 R 1.1 БЛАНК ДЛЯ ОФОРМЛЕНИЯ ЗАКАЗА НА ЗАПАСНЫЕ ЧАСТИ Уважаемый клиент , Вы можете направить нам запрос об оформлении заказа на поставку оригинальных запасных частей , выпускаемых фирмой «MOSA». Для этого Вам нужно заполнить предлагаемый бланк . При указании позиций требуемых частей и...
Страница 63 - Эконика
СВАРОЧНЫЕ АГРЕГАТЫ ЭЛЕКТРОГЕНЕРАТОРЫ Подразделение компании «BCS S.p.A.» Завод : Viale Europa, 59 20090 CUSAGO (MI) Italia Тел : +39 - 0290352.1 Факс : +39 – 0290390466 Internet: www.mosa.it E-mail: info@mosa.it Сертификат № 0192 согласно стандарту ИСО 9001:2000 Официальный дистрибьютер в России : «...