Материнские платы GIGABYTE GA P67A UD7 rev 1 0 - инструкция пользователя по применению, эксплуатации и установке на русском языке. Мы надеемся, она поможет вам решить возникшие у вас вопросы при эксплуатации техники.
Если остались вопросы, задайте их в комментариях после инструкции.
"Загружаем инструкцию", означает, что нужно подождать пока файл загрузится и можно будет его читать онлайн. Некоторые инструкции очень большие и время их появления зависит от вашей скорости интернета.

- 8 -
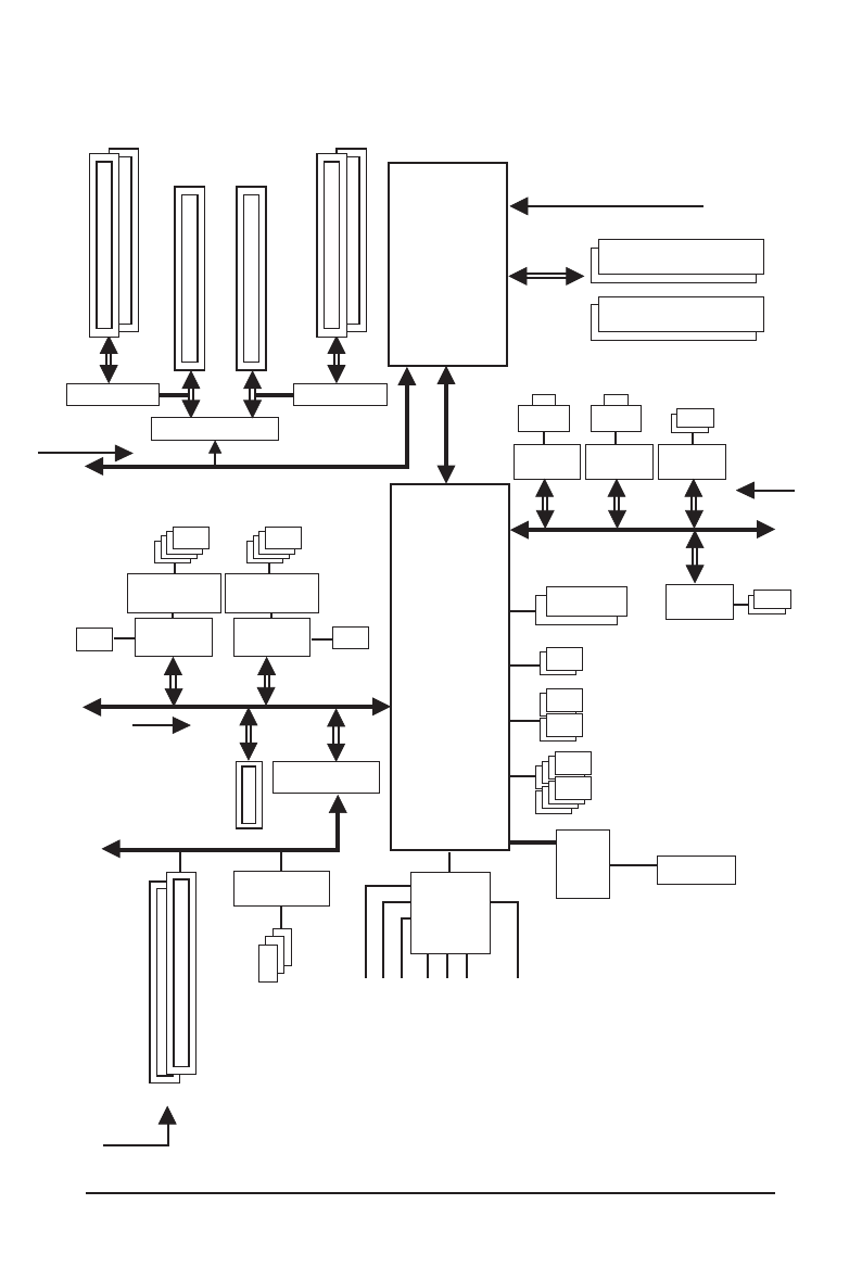
GA-P67A-UD7 Motherboard Block Diagram
Center/Subwoofer Speaker Out
Line Out
MIC
Line In
S/PDIF Out
Side Speaker Out
Surround Speaker Out
CODEC
PS/2 KB/Mouse
LGA1155
CPU
DMI
Interface
Intel
®
P67
PCIe CLK
(100 MHz)
PCI Express Bus
IT8728
CPU CLK+/- (100 MHz)
4 SATA 3Gb/s
1 PCI Express x16
Dual BIOS
8 USB 2.0/1.1
(Note)
LPC
Bus
Dual Channel Memory
2 PCI Express x8
PCI Express Bus
2 SATA 6Gb/s
PCIe CLK
(100 MHz)
x1
LAN1
RJ45
Realtek
RTL8111E
1 PCI
Express x1
PCIe CLK (100 MHz)
NF200
x8
x16
x1
x1
VLI VL810
Hub
2 PCI
PCI Bus
PCI CLK
(33 MHz)
TSB43AB23
3 IEEE 1394a
x1
2 SATA 6Gb/s
iTE IT8892 Bridge
Switch
1 PCI Express x16
x16
Switch
2 PCI Express x8
x8
x1
LAN2
RJ45
Realtek
RTL8111E
x1
Marvell
88SE9128
Marvell
88SE9128
x1
x1
Renesas
D720200
VLI VL810
Hub
Renesas
D720200
8 USB 3.0/2.0
2 SATA 6Gb/s
1 USB 3.0/2.0
1 USB 3.0/2.0
DDR3 2133/1866/1600/1333/1066 MHz
(Note) Two share the same ports with eSATA.