Материнские платы GIGABYTE GA P55A UD6 rev 1 0 - инструкция пользователя по применению, эксплуатации и установке на русском языке. Мы надеемся, она поможет вам решить возникшие у вас вопросы при эксплуатации техники.
Если остались вопросы, задайте их в комментариях после инструкции.
"Загружаем инструкцию", означает, что нужно подождать пока файл загрузится и можно будет его читать онлайн. Некоторые инструкции очень большие и время их появления зависит от вашей скорости интернета.

- 8 -
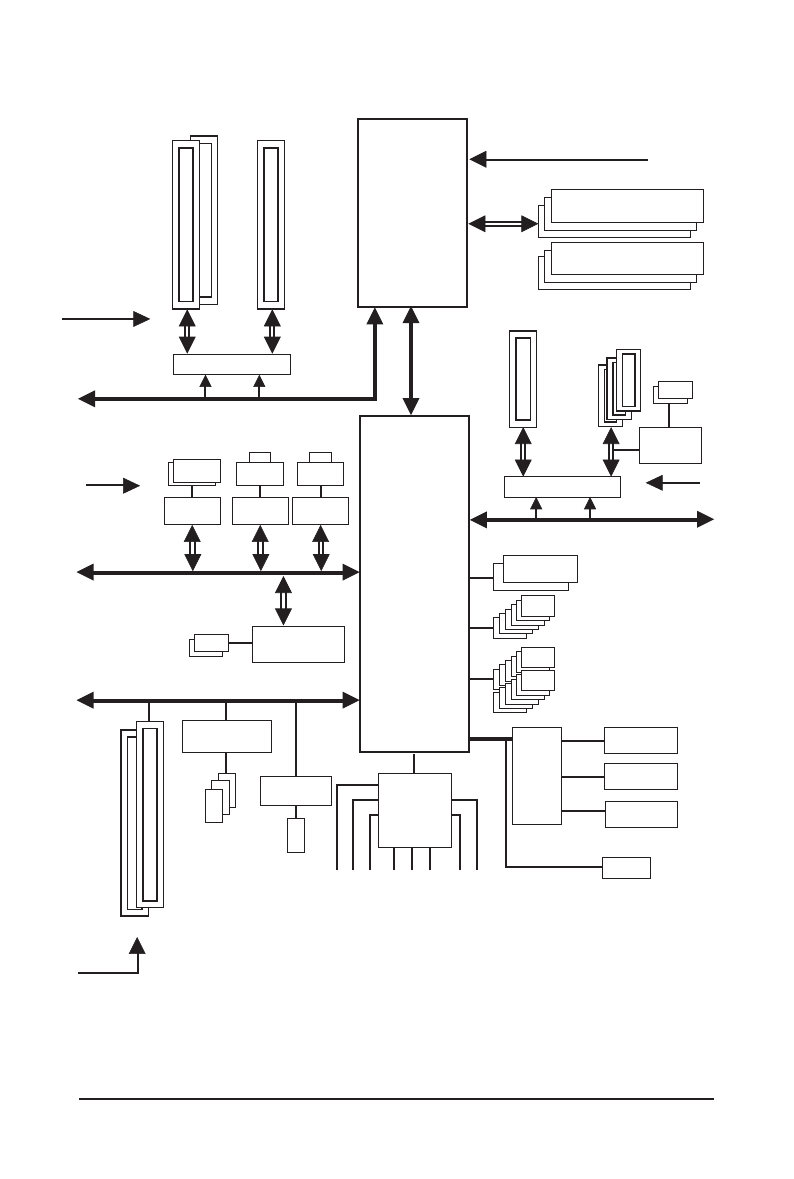
Block Diagram
(Note) This feature is optional due to different regional policy.
Center/Subwoofer Speaker Out
Line Out
MIC
Line In
S/PDIF In S/PDIF Out
Side Speaker Out
Surround Speaker Out
CODEC
PS/2 KB/Mouse
LGA1156
CPU
DMI
Interface
Intel
®
P55
PCIe CLK
(100 MHz)
PCI Express Bus
IT8720
Floppy
CPU CLK+/- (133 MHz)
6 SATA 3Gb/s
1 PCI Express x16
Dual BIOS
COM Port
12 USB 2.0/1.1
LPC
Bus
DDR3 2200/1333/1066/800 MHz
Dual Channel Memory
2 PCI Express x8
x1
Marvell 9128
2 SATA 6Gb/s
PCI Express Bus
2 SATA 3Gb/s
PCIe CLK
(100 MHz)
x1
LAN1
RJ45
RTL8111D
x1
LAN2
RJ45
RTL8111D
3 PCI Express x1
x4
1 PCI Express x4
TPM
(Note)
PCI Express Bus
PCIe CLK (100 MHz)
Switch
or
x8
x16
Switch
or
x1
x1
2 USB 3.0/2.0
NEC
2 PCI
PCI Bus
PCI CLK
(33 MHz)
TSB43AB23
3 IEEE 1394a
ATA-133/100/66/33
IDE Channel
IT8213
JMicron
JMB362