Материнские платы GIGABYTE GA MA770T UD3P rev 1 4 - инструкция пользователя по применению, эксплуатации и установке на русском языке. Мы надеемся, она поможет вам решить возникшие у вас вопросы при эксплуатации техники.
Если остались вопросы, задайте их в комментариях после инструкции.
"Загружаем инструкцию", означает, что нужно подождать пока файл загрузится и можно будет его читать онлайн. Некоторые инструкции очень большие и время их появления зависит от вашей скорости интернета.

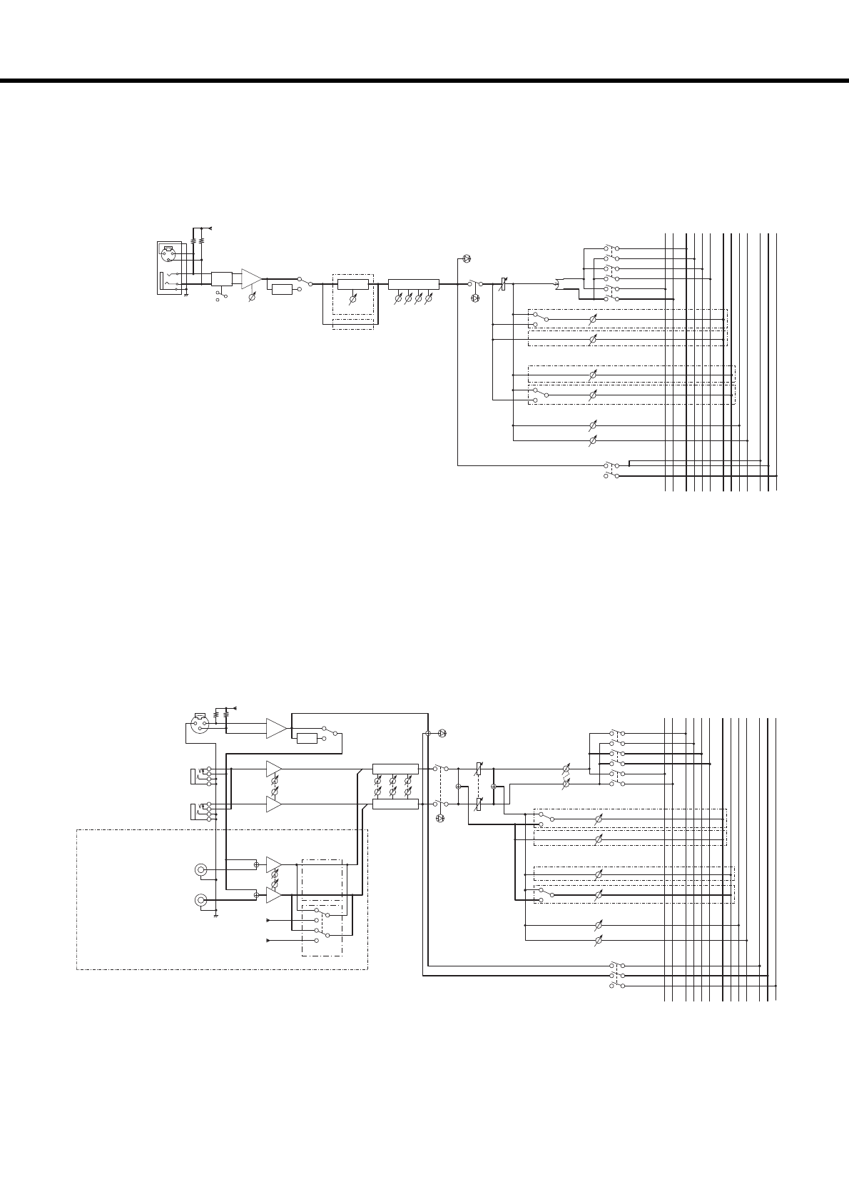
Органы управления и разъемы
Руководство пользователя MG20XU/MG20/MG16XU/MG16/MG12XU/MG12
20
Каналы моновхода
Каналы моно-/стереовхода
HPF
LOW
MID
HIGH
3-Stage EQ
MID f (*)
COMP
PEAK
ON (CH Fader)
PAN
STEREO L
STEREO R
PFL L
PFL R
PAD OFF
[-60dBu – -16dBu]
PAD ON
[-34dBu – +10dBu]
GROUP 2
GROUP 1
GROUP 3 (*)
GROUP 4 (*)
ST
1-2
3-4 (*)
PFL CTRL
PAD
HA
26dB
GAIN
HPF
MG20XU/MG20 : CH1–12
MG16XU/MG16 : CH1–8
MG12XU/MG12 : CH1–4
PHANTOM
80Hz
MG20XU/MG20 : CH1–8
MG16XU/MG16 : CH1–8
MG12XU/MG12 : CH1–4
MG20XU/MG20 : CH9–12
COMP
PFL
(*) Only MG20XU, MG20, MG16XU and MG16
AUX2/FX, AUX2
AUX1
AUX3 (*)
AUX4/FX, AUX4 (*)
PRE
AUX1
MG20XU/MG20/MG16XU/MG16
MG12XU/MG12
PRE
AUX2
MG12XU/MG12
MG20XU/MG20/MG16XU/MG16
AUX3 (*)
AUX4/FX, AUX4 (*)
AUX1PRE
AUX2/FX, AUX2
HPF
LO
W
MI
D
H
IGH
3-Stage EQ
PEAK
ON
(ST CH Fader)
ST
EREO L
ST
EREO R
PFL L
PF
L R
GR
OUP 2
GR
OUP 1
GR
OUP 3 (
*)
GR
OUP 4 (
*)
ST
1-2
3-4 (*)
PF
L CTRL
HA
HPF
MG20XU/MG20 : CH13/14–19/20
MG16XU/MG16 : CH9/10,11/12
MG12XU/MG12 : CH5/6,7/8
PHANTOM
80Hz
PFL
HA
USB-PLAY-L
USB-PLAY-R
MIC [-60dBu – -16dBu]
L/MONO [-34dBu – +10dBu]
R [-34dBu – +10dBu]
HA
MG20XU/MG20 : CH13/14,15/16
MG16XU/MG16 : CH9/10,11/12
MG12XU/MG12 : CH5/6,7/8
L [-34dBu – +10dBu]
R [-34dBu – +10dBu]
MG20XU/MG20 : CH17/18,19/20
HA
HA
MG20XU : CH17/18
MG20 :
CH17/18
CH19/20
MG20XU : CH19/20
3-Stage EQ
GAIN
GAIN
PAN/BAL
Only MG20XU and MG20
AUX2/FX, AUX2
AU
X1
AU
X3 (*)
(*) Only MG20XU, MG20, MG16XU and MG16
AUX4/FX, AUX4 (
*)
PRE
AUX1
MG20XU/MG20/MG16XU/MG16
MG12XU/MG12
AUX1PRE
PRE
AUX2
MG12XU/MG12
MG20XU/MG20/MG16XU/MG16
AUX3 (*)
AUX4/FX, AUX4 (*)
LINE/USB
AUX2/FX, AUX2
Характеристики
Остались вопросы?Не нашли свой ответ в руководстве или возникли другие проблемы? Задайте свой вопрос в форме ниже с подробным описанием вашей ситуации, чтобы другие люди и специалисты смогли дать на него ответ. Если вы знаете как решить проблему другого человека, пожалуйста, подскажите ему :)