Материнские платы GIGABYTE GA H67MA D2H B3 rev 1 1 - инструкция пользователя по применению, эксплуатации и установке на русском языке. Мы надеемся, она поможет вам решить возникшие у вас вопросы при эксплуатации техники.
Если остались вопросы, задайте их в комментариях после инструкции.
"Загружаем инструкцию", означает, что нужно подождать пока файл загрузится и можно будет его читать онлайн. Некоторые инструкции очень большие и время их появления зависит от вашей скорости интернета.

- 8 -
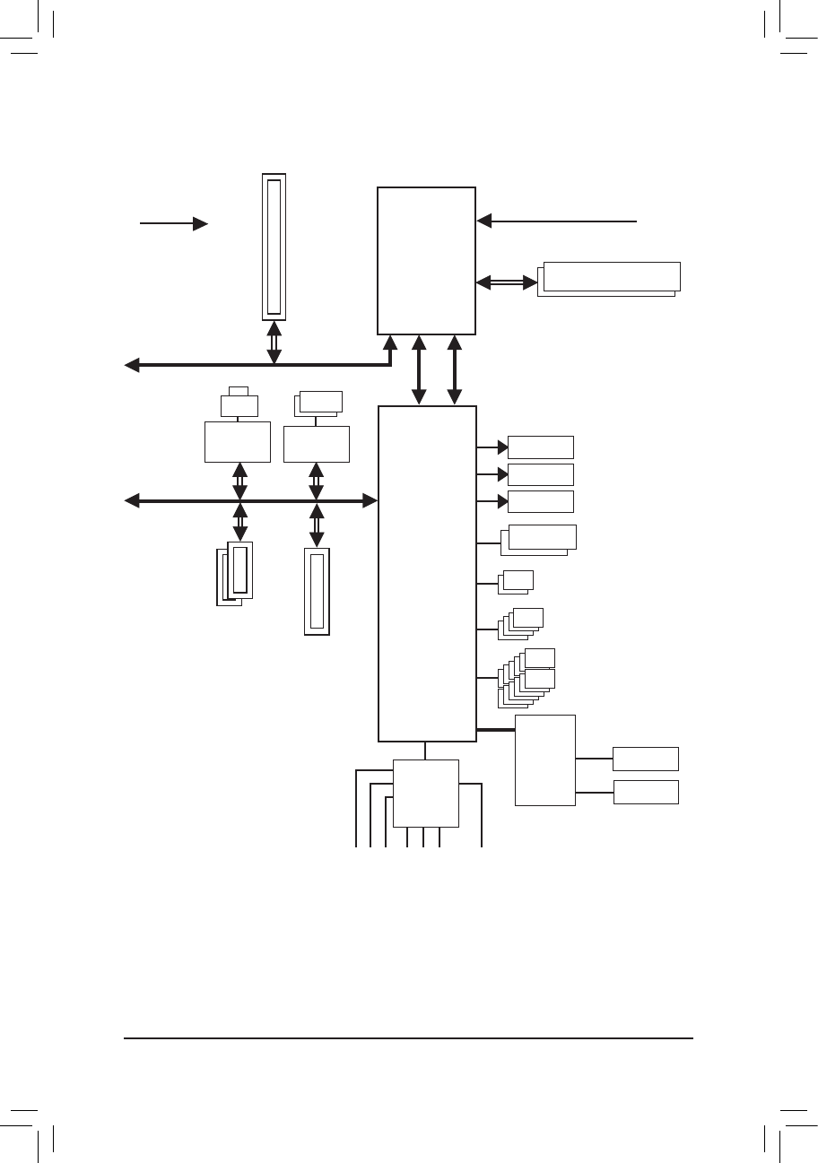
GA-H67MA-D2H-B3 Motherboard Block Diagram
LGA1155
CPU
Intel
®
H67
PCI Express Bus
CPU CLK+/- (100 MHz)
PCIe CLK
(100 MHz)
Center/Subwoofer Speaker Out
Line Out
MIC
Line In
S/PDIF Out
Side Speaker Out
Surround Speaker Out
CODEC
DDR3 1333/1066/800 MHz
Dual Channel Memory
1 PCI Express x16
x16
DMI Interface
FDI Interface
PCI Express Bus
2 USB 3.0/2.0
Renesas
D720200
LAN
RJ45
Realtek
RTL8111E
12 USB 2.0/1.1
4 SATA 3Gb/s
Dual BIOS
D-Sub
PS/2 KB/Mouse
COM
iTE
IT8728
LPC
Bus
2 SATA 6Gb/s
2 PCI Express x1
x4
1 PCI Express x4
x1
DVI-D
HDMI
x1
x1