Материнские платы GIGABYTE GA H55M S2H rev 1 0 - инструкция пользователя по применению, эксплуатации и установке на русском языке. Мы надеемся, она поможет вам решить возникшие у вас вопросы при эксплуатации техники.
Если остались вопросы, задайте их в комментариях после инструкции.
"Загружаем инструкцию", означает, что нужно подождать пока файл загрузится и можно будет его читать онлайн. Некоторые инструкции очень большие и время их появления зависит от вашей скорости интернета.

- 8 -
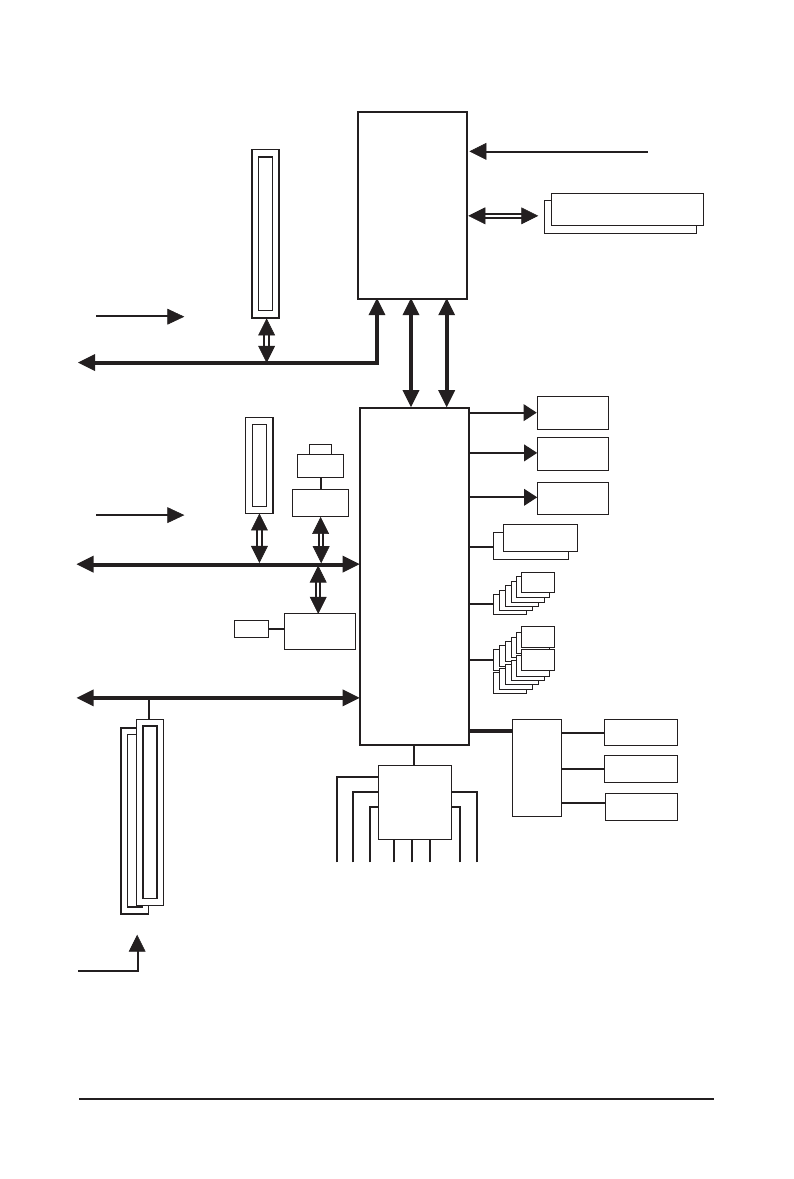
Block Diagram
(Note ) Simultaneous output for DVI-D and HDMI is not supported when in the BIOS Setup program or
when during the POST screens.
Center/Subwoofer Speaker Out
Line Out
MIC
Line In
S/PDIF In S/PDIF Out
Side Speaker Out
Surround Speaker Out
CODEC
PS/2 KB/Mouse
LGA1156
CPU
DMI Interface
Intel
®
H55
2 PCI
PCI Bus
PCI CLK
(33 MHz)
PCIe CLK
(100 MHz)
PCI Express Bus
IT8720
Floppy
CPU CLK+/- (133 MHz)
6 SATA 3Gb/s
1 PCI Express x16
Dual BIOS
COM Port
12 USB Ports
LPC
Bus
x1
ATA-133/100/66/33 IDE Channel
JMicron
JMB368
DDR3 1666 (O.C.)/1333/1066/800 MHz
Dual Channel Memory
x1
LAN
RJ45
RTL8111D
x4
1 PCI Express x4
PCI Express Bus
x16
PCIe CLK
(100 MHz)
D-Sub
FDI Interface
DVI-D
(Note)
HDMI
(Note)