Материнские платы GIGABYTE GA 8IG1000 Pro rev 2 x - инструкция пользователя по применению, эксплуатации и установке на русском языке. Мы надеемся, она поможет вам решить возникшие у вас вопросы при эксплуатации техники.
Если остались вопросы, задайте их в комментариях после инструкции.
"Загружаем инструкцию", означает, что нужно подождать пока файл загрузится и можно будет его читать онлайн. Некоторые инструкции очень большие и время их появления зависит от вашей скорости интернета.

- 9 -
Hardware Installation Process
English
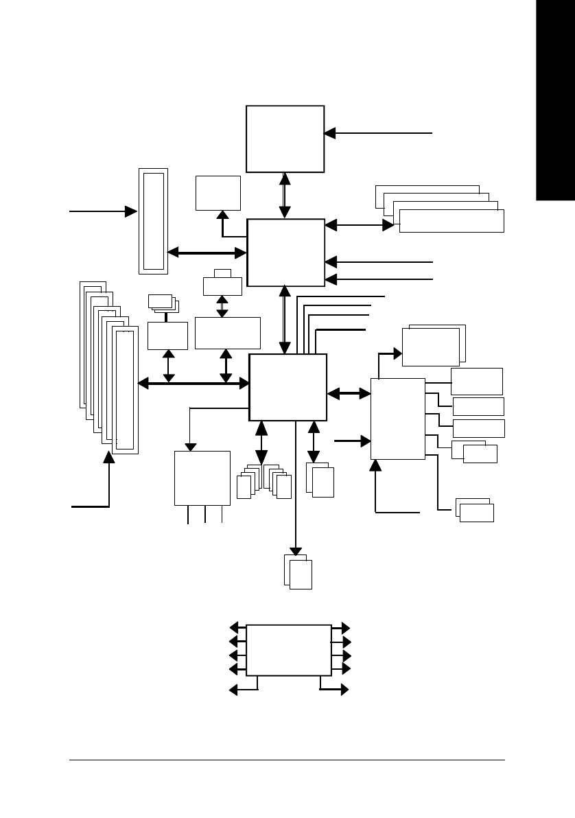
Block Diagram
Serial ATA
Channels
Pentium 4
Socket 478
CPU
Intel 865G
AC97
CODEC
ICH5
CPUCLK+/- (100/133/200MHz)
System Bus
400/533/800MHz
266/333/400MHz
ZCLK (66MHz)
HCLK+/- (100/133MHz)
66MHz
33 M Hz
14.318 M Hz
48 M Hz
24 M Hz
33 M Hz
LPC BUS
AGP 8X/4X
AGPCLK
(66M Hz)
5 PCI
PCICLK
(33M Hz)
AC97 Link
MIC
LINE-IN
LINE-OUT
8 USB
(2.0/1.1)
Ports
ATA33/66/100
IDE Channels
Floppy
LPT Port
PS/2
KB/M ouse
COM
Ports
ITE8712
Gam e Port
BIOS
(
*
)
Kinnereth-R
(
*
u
)
RJ45
(
*
u
)
VGA Port
DDR
T SB43AB23
(
*
)
IEEE 1394
(
*
)
(*) For GA-8IG1000 Pro only.
(
u
) For GA-8IG1000-L only.
CLK GEN
ZCLK (66MHz)
CPUCLK+/- (100/133/200MHz)
AGPCLK (66M Hz)
HCLK+/- (100/133MHz)
PCICLK (33M Hz)
USBCLK (48M Hz)
14.318 M Hz
33 M Hz
24 M Hz
ICH3V66 (66M Hz)