Материнские платы GIGABYTE 8VM533M RZ - инструкция пользователя по применению, эксплуатации и установке на русском языке. Мы надеемся, она поможет вам решить возникшие у вас вопросы при эксплуатации техники.
Если остались вопросы, задайте их в комментариях после инструкции.
"Загружаем инструкцию", означает, что нужно подождать пока файл загрузится и можно будет его читать онлайн. Некоторые инструкции очень большие и время их появления зависит от вашей скорости интернета.

Introduction
English
- 7 -
"*" For 8VM533M-RZ only.
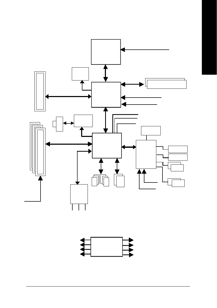
Block Diagram
MII
VIA
P4M266A/P4M533
VIA
VT82 35/VT8 237R
CPUCLK+/- ( 100/133 M Hz)
Sy stem Bus
533/400M Hz
AGPCLK66 M Hz
33 M Hz
14.318 M Hz
48 M Hz
LPC BUS
AG P 4X
3 PCI
PCICL K
(33M Hz)
RJ45 *
AC97 Link
6 USB
Por ts
ATA33 /66/
100/133
IDE Chann els
VT6103 *
24 M Hz
33 M Hz
Flop py
LPT Port
PS/ 2 KB/M ou se
COM A/CO M B
MIC
LINE-IN
LINE-OUT
Pentium 4
Soc ket 478
CPU
6 Chann el
CO DEC
200/266M Hz
DDR
AG PCLK
66M Hz
M CHCLK (100/133M Hz)
CL K
GEN
M CHCLK (100/133M Hz)
CPUCLK+/- ( 100/133 M Hz)
AGPCLK (66M Hz)
PCICLK (33 M Hz)
USBCLK (48 M Hz)
14.318 M Hz
33 M Hz
PCI BUS 33MHz
66MHz V_Link
V_Link (66M Hz)
VGA Port
BIOS
IT8705