Магнитолы Pioneer DVH-840AVBT - инструкция пользователя по применению, эксплуатации и установке на русском языке. Мы надеемся, она поможет вам решить возникшие у вас вопросы при эксплуатации техники.
Если остались вопросы, задайте их в комментариях после инструкции.
"Загружаем инструкцию", означает, что нужно подождать пока файл загрузится и можно будет его читать онлайн. Некоторые инструкции очень большие и время их появления зависит от вашей скорости интернета.

7
03
Ру
сс
ки
й
Раздел
Ru
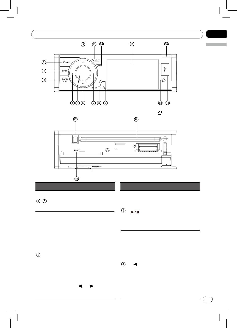
Чтобы открыть переднюю панель, нажмите кнопку [ ].
/MUTE
• Включение питания
• Приглушение звука
• Выключение питания (2
секунды)
SRC
• Выбор режима
воспроизведения:
• Радио
• Диск (если он установлен)
• USB (если подключено
USB-устройство)
• AV (видео и звуковой
вход с передней панели.
К данному устройству
можно подключать
внешние периферийные
устройства со звуковыми и
видеоразъемами RCA.)
• Возврат в основное меню (2
секунды).
Выберите нужный режим
кнопкой или и
нажмите кнопку [OK] для
подтверждения.
BAND
• Воспроизведение/пауза (в
режимах DVD, CD и MP3/
WMA)
• Переключение диапазона (в
режиме радио)
• Переключение в режиме
hands-free между этим
устройством и гарнитурой
hands-free
• Автоматический поиск
предыдущей станции
(удерживать нажатой более
2 секунд) (в режиме радио).
• Поиск предыдущей станции
вручную (в режиме радио).
• Поиск предыдущей
композиции или главы (в
режимах CD, MP3/WMA и
DVD-видео).
• Быстрая перемотка назад на
2, 4, 8 и 16 шагов (2 секунды)
(в режимах CD, MP3/WMA и
DVD-видео).
• Переход влево при навигации
Управление устройством
Элемент Назначение
Элемент Назначение
DVH-840AVBT RU manual_20110831_2.indd 7
2011-8-31 20:11:47
Содержание
- 3 ВАЖНЫЕ МЕРЫ; Меры предосторожности
- 4 Во избежание разрядки
- 5 Сведения об этом руководстве
- 6 Сведения об этом устройстве; ВНИМАНИЕ; В случае неполадок; Перед началом эксплуатации
- 7 Управление устройством; Элемент Назначение
- 9 BSM
- 10 Основные операции; Важно
- 11 Пульт дистанционного; Использование пульта; ПРЕДУПРЕЖДЕНИЕ; Основные функции меню; Источник (выбор источника
- 12 Радио; Сохранение радиостанции вручную
- 13 Воспроизведение с; Выбор файла из другой папки:
- 14 Воспроизведение содержимого
- 15 Воспроизведение дисков; Примечание
- 17 Bluetooth Operation; Регистрация
- 18 Звонок по номеру из; Функции потоковой передачи аудио; Воспроизведение / пауза
- 19 Главное меню
- 20 Настройка системы; Меню настройки; Ускоренная перемотка вперед/
- 21 Язык
- 22 Настройки звука; Использование
- 23 Ру; Установка
- 25 Рус; Уст; он
- 26 Перед установкой данного
- 27 Установка комплекта; Плавкий предохранитель
- 29 Устранение неисправностей; Общие; Признак; Дополнительная информация
- 30 Сообщения об ошибках; Сообщение
- 31 Рекомендации по; Диск
- 32 iPod
- 33 Файлы с изображениями в; Поддержка iPod
- 34 Внешнее запоминающее устройство; Правильное использование; Пример иерархии
- 35 Светодиодная подсветка; Авторское право и товарные
- 36 Dolby Digital
- 37 Технические характеристики; DL; Звук; значение коэффициента нелинейных искажений
- 38 Усиление нижних звуковых частот:; USB; официально поставляемых на российский рынок.; Данное устройство произведено в Китае.