Магнитолы Panasonic CQ-FX721N - инструкция пользователя по применению, эксплуатации и установке на русском языке. Мы надеемся, она поможет вам решить возникшие у вас вопросы при эксплуатации техники.
Если остались вопросы, задайте их в комментариях после инструкции.
"Загружаем инструкцию", означает, что нужно подождать пока файл загрузится и можно будет его читать онлайн. Некоторые инструкции очень большие и время их появления зависит от вашей скорости интернета.

Р
У
С
С
К
И
Й
32
Подключение электрических
проводов
(продолжение)
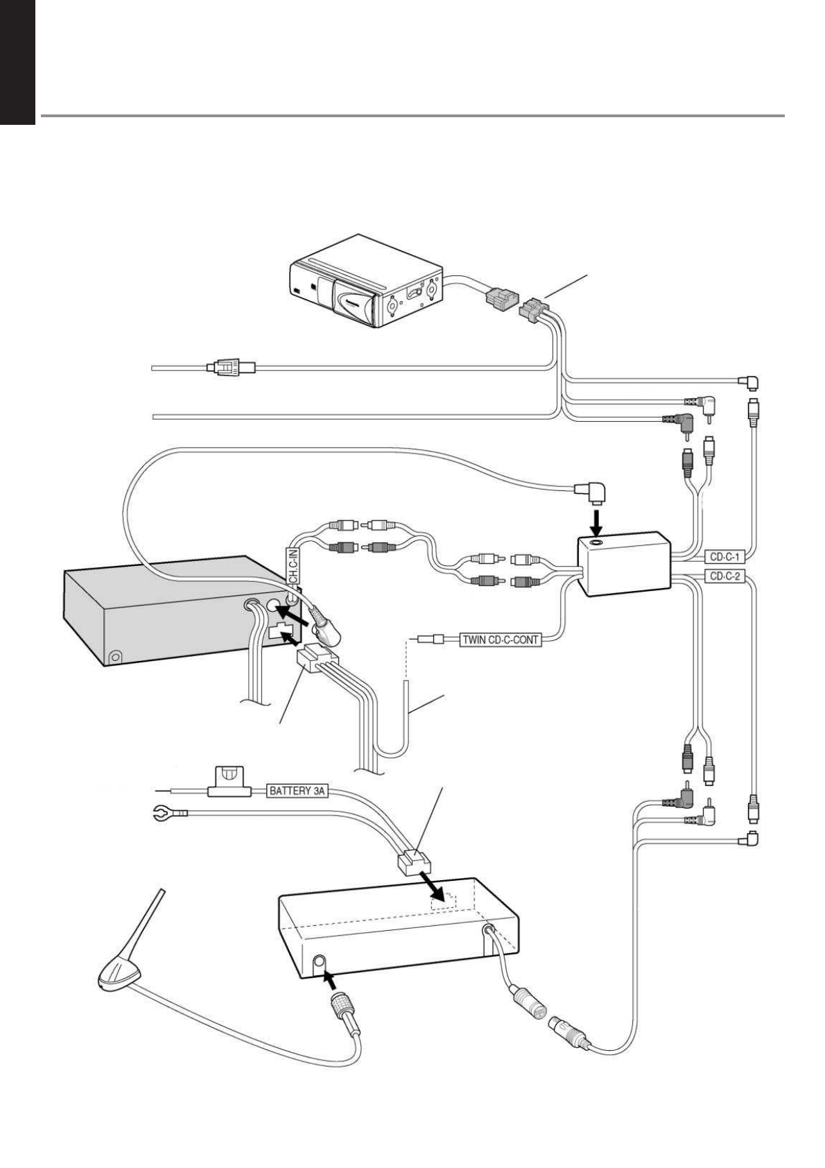
Совершенствование системы. Пример 2:
Подключение CD-чейнджера и тюнера DAB
Комбинация:
CD-чейнджер (CX-DP9061EN), тюнер DAB (CY-DAB2000N)
Примечание:
• Для подключения CD-чейнджера и тюнера DAB к основному устройству необходим отдельный селектор для двух
CD-чейнджеров (CA-DC55EN).
• При использовании селектора для двух CD-чейнджеров подключите тюнер DAB (CY-DAB2000N) к выходу селектора CHANGER 2.
CD-чейнджер
CX-DP9061EN
с функцией CD-текст
CA-CD55EN
CQ-FX721N
CY-DAB2000N
Разъем питания
(поставляется с CX-DP9061EN)
Кабель, соответствующий
стандарту DIN
(П)
(Л)
(Красный)
(Белый)
(П)
(Л)
(Красный)
(Белый)
(П) (Красный)
(Л) (Белый)
(П) (Красный)
Разъем питания
Вывод для управления
сдвоенным CD-чейнджером
Разъем питания
(поставляется с CY-DAB2000N).
Кабель, соответствующий
стандарту DIN
(поставляется
с CY-DAB2000N)
Вывод на аккумуляторную
батарею
(желтый)
К аккумуляторной батарее,
постоянный ток +12 В
Вывод заземления
(черный)
К чистому, неизолированному
металлическому элементу
корпуса автомобиля
(Л) (Белый)
Кабель RCA
Вывод на аккумуляторную батарею
(желтый)
К аккумуляторной
батарее +12 В DC
Вывод заземления
(черный) К чистому, неизолированному
металлическому
элементу корпуса автомобиля.
Кабель,
соответствующий
стандарту DIN
(поставляется
с CA-DC55EN)
Кабель RCA
(поставляется
с CA-DC55EN)
Антенна
(поставляется с CY-DAB2000N)