Магнитолы Kenwood KRC-394 - инструкция пользователя по применению, эксплуатации и установке на русском языке. Мы надеемся, она поможет вам решить возникшие у вас вопросы при эксплуатации техники.
Если остались вопросы, задайте их в комментариях после инструкции.
"Загружаем инструкцию", означает, что нужно подождать пока файл загрузится и можно будет его читать онлайн. Некоторые инструкции очень большие и время их появления зависит от вашей скорости интернета.

— 54 —
Py
ccкий
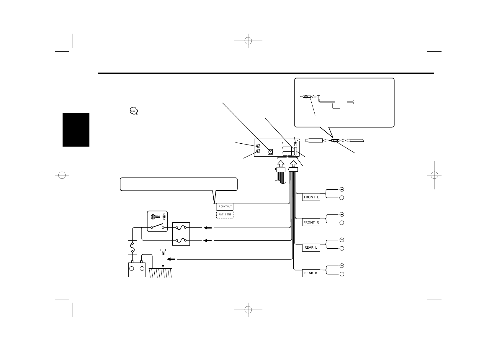
Подсоединение кабелей к гнездам для подключения
–
+
+
+
+
+
Задний правый
вывод (Kрасный)
9
Задний левый
вывод (Белый)
8
Вход управления автоматическим проигрывателем
дисков KENWOOD
Вход антенны
FM/AM
10
Адаптер для кабелей
антенны (ISO-JASO)
(Принадлежность
3
)
12
Для подсоединения
автоматического проигрывателя
дисков прочитайте инструкцию по
эксплуатации автоматического
проигрывателя дисков.
26
Жгут проводов
(Принадлежность
1
)
13
Вывод контроля питания
28
Предохранитель
(10A)
23
Смотри правую
сторону (см. стр.55)
24
29
Белый/Черный
32
Cерый/Черный
35
Зеленый/Черный
38
Фиолетовый/Черный
Белый
31
Cерый
34
Зеленый
37
Фиолетовый
40
К переднему левому
усилителю
30
К переднему правому
усилителю
33
К заднему правому
усилителю
39
К заднему левому
усилителю
36
Провод зажигания (Kрасный)
17
Kабель батареи (Желтый)
18
Провод заземления (Чёрный)
-
(К шасси автомобиля)
19
Ключ
зажигания
5
Коробка
предохранителей
автомобиля
(главный
предохранитель)
6
ACC
15
Коробка предохранителей
автомобиля
16
Аккумулятор
7
Контакт регулятора
мощности (см. стр.56)
22
Управление питанием/
управляющий кабель
двигателя антенны
(Cиний/Белый)
14
Присоедините или к выводу управления питанием,
пользуясь усилителем питания, который не входит
в комплект поставки, или к выводу управления
антенной в автомобиле.
4
Eсли вы не подключаете этот шнур, убедитесь в том,
что он находится внутри контактного столбика.
3
11
Шнур антенны (ISO)
Проводка
автомобиля
Адаптер для кабелей антенны
(ISO-JASO) (Принадлежность
3
)
2
Кнопка трансмиссии
4
Специальный провод антены
(можно купить в магазинах)
3
Для автомобиля Фольксваген
1
25
10
KRC-394_Russian 02.9.26 7:33 PM Page 54
Содержание
- 32 Cодержание; Cвойства тюнера
- 33 ПРEДУПРEЖДEHИE; BHИMAHИE; Меры предосторожности
- 34 ПРИМEЧАНИE; Kнопку Cброс; Очистка выводов передней панели; Экстренные сообщения; O RDS; Чистка магнитной головки; О кассетах
- 35 Громкость; Трбутся источник; Тюнер; Как выбрать источник; Включение питания; Питание; Общие характеристики; Индикатор ATT; Kнопка освобождения
- 36 Управление аудио; Py
- 37 Отключение при звонке по телефону; Исходное название диска; Пераключение дисплея; ВЫКЛ; Установка акустической системы
- 38 Снятие лицевой пластинки; Установка лицевой пластинки; Лицевая пластинка, предотвращающая кражу; Индикатор ST
- 39 Настройка на предварительную установку; Ввод в авто память
- 40 Установка громкости во время дорожной информации.; Осуществите приём станции.; Запомните уровень громкости; Приём других станций, передающих дорожную информацию; Дорожная информация; Cвойства RDS; Индикатор PTY
- 42 Изменение языка для функции PTY; Предварительная установка типа программы
- 43 Настройка; Функция модели KRC-31; Режим настройки
- 44 Cвойства кассетного проигрывателя; Сторона ленты
- 45 Повтор проигрываемой песни.
- 46 Ускоренное передвижение вперёд и назад; Дисплей; Проигрыватель CD; Проигрывание внешнего диска; Функции управления внешним диском; Номер диска
- 47 Произвольное проигрывание магазина; Произвольное проигрывание; Начните просмотр дорожек; Просмотр дорожек; Выбор диска, который Вы хотите прослушать.; Поиск дорожек; Повторное проигрывание; Повтор дорожки
- 48 Просмотр текста/названий; Повторите последовательности 5 – 6 и введите название.
- 49 Система меню; Индикатор AUTO
- 50 Установка бюллетеня новостей с тайм-аутом
- 52 Таймер отключения питания; Авто поиск TP
- 53 Во избежание короткого замыкания следует извлечь ключ; Принадлежности
- 54 Подсоединение кабелей к гнездам для подключения; Для автомобиля Фольксваген
- 55 Разъем A; Присоединение разъема ISO; Cтандартная настройка); Номера штырей; Аккумулятор
- 56 Подключения контакта регулятора мощности; Установка
- 57 Cнятие жесткой резиновой оправки; Cнятие аппарата
- 58 Поиск и устранение неисправностей
- 59 Источник тюнера; Это не установленная громкость для дорожной информации.; Источник магнитофона; Не может вывести кассету.; Источник диска; Не происходит проигрывание определенной дорожки.
- 60 Поиск дорожки нельзя осуществить.; Eod
- 61 Технические характеристики; Диапазон частот (50 кГц пространственных)












