Магнитолы Kenwood KRC-394 - инструкция пользователя по применению, эксплуатации и установке на русском языке. Мы надеемся, она поможет вам решить возникшие у вас вопросы при эксплуатации техники.
Если остались вопросы, задайте их в комментариях после инструкции.
"Загружаем инструкцию", означает, что нужно подождать пока файл загрузится и можно будет его читать онлайн. Некоторые инструкции очень большие и время их появления зависит от вашей скорости интернета.

English
— 24 —
–
+
+
+
+
+
— 24 —
9
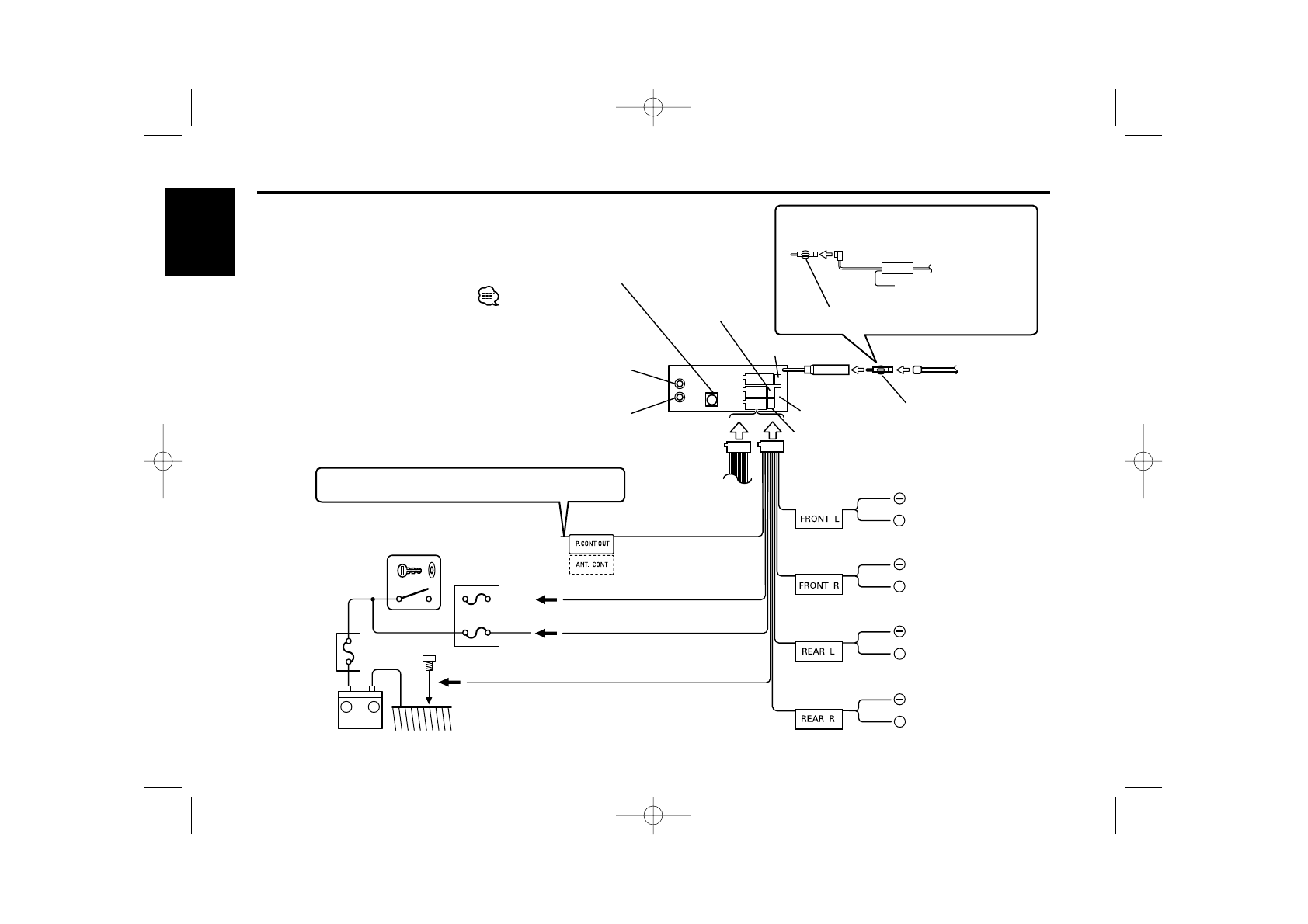
Rear right output (Red)
8
Rear left output (White)
KENWOOD disc changer input
25
FM/AM
antenna input
10
To connect the Disc
changer, consult your
Disc changer manual.
26
Wiring harness
(Accessory
1
)
13
TEL mute terminal
28
Fuse (10A)
23
Plug (page 25)
24
29
White/Black
32
Gray/Black
35
Green/Black
38
Purple/Black
White
31
Gray
34
Green
37
Purple
40
To front left
speaker
31
To front right
speaker
33
To rear right
speaker
39
To rear left
speaker
37
Ignition wire (Red)
17
Battery wire (Yellow)
18
Ground wire (Black)
-
(To car chassis)
19
Ignition key
switch
5
Car fuse box
(Main fuse)
6
ACC
15
Car fuse box
16
Battery
7
Power Control
terminal (page 26)
22
Power control/ Motor antenna
control wire (Blue/White)
14
4
Connect either to the power control terminal
when using the optional power amplifier, or to
the antenna control terminal in the vehicle.
If no connections are made, do not let the wire come
out from the tab.
3
Antenna Cord (ISO)
11
Connecting Wires to Terminals
Car’s wiring
harness
10
Antenna Conversion Adaptor
(ISO–JASO) (Accessory
3
)
2
To Power Control terminal
4
Special antenna adapter
(Commercially available)
3
For Volkswagen car
1
Antenna Conversion Adaptor
(ISO–JASO) (Accessory
3
)
12
KRC-394(E2)_U.S r1 02.9.26 7:29 PM Page 24
Содержание
- 32 Cодержание; Cвойства тюнера
- 33 ПРEДУПРEЖДEHИE; BHИMAHИE; Меры предосторожности
- 34 ПРИМEЧАНИE; Kнопку Cброс; Очистка выводов передней панели; Экстренные сообщения; O RDS; Чистка магнитной головки; О кассетах
- 35 Громкость; Трбутся источник; Тюнер; Как выбрать источник; Включение питания; Питание; Общие характеристики; Индикатор ATT; Kнопка освобождения
- 36 Управление аудио; Py
- 37 Отключение при звонке по телефону; Исходное название диска; Пераключение дисплея; ВЫКЛ; Установка акустической системы
- 38 Снятие лицевой пластинки; Установка лицевой пластинки; Лицевая пластинка, предотвращающая кражу; Индикатор ST
- 39 Настройка на предварительную установку; Ввод в авто память
- 40 Установка громкости во время дорожной информации.; Осуществите приём станции.; Запомните уровень громкости; Приём других станций, передающих дорожную информацию; Дорожная информация; Cвойства RDS; Индикатор PTY
- 42 Изменение языка для функции PTY; Предварительная установка типа программы
- 43 Настройка; Функция модели KRC-31; Режим настройки
- 44 Cвойства кассетного проигрывателя; Сторона ленты
- 45 Повтор проигрываемой песни.
- 46 Ускоренное передвижение вперёд и назад; Дисплей; Проигрыватель CD; Проигрывание внешнего диска; Функции управления внешним диском; Номер диска
- 47 Произвольное проигрывание магазина; Произвольное проигрывание; Начните просмотр дорожек; Просмотр дорожек; Выбор диска, который Вы хотите прослушать.; Поиск дорожек; Повторное проигрывание; Повтор дорожки
- 48 Просмотр текста/названий; Повторите последовательности 5 – 6 и введите название.
- 49 Система меню; Индикатор AUTO
- 50 Установка бюллетеня новостей с тайм-аутом
- 52 Таймер отключения питания; Авто поиск TP
- 53 Во избежание короткого замыкания следует извлечь ключ; Принадлежности
- 54 Подсоединение кабелей к гнездам для подключения; Для автомобиля Фольксваген
- 55 Разъем A; Присоединение разъема ISO; Cтандартная настройка); Номера штырей; Аккумулятор
- 56 Подключения контакта регулятора мощности; Установка
- 57 Cнятие жесткой резиновой оправки; Cнятие аппарата
- 58 Поиск и устранение неисправностей
- 59 Источник тюнера; Это не установленная громкость для дорожной информации.; Источник магнитофона; Не может вывести кассету.; Источник диска; Не происходит проигрывание определенной дорожки.
- 60 Поиск дорожки нельзя осуществить.; Eod
- 61 Технические характеристики; Диапазон частот (50 кГц пространственных)












