Магнитолы Kenwood KRC-31 - инструкция пользователя по применению, эксплуатации и установке на русском языке. Мы надеемся, она поможет вам решить возникшие у вас вопросы при эксплуатации техники.
Если остались вопросы, задайте их в комментариях после инструкции.
"Загружаем инструкцию", означает, что нужно подождать пока файл загрузится и можно будет его читать онлайн. Некоторые инструкции очень большие и время их появления зависит от вашей скорости интернета.

— 84 —
Polski
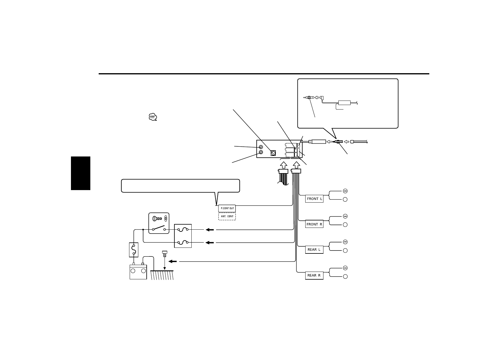
Podłączanie przewodów do końcówek
–
+
+
+
+
+
Wyjście tylne prawe
(Czerwony)
9
Wyjście tylne lewe
(Biały)
8
Wejście sterujące zmieniacza płyt kompaktowych
KENWOOD
25
Wejście anteny
FM/AM
10
Adapter antenowy (ISO-JASO)
(Akcesoria poz.
3
)
12
Wiązka przewodów
(Akcesoria poz.
1
)
13
Końcówka sterowania
zasilaniem
28
Bezpiecznik (10A)
23
Położenie (P.85)
24
29
Biały/czarny
32
Szary/czarny
35
Zielony/czarny
38
Purpurowy/czarny
Biały
31
Szary
34
Zielony
37
Purpurowy
40
Do lewego przedniego
głośnika
30
Do prawego przedniego
głośnika
33
Do prawego
tylnego głośnika
39
Do lewego tylnego
głośnika
36
Przewód zapłonu (Czerwony)
17
Przewód akumulatora (Żółty)
18
Przewód masy (czarny)
-
(do nadwozia samochodu)
19
Klucz
włącznika
zapłonu
5
Skrzynka
bezpiecznikow
a samochodu
(główny
bezpiecznik)
6
Do akumulatora
15
Skrzynka bezpiecznikowa
samochodu
16
Akumulator
7
Końcówka sterowania
zasilaniem (P.86)
22
Przewód sterowania zasilaniem/
Silnikiem anteny (Niebieski/biały)
14
4
Podłącz albo do końcówki sterowania zasilaniem,
gdy korzysta się z opcyjnego wzmacniacza zasilania,
albo do końcówki sterowania anteną w samochodzie.
Jeżeli nie dokonano połączenia, nie należy dopuścić
aby kabel wysunął się z osłonki.
3
11
Przewód antenowy (ISO)
Samochodowa
wiązka kabli
10
Adapter antenowy (ISO-JASO)
(Akcesoria poz.
3
)
2
Do końcówki zasilania
sterowania
4
Przewód anteny specjalnej
(dostępny w sprzedaży)
3
Dla samochodu Volkswagen
1
Przed podłączeniem
zmieniacza płyt zapoznaj
się z jego instrukcją.
26
Содержание
- 32 Cодержание; Cвойства тюнера
- 33 ПРEДУПРEЖДEHИE; BHИMAHИE; ВАЖНЫE ИНФОРМАЦИИ; Меры предосторожности
- 34 Kнопку Cброс; Очистка выводов передней панели; Экстренные сообщения; O RDS; Чистка магнитной головки; О кассетах
- 35 Громкость; Трбутся источник; Тюнер; Как выбрать источник; Включение питания; Питание; Общие характеристики; Индикатор ATT; Kнопка освобождения
- 36 Управление аудио; Py
- 38 Снятие лицевой пластинки; Установка лицевой пластинки; Лицевая пластинка, предотвращающая кражу; Индикатор ST
- 39 Настройка на предварительную установку; Ввод в авто память
- 40 Установка громкости во время дорожной информации.; Осуществите приём станции.; Запомните уровень громкости; Дорожная информация; Cвойства RDS; Индикатор PTY
- 42 Изменение языка для функции PTY; Предварительная установка типа программы
- 43 Настройка; Функция модели KRC-31; Режим настройки
- 44 Cвойства кассетного проигрывателя; Сторона ленты
- 45 Повтор проигрываемой песни.
- 46 Ускоренное передвижение вперёд; Ускоренное передвижение назад; Нажмите и держите кнопку [; Ускоренное передвижение вперёд и назад; Дисплей; Проигрыватель CD; Пауза и проигрывание; Проигрывание внешнего диска; Функции управления внешним диском; Номер диска
- 47 Произвольное проигрывание магазина; Произвольное проигрывание; Начните просмотр дорожек; Просмотр дорожек; Выбор диска, который Вы хотите прослушать.; Поиск дорожек; Повторное проигрывание; Повтор дорожки
- 48 Просмотр текста/названий; Повторите последовательности 5 – 6 и введите название.
- 49 Система меню; Индикатор AUTO
- 50 Установка бюллетеня новостей с тайм-аутом
- 52 Таймер отключения питания; Авто поиск TP
- 53 Принадлежности
- 54 Подсоединение кабелей к гнездам для подключения; Для автомобиля Фольксваген
- 55 Разъем A; Присоединение разъема ISO; Cтандартная настройка); Номера штырей; Аккумулятор
- 56 Подключения контакта регулятора мощности; Установка
- 58 Поиск и устранение неисправностей
- 59 Источник тюнера; Это не установленная громкость для дорожной информации.; Источник магнитофона; Не может вывести кассету.; Источник диска; Не происходит проигрывание определенной дорожки.
- 60 Поиск дорожки нельзя осуществить.
- 61 Технические характеристики; Диапазон частот (50 кГц пространственных)