Магнитолы Kenwood KRC-31 - инструкция пользователя по применению, эксплуатации и установке на русском языке. Мы надеемся, она поможет вам решить возникшие у вас вопросы при эксплуатации техники.
Если остались вопросы, задайте их в комментариях после инструкции.
"Загружаем инструкцию", означает, что нужно подождать пока файл загрузится и можно будет его читать онлайн. Некоторые инструкции очень большие и время их появления зависит от вашей скорости интернета.

— 114 —
Česky
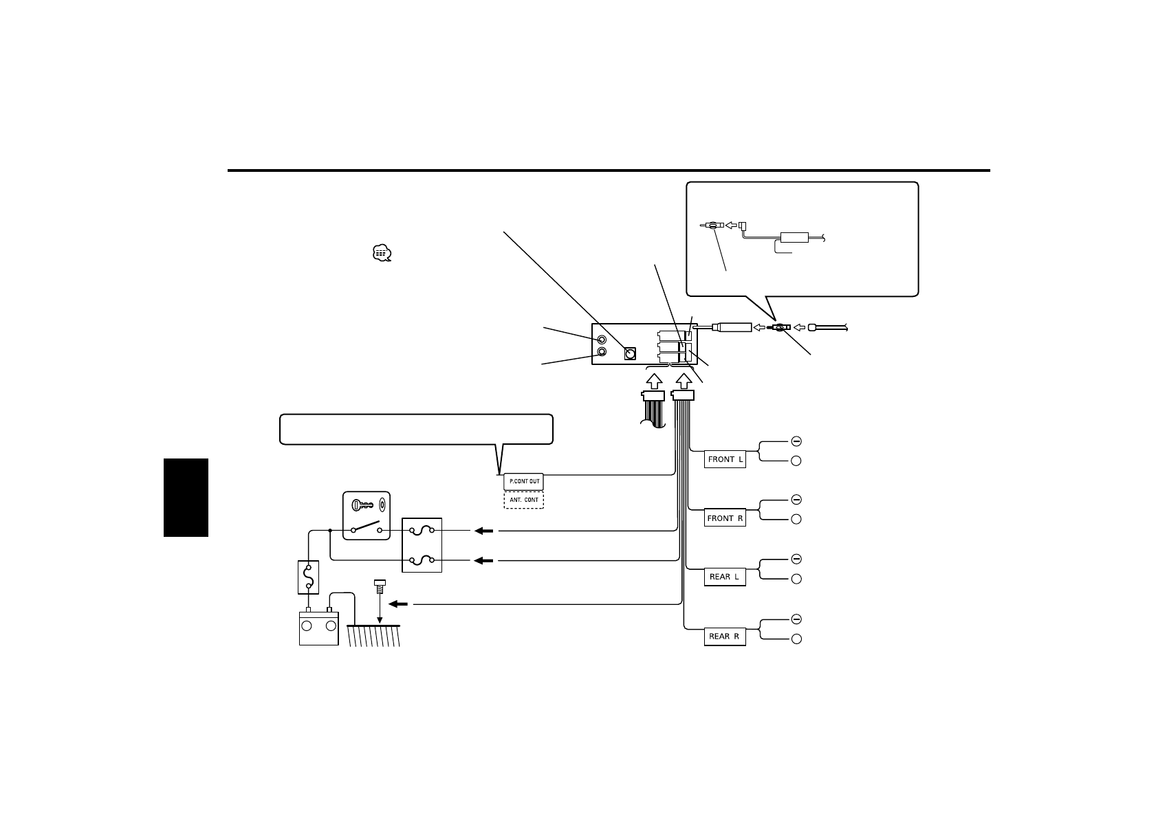
Připojování kabelů ke svorkám
–
+
+
+
+
+
Zadní pravý výstup
(Rudá)
9
Zadní levý výstup
(Bílá)
8
Řídicí výstup pro měnič disků
KENWOOD
25
Anténní vstup
FM/AM
10
Převodní anténní adapter (ISO-
JASO) (Příslušenství
3
)
12
Před připojením měniče
disků si přečtěte jeho
návod k použití.
26
Kabelový svazek
(Příslušenství
1
)
13
Konektor řízení napájení.
28
Pojistka (10A)
23
Zástrčky (P.115)
24
29
Bílá/černá
32
Fialová/černá
35
Zelená/černá
38
Fialová/černá
Bílá
31
Šedá
34
Zelená
37
Fialová
40
Do levého předního
reproduktoru
30
Do pravého předního
reproduktoru
33
Do pravého zadního
reproduktoru
39
Do levého zadního
reproduktoru
36
Kabel k zapalování (Rudá)
17
Kabel k baterii (Žlutá)
18
Zemnící vodič (černý)
-
(Do kostry vozu)
19
Zapalování
5
Pojistková
schránka
(hlavní
pojistky)
6
ACC
15
Pojistková schránka
16
Baterie
7
Konektor řízení napájení
(P.116)
22
Kabel řízenéhonapájení
/motorickéantény (Modrá/Bílá)
14
4
Při použití přídavného výkonového
zesilovače připojte ke svorce řízeného
napájení nebo ke svorce napájení antény.
Jestliže nejsou připojeny, nenechte kabely vyčnívat
zpod příchytky.
3
Anténní kabel (ISO)
11
Kabeláž vozu.
10
Převodní anténní adapter
(ISO-JASO) (Příslušenství
3
)
2
Do konektoru Řízení
výkonu
4
Speciální anténní vodič.
(lze běžně zakoupit)
3
Pro automobilyVolkswagen
1
Содержание
- 32 Cодержание; Cвойства тюнера
- 33 ПРEДУПРEЖДEHИE; BHИMAHИE; ВАЖНЫE ИНФОРМАЦИИ; Меры предосторожности
- 34 Kнопку Cброс; Очистка выводов передней панели; Экстренные сообщения; O RDS; Чистка магнитной головки; О кассетах
- 35 Громкость; Трбутся источник; Тюнер; Как выбрать источник; Включение питания; Питание; Общие характеристики; Индикатор ATT; Kнопка освобождения
- 36 Управление аудио; Py
- 38 Снятие лицевой пластинки; Установка лицевой пластинки; Лицевая пластинка, предотвращающая кражу; Индикатор ST
- 39 Настройка на предварительную установку; Ввод в авто память
- 40 Установка громкости во время дорожной информации.; Осуществите приём станции.; Запомните уровень громкости; Дорожная информация; Cвойства RDS; Индикатор PTY
- 42 Изменение языка для функции PTY; Предварительная установка типа программы
- 43 Настройка; Функция модели KRC-31; Режим настройки
- 44 Cвойства кассетного проигрывателя; Сторона ленты
- 45 Повтор проигрываемой песни.
- 46 Ускоренное передвижение вперёд; Ускоренное передвижение назад; Нажмите и держите кнопку [; Ускоренное передвижение вперёд и назад; Дисплей; Проигрыватель CD; Пауза и проигрывание; Проигрывание внешнего диска; Функции управления внешним диском; Номер диска
- 47 Произвольное проигрывание магазина; Произвольное проигрывание; Начните просмотр дорожек; Просмотр дорожек; Выбор диска, который Вы хотите прослушать.; Поиск дорожек; Повторное проигрывание; Повтор дорожки
- 48 Просмотр текста/названий; Повторите последовательности 5 – 6 и введите название.
- 49 Система меню; Индикатор AUTO
- 50 Установка бюллетеня новостей с тайм-аутом
- 52 Таймер отключения питания; Авто поиск TP
- 53 Принадлежности
- 54 Подсоединение кабелей к гнездам для подключения; Для автомобиля Фольксваген
- 55 Разъем A; Присоединение разъема ISO; Cтандартная настройка); Номера штырей; Аккумулятор
- 56 Подключения контакта регулятора мощности; Установка
- 58 Поиск и устранение неисправностей
- 59 Источник тюнера; Это не установленная громкость для дорожной информации.; Источник магнитофона; Не может вывести кассету.; Источник диска; Не происходит проигрывание определенной дорожки.
- 60 Поиск дорожки нельзя осуществить.
- 61 Технические характеристики; Диапазон частот (50 кГц пространственных)