Магнитолы Kenwood KDC-4027(V) - инструкция пользователя по применению, эксплуатации и установке на русском языке. Мы надеемся, она поможет вам решить возникшие у вас вопросы при эксплуатации техники.
Если остались вопросы, задайте их в комментариях после инструкции.
"Загружаем инструкцию", означает, что нужно подождать пока файл загрузится и можно будет его читать онлайн. Некоторые инструкции очень большие и время их появления зависит от вашей скорости интернета.

— 79 —
1
2
3
4
5
6
7
8
1
2
3
4
5
6
7
8
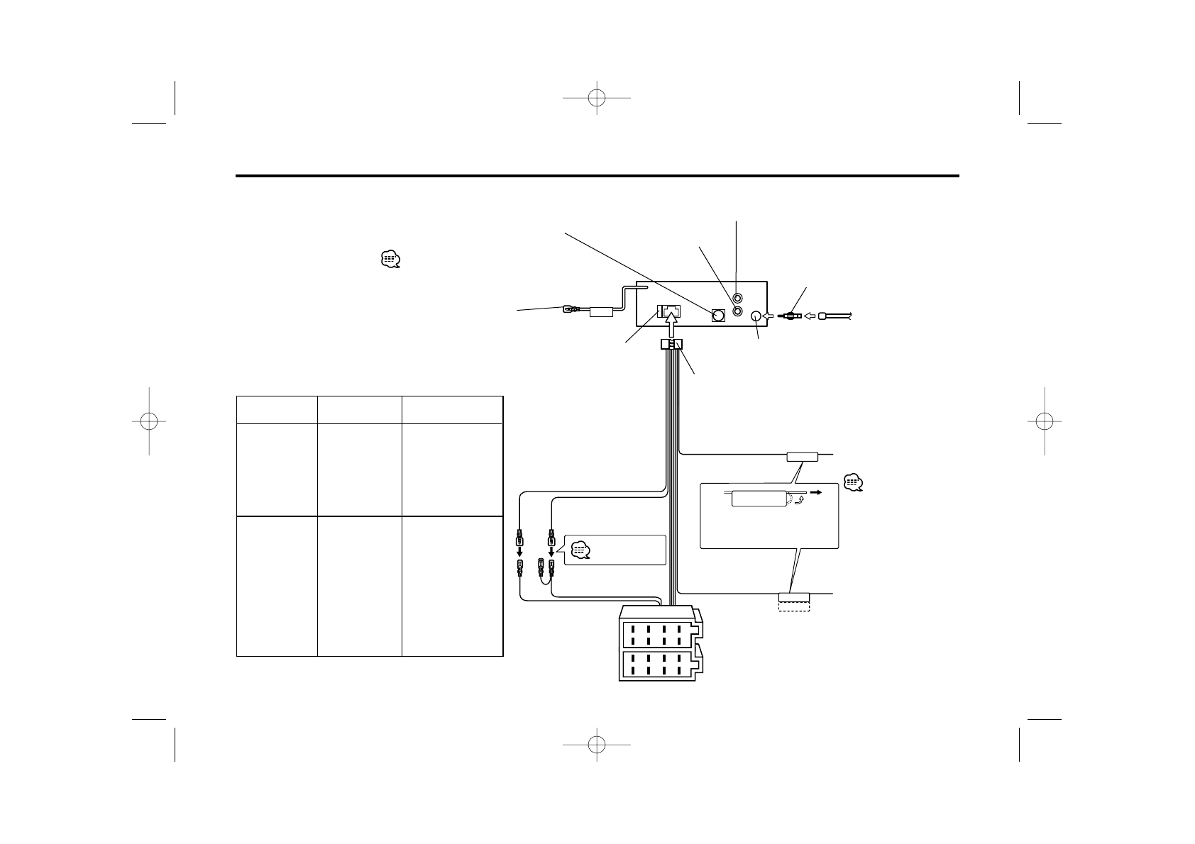
P.CONT
ANT.CONT
REAR
L
R
REMO.CONT
TEL MUTE
Zadní pravý
výstup (Rudá)
4
Zadní levý
výstup (Bílá)
10
Řídicí výstup pro měnič disků KENWOOD
(pouze KDC-4027/4027V)
14
Kabel k baterii (Žlutá)
6
Kabel k zapalování
(Rudá)
6
Anténní vstup
FM/AM
3
Anténní kabel (ISO)
1
Převodní anténní adapter (ISO-JASO)
(Příslušenství
3
)
2
Před připojením měniče disků si
přečtěte jeho návod k použití.
15
Před připojením
navigačního
zařízení KENWOOD
si prostudujte
příslušný návod k
obsluze.
22
Kabelový svazek
(Příslušenství
1
)
16
Jestliže nejsou připojeny,
nenechte kabely vyčnívat
zpod příchytky.
18
Kabel řízeného
napájení/motorické
antény (Modrá/Bílá)
20
Kabel umlčení TEL (Hnědá)
17
Při použití přídavného
výkonového zesilovače
připojte ke svorce
řízeného napájení nebo
ke svorce napájení
antény.
23
Připojte ke svorce, která je
uzemněna zazvoněním
telefonu nebo při
rozhovoru.
21
Špička A-7 (Rudá)
8
Špička A-4 (Žlutá)
9
Konektor A
Konektor B
Pojistka (10A)
13
Přehled funkcí konektoru
Číslo špičky
konektoru ISO
Bar va kabelu
Funkce
Konektor exter-
ního napájení
A–4
A–5
A–7
A–8
Reproduktorový
konektor
B–1
B–2
B–3
B–4
B–5
B–6
B–7
B–8
Žlutá
Modrá/Bílá
Rudá
Černá
Fialová
Fialová/černá
Šedá
Šedá/černá
Bílá
Bílá/černá
Zelená
Zelená/černá
Baterie
Řízené napájení
Zapalování (ACC)
Zemní (uzemňovací)
vodič
Zadní pravý (
+
)
Zadní pravý (
–
)
Přední pravý (
+
)
Přední pravý (
–
)
Přední levý (
+
)
Přední levý (
–
)
Zadní levý (
+
)
Zadní levý (
–
)
Připojování kabelů ke svorkám
Viz str. 80
K dálkovému řízení (Modrá/Žlutá)
(Volitelné příslušenství)
KDC-4027_3027_308_Czech 03.9.25 11:26 AM Page 79
Содержание
- 2 Cодержание; Функции управления CD/Внешним
- 3 Меры предосторожности
- 4 Затуманивание оптического стекла; Kнопку Cброс; Очистка выводов передней панели; ПРИМEЧАНИE; Kнопка Cброс
- 5 Не пользуйтесь аксессуарами для типа диска.; О CD
- 6 Громкость; Требуется источник; Тюнер; Как выбрать источник; Включение питания; Питание; Общие характеристики; Py; AM FM; Индикатор ATT; Kнопка освобождения
- 7 Управление аудио; System Q
- 8 Установка лицевой пластинки; Лицевая пластинка, предотвращающая кражу; При источнике тюнер; Переключение дисплея; ВЫКЛ; Установка акустической системы
- 9 Cвойства тюнера; Если поступает телефонный звонок; Отключение при звонке по телефону; SRC; Индикатор ST
- 10 Ввод авто память
- 11 Cвойства RDS; Вызов станций из памяти.; Настройка на предварительную установку; AM; Индикатор TI
- 12 Приём других станций, передающих дорожную информацию; Дорожная информация
- 13 Изменение языка для функции PTY; Предварительная установка типа программы
- 14 Проигрыватель CD; Проигрывание внешнего диска; Если CD вставлен; Проигрывание CD; Функции управления CD/Внешним диском; SCRL; Номер дорожки
- 15 Произвольное проигрывание; Повторное проигрывание; Повтор дорожки; Начните просмотр дорожек; Просмотр дорожек; Выбор диска, который Вы хотите прослушать.; Поиск дорожек; Ускоренное передвижение вперёд; Ускоренное передвижение вперёд и назад
- 16 Повторите последовательности 5 – 6 и введите название.; Просмотр текста/названий
- 17 Система меню; Индикатор AUTO
- 18 Подсветка на выбор; Синхронизация часов
- 19 Установка бюллетеня новостей с тайм-аутом
- 21 Отключает питание через 20 минут.; Таймер отключения питания; Установка показываемого на дисплее просмотра текста.
- 22 Внешний вид; Принадлежности
- 23 Разъем A; Подсоединение кабелей к гнездам для подключения
- 24 Установка; Volkswagen
- 25 Cнятие жесткой резиновой оправки; Cнятие аппарата
- 26 Поиск и устранение неисправностей
- 27 Источник тюнера; Это не установленная громкость для дорожной информации.; Источник диска; Не происходит проигрывание определенной дорожки.
- 28 Eod
- 29 Технические характеристики; Диапазон частот (50 кГц пространственных)












