Магнитолы Kenwood DDX155 - инструкция пользователя по применению, эксплуатации и установке на русском языке. Мы надеемся, она поможет вам решить возникшие у вас вопросы при эксплуатации техники.
Если остались вопросы, задайте их в комментариях после инструкции.
"Загружаем инструкцию", означает, что нужно подождать пока файл загрузится и можно будет его читать онлайн. Некоторые инструкции очень большие и время их появления зависит от вашей скорости интернета.

36
English
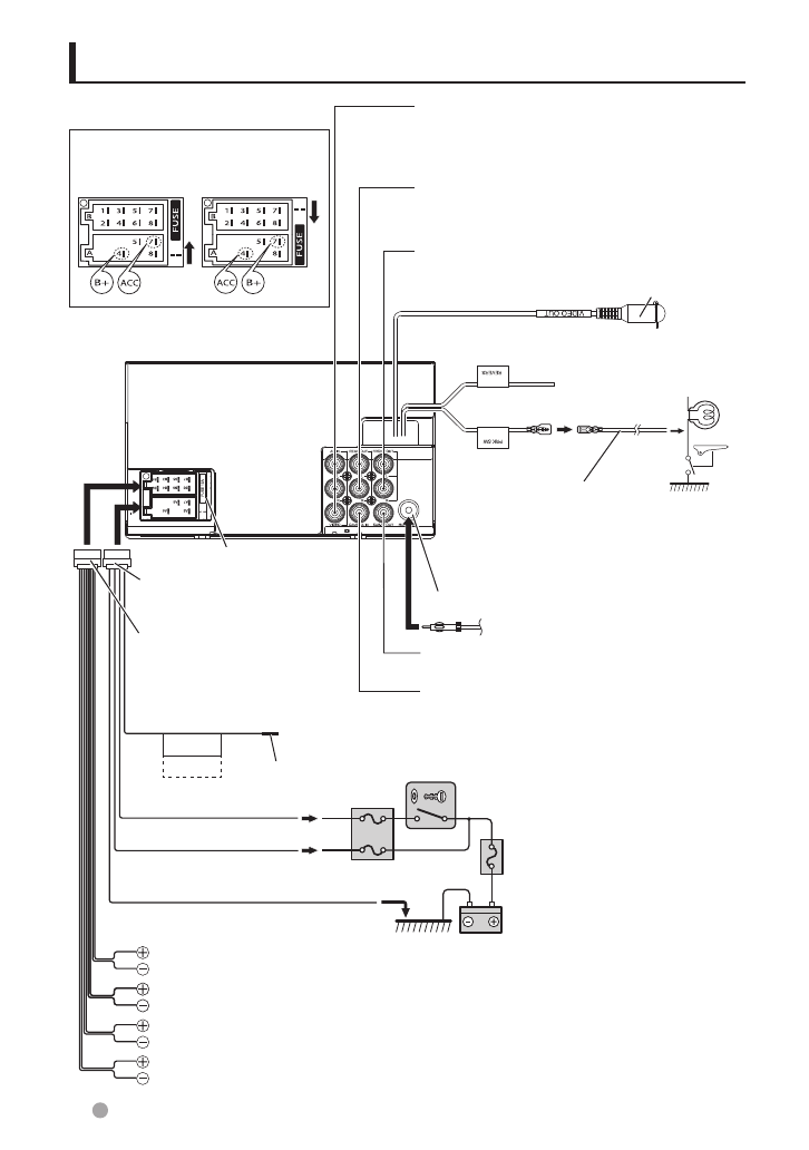
Connecting Wires to Terminals
P.CONT.
ANT.CONT.
Connect to vehicle's reverse
lamp harness when using the
optional rear view camera.
Light Green (Parking
sensor wire)
Connect to the vehicle's parking
brake detection switch harness.
For best safety, be sure to
connect the parking sensor.
⁄
Extension cable (Accessory
3
)
Antenna Cord
FM/AM antenna input
Accessory
1
(DDX1035/DDX1035M only)
FUSE ( 15A )
Blue/White (Power control/
Antenna control wire)
Yellow (Battery wire)
Red (Ignition wire)
White
ª
/ White/black
·
: To front speaker (left)
Gray
ª
/ Gray/black
·
: To front speaker (right)
Green
ª
/ Green/black
·
: To rear speaker (left)
Purple
ª
/ Purple/black
·
: To rear speaker (right)
Purple/White (Reverse
sensor wire)
Ignition key switch
ACC
Car fuse box
(Main fuse)
Subwoofer Preout (monaural)
Black (Ground wire)
·
( To car chassis)
Battery
Accessory
2
(DDX1035/DDX1035M only)
Video Output
Front Preout
• Audio left output ( White)
• Audio right output (Red)
Rear Preout
• Audio left output ( White)
• Audio right output (Red)
Rear View Camera Input (Yellow)
Audio Video input 1 (AV IN1)
• Video input (Yellow)
• Audio left input ( White)
• Audio right input (Red)
Change the FUSE location to switch
ACC and B+ pin location on the ISO
connector.
B+
To the power control terminal when using the optional power amplifier,
or to the antenna control terminal in the vehicle. (Max. 350mA, 12V )
If no connections are made, do not remove the cap.
Содержание
- 45 (для предотвращения несчастных; Сброс параметров устройства; Перед эксплуатацией
- 47 Обзор основного устройства; ВВЕДЕНИЕ
- 48 Обзор пульта дистанционного
- 50 Настройка часов
- 51 Вызов экрана управления источником; ОПЕРАЦИИ С ИСТОЧНИКОМ AV; Выбор источника воспроизведения
- 52 Извлечение диска; Операции с диском; Воспроизведение диска; Вставка диска
- 53 Типы воспроизводимых дисков
- 54 Операции воспроизведения
- 56 Операции в меню видео; Настройка функций
- 58 Воспроизведение с устройства USB; Операции с USB
- 61 Подготовка; Прослушивание с устройства iPod/; Настройки воспроизведения iPod; воспроизведения iPod/iPhone
- 62 Операции воспроизведения iPod/iPhone с данного
- 63 видео из меню
- 64 Прослушивание радио; Настройка радиостанций FM
- 65 Использование других внешних
- 66 Регулировка звука; Настройка предустановленного; Использование эквалайзера
- 67 Регулировка настроек звука; Настройка динамиков; Настройки СНЧ-динамика
- 68 Настройки воспроизведения видео; Регулировка экрана; Изменение соотношения; Масштабирование
- 69 Использование камеры заднего вида
- 70 Настройка системы
- 71 Регулировка положения
- 72 Конденсация влаги; Хранение диска в чистоте; СПРАВОЧНЫЕ МАТЕРИАЛЫ; Техническое обслуживание
- 73 Воспроизведение файлов MP3/WMA; Через аналоговые терминалы; Воспроизведение файлов; Воспроизведение файлов MPEG1/; Воспроизведение файлов JPEG; Дополнительная информация об этом
- 74 Поиск неисправностей; В случае неисправности
- 76 Принадлежности/процедура установки; Принадлежности
- 78 Подсоединение проводов к клеммам
- 79 iPhone
- 80 Установка устройства; Установка/удаление устройства; Установка отделочной; Снятие отделочной панели
- 81 Удаление устройства
- 82 Технические характеристики; Монитор