Магнитолы Kenwood DDX155 - инструкция пользователя по применению, эксплуатации и установке на русском языке. Мы надеемся, она поможет вам решить возникшие у вас вопросы при эксплуатации техники.
Если остались вопросы, задайте их в комментариях после инструкции.
"Загружаем инструкцию", означает, что нужно подождать пока файл загрузится и можно будет его читать онлайн. Некоторые инструкции очень большие и время их появления зависит от вашей скорости интернета.

120
Українська
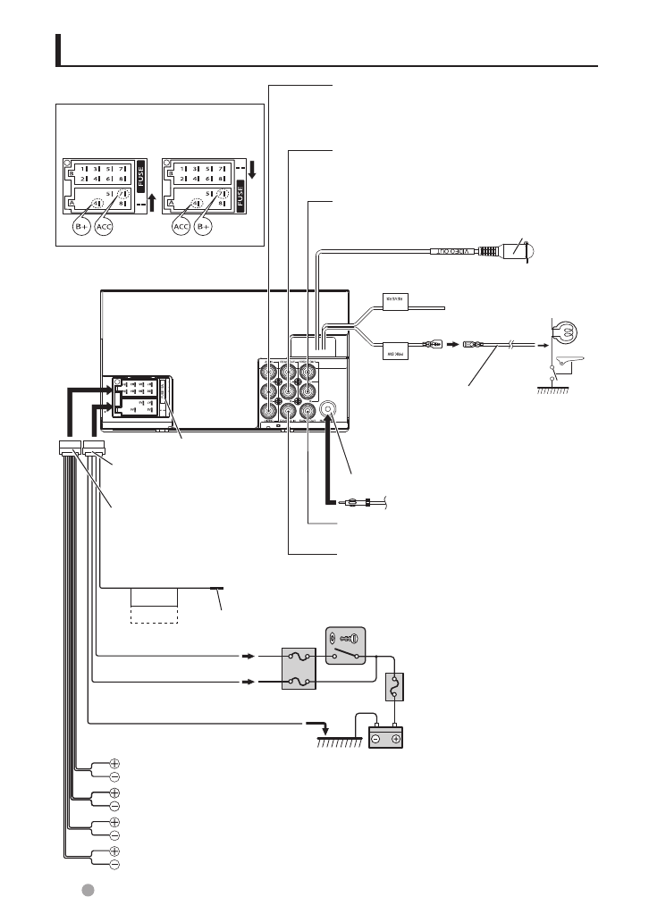
Підключення кабелів до роз'ємів
P.CONT.
ANT.CONT.
Під’єднайте до джгута проводів
ліхтаря заднього ходу автомобіля
у випадку використання камери
заднього виду (опція).
Світло-зелений (Провід
давача стоянкового
гальма)
Підключіть до джгута проводів
перемикача давача стоянкового
гальма автомобіля.
З міркувань безпеки обов'язково
підключіть давач стоянкового гальма.
⁄
Подовжуваний кабель
(додаткове приладдя
3
)
Кабель антени
Вхід антени FM/AM
Додаткове приладдя
1
(лише DDX1035/DDX1035M)
Запобіжник (15A)
Синій/білий (Провід контролю
живлення/управління антеною)
Жовтий (провід акумулятора)
Червоний (кабель запалювання)
Білий
ª
/ Білий/чорний
·
: До переднього динаміку (лівий)
Сірий
ª
/ Сірий/чорний
·
: До переднього динаміку (правий)
Зелений
ª
/ Зелений/чорний
·
: До заднього динаміку (лівий)
Пурпурний
ª
/ Пурпурний/чорний
·
: До заднього динаміку (правий)
Пурпуровий/білий (Провід
давача заднього ходу)
Замок запалювання
ACC
Коробка запобіжників
автомобілю
(Головний запобіжник)
Попередній вихід динаміка наднизьких
частот (монауральний)
Чорний (кабель заземлення)
·
(До шасі автомобілю)
Батарея
Додаткове приладдя
2
(лише DDX1035/DDX1035M)
Відеовихід
Передній попередній вихід
• Лівий аудіовхід (білий)
• Правий аудіовихід (червоний)
Задній попередній вихід
• Лівий аудіовхід (білий)
• Правий аудіовихід (червоний)
Вхід камери заднього виду (жовтий)
Аудіо/відео вхід 1 (AV IN1)
• Відеовхід (жовтий)
• Лівий аудіовхід (білий)
• Правий аудіовхід (червоний)
Змініть положення запобіжника
з ACC та B+ положення на роз'ємі
ISO.
B+
До клеми керування живленням під час використання додаткового підсилювача
потужності, або до клеми керування антеною в автомобілі. (макс. 350 мА, 12 В)
Якщо з'єднання не використовується, не знімайте кришку.
Содержание
- 45 (для предотвращения несчастных; Сброс параметров устройства; Перед эксплуатацией
- 47 Обзор основного устройства; ВВЕДЕНИЕ
- 48 Обзор пульта дистанционного
- 50 Настройка часов
- 51 Вызов экрана управления источником; ОПЕРАЦИИ С ИСТОЧНИКОМ AV; Выбор источника воспроизведения
- 52 Извлечение диска; Операции с диском; Воспроизведение диска; Вставка диска
- 53 Типы воспроизводимых дисков
- 54 Операции воспроизведения
- 56 Операции в меню видео; Настройка функций
- 58 Воспроизведение с устройства USB; Операции с USB
- 61 Подготовка; Прослушивание с устройства iPod/; Настройки воспроизведения iPod; воспроизведения iPod/iPhone
- 62 Операции воспроизведения iPod/iPhone с данного
- 63 видео из меню
- 64 Прослушивание радио; Настройка радиостанций FM
- 65 Использование других внешних
- 66 Регулировка звука; Настройка предустановленного; Использование эквалайзера
- 67 Регулировка настроек звука; Настройка динамиков; Настройки СНЧ-динамика
- 68 Настройки воспроизведения видео; Регулировка экрана; Изменение соотношения; Масштабирование
- 69 Использование камеры заднего вида
- 70 Настройка системы
- 71 Регулировка положения
- 72 Конденсация влаги; Хранение диска в чистоте; СПРАВОЧНЫЕ МАТЕРИАЛЫ; Техническое обслуживание
- 73 Воспроизведение файлов MP3/WMA; Через аналоговые терминалы; Воспроизведение файлов; Воспроизведение файлов MPEG1/; Воспроизведение файлов JPEG; Дополнительная информация об этом
- 74 Поиск неисправностей; В случае неисправности
- 76 Принадлежности/процедура установки; Принадлежности
- 78 Подсоединение проводов к клеммам
- 79 iPhone
- 80 Установка устройства; Установка/удаление устройства; Установка отделочной; Снятие отделочной панели
- 81 Удаление устройства
- 82 Технические характеристики; Монитор