Магнитолы Hyundai Electronics H-CDM8056 - инструкция пользователя по применению, эксплуатации и установке на русском языке. Мы надеемся, она поможет вам решить возникшие у вас вопросы при эксплуатации техники.
Если остались вопросы, задайте их в комментариях после инструкции.
"Загружаем инструкцию", означает, что нужно подождать пока файл загрузится и можно будет его читать онлайн. Некоторые инструкции очень большие и время их появления зависит от вашей скорости интернета.

8
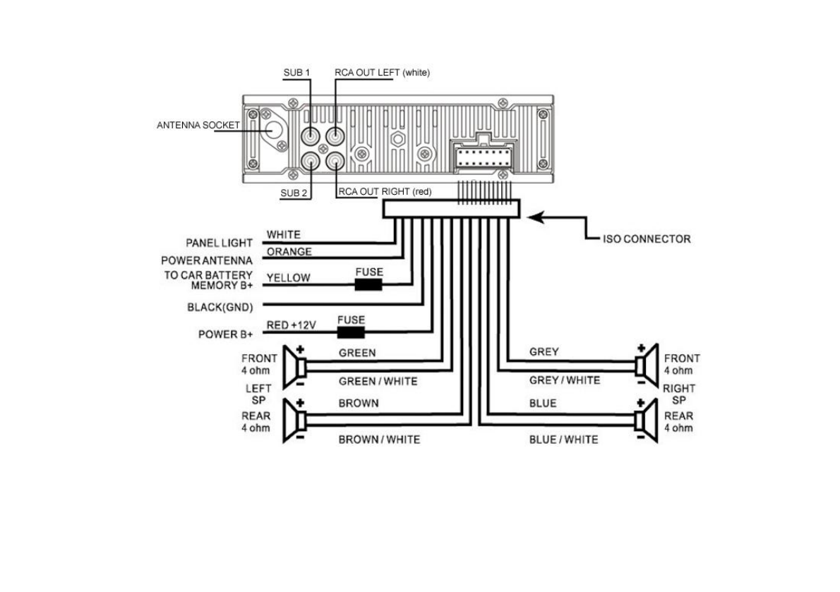
Connection diagram
Notes:
In spite of having any kinds of speaker system, must use 4 ohms impedance of speaker to reduce the distortion during high
volume level.
Prohibited to make the conductors of auto antenna and ground touch with each other.
Connect the Panel light panel to “+” of clearance lamp. When the lamp lights up, the panel lights up.
ISO speaker connection
