Магнитолы Alpine IVE-W585BT - инструкция пользователя по применению, эксплуатации и установке на русском языке. Мы надеемся, она поможет вам решить возникшие у вас вопросы при эксплуатации техники.
Если остались вопросы, задайте их в комментариях после инструкции.
"Загружаем инструкцию", означает, что нужно подождать пока файл загрузится и можно будет его читать онлайн. Некоторые инструкции очень большие и время их появления зависит от вашей скорости интернета.

86
-RU
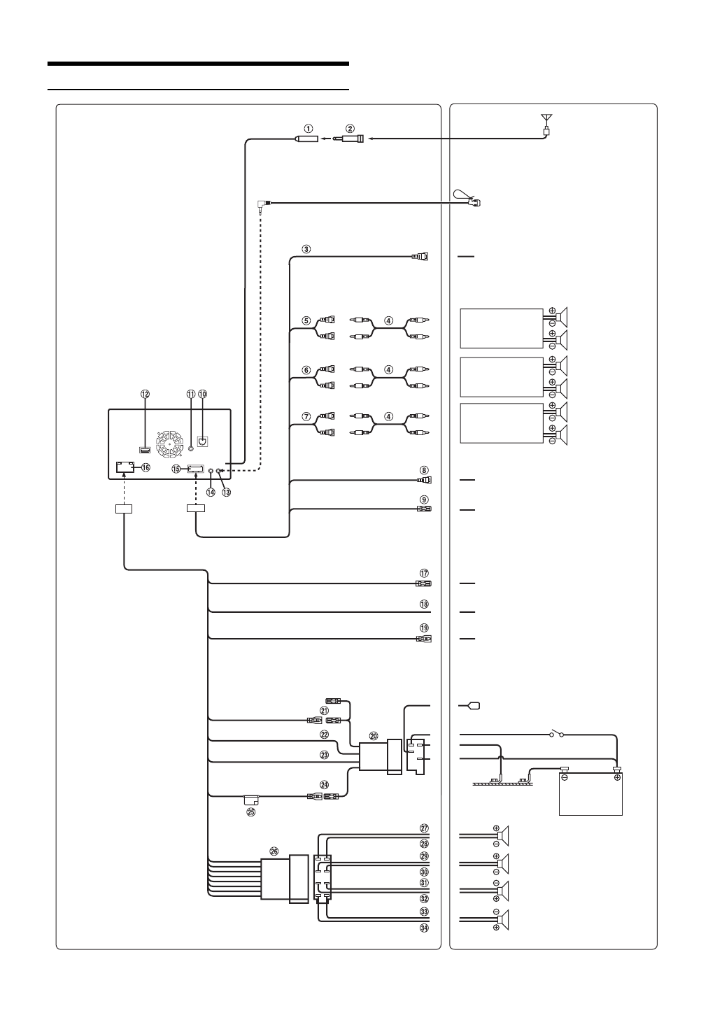
Соединения
К входному проводу ДУ
(Коричневый)
(Синий/Белый)
(Синий)
(Желтый/Синий)
(Желтый)
(Черный)
К усилителю или
эквалайзеру
Тыловой левый
REMOTE OUT
REMOTE TURN-ON
POWER ANT
PARKING BRAKE
BATTERY
GND
Антенный
ISO-разъем
IGNITION
(Красный)
К камере с выходным
разъемом RCA
К питанию антенны
К сигнальному проводу
стояночного тормоза
Аккуму
лятор
(Зеленый/черный)
Замок зажигания
AUX OUTPUT
Усилитель
Усилитель
Усилитель
Тыловой
левый
Тыловой
правый
Фронтальный
левый
Фронтальный
правый
Сабвуферы
К разъему входа заднего
монитора
(Желтый)
CAMERA
Микрофон (в комплекте)
(Зеленый)
Фронтальный левый
Фронтальный правый
Тыловой правый
(Белый/Черный)
(Белый)
(Серый)
(Серый/Черный)
(Фиолетовый)
(Фиолетовый/Черный)
Динамики
Антенна
К плюсовой клемме сигнального
провода лампочки заднего хода
автомобиля
(Оранжевый/Белый)
REVERSE
(Желтый)
Содержание
- 3 РУССКИЙ; Содержание; ПРЕДУПРЕЖДЕНИЕ
- 4 Настройка; Операция настройки
- 5 Работа с устройствами BLUETOOTH; Функция телефона “Свободные руки”; Дополнительное устройство
- 7 Инструкция по эксплуатации; НЕ РАЗБИРАТЬ И НЕ ИЗМЕНЯТЬ.
- 8 ПРИМЕЧАНИЕ
- 9 Принадлежности для дисков; Диски, воспроизводимые; Воспроизводимые диски
- 10 DualDisc; Советы по созданию собственных дисков; ALL
- 11 Терминология для дисков; Эксплуатация USB-накопителей; ВНИМАНИЕ
- 13 Комплектация
- 14 Настройка уровня громкости; Загрузка диска
- 15 Переключение источников; О кнопке “Настройка звука”; Функция отключения экрана
- 16 Управление касанием; Выбор пункта в списке; Об индикаторном дисплее
- 17 Прослушивание радио; Радио
- 18 RDS
- 19 Отображение радиотекста
- 20 случайной последовательности)
- 21 Поиск из текста CD
- 23 Воспроизведение диска; DVD
- 24 В случае отображения экрана меню
- 25 Остановка воспроизведения; Перемотка вперед/назад; Замедленное воспроизведение
- 27 Переключение угла просмотра; Выбор языка звуковой дорожки
- 28 Настройка язык; Настройка прокручивания; Настройки формата
- 29 Настройка Время; Настройка Защитный код; Настройка Отображение часов; Настройка формата времени
- 30 Настройки экрана/подсветки; Настройка яркости подсветки
- 31 Визуальные настройка; Переключение режима дисплея
- 32 Отображение информации об изделии
- 33 Операции Настройка звука; Звук в вашем автомобиле; Настройка звука
- 34 Настройка Quick Sound; Настройка уровня Bass/Treble
- 35 Настройка параметра BASS ENGINE SQ; Настройка уровня BASS ENGINE
- 38 Другая параметр; Настройка Defeat; Настройка громкости
- 39 сиденья
- 41 Настройка Диск; Настройка источника; Настройка языка меню DVD
- 42 Изменение установки кода страны; Изменение режима настроек экрана ТВ
- 43 Настройка Radio; Настройка Поиск PI
- 44 Настройка AUX; Настройка RSE; Настройка режима AUX; Настройка системы “Rear Seat Entertainment”
- 45 BLUETOOTH Setup
- 46 Настройка пароля; Настройка Громкость вызова
- 47 Удаление всех журналов; Настройка Камера
- 48 Настройка AUX Камера; Настройка входа Камера
- 51 Настройка перед использованием; О BLUETOOTH
- 52 Настройка громкости звукового сигнала
- 53 Набор номера из телефонной книги
- 54 Функция телефонной книги; Синхронизация телефонной книги
- 55 Удаление записей из телефонной книги
- 56 Функция ожидания вызова; Аудио BLUETOOTH
- 57 Воспроизведение; Повторное воспроизведение
- 60 Об операционном экране DVB-T
- 61 Использование ТV приемника; Переключение в режим TV
- 62 Запуск программы TuneIt App; Функция сообщений в Facebook
- 64 Проверка вида с задней камеры
- 66 Поиск нужной композиции; Поиск по тегу
- 70 Поиск нужного видеофайла; Функция пропуска по алфавиту
- 72 О дисках DVD; Информация
- 77 Если отображается сообщение
- 79 Технические характеристики
- 80 НЕ ЯВЛЯЕТСЯ ОТКАЗОУСТОЙЧИВЫМ.; CLASS 1
- 82 Установка и подключение; Предупреждение
- 83 Установка
- 86 Соединения
- 88 Пример системы