Магнитолы Alpine IVE-W535BT - инструкция пользователя по применению, эксплуатации и установке на русском языке. Мы надеемся, она поможет вам решить возникшие у вас вопросы при эксплуатации техники.
Если остались вопросы, задайте их в комментариях после инструкции.
"Загружаем инструкцию", означает, что нужно подождать пока файл загрузится и можно будет его читать онлайн. Некоторые инструкции очень большие и время их появления зависит от вашей скорости интернета.

98
-RU
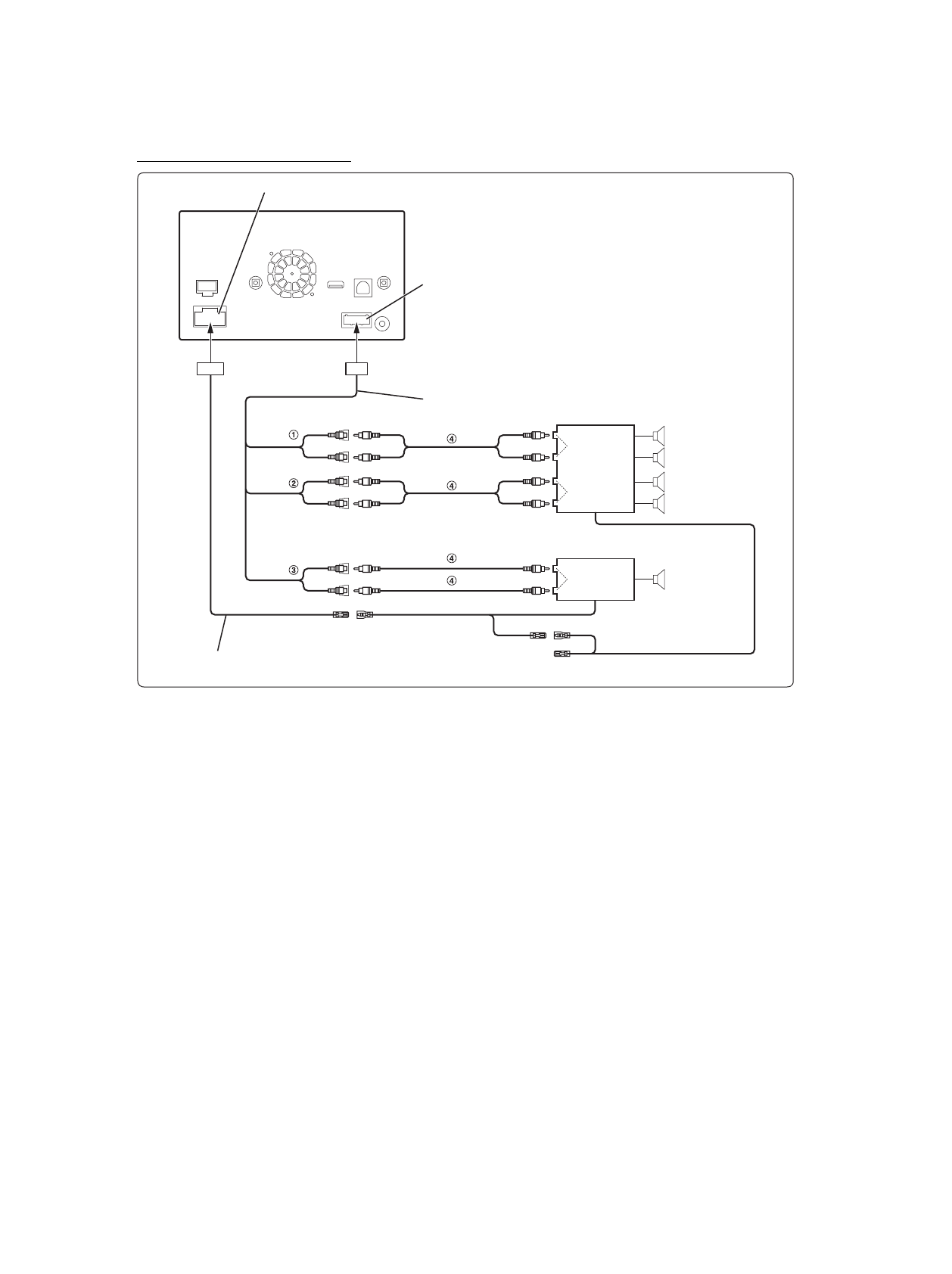
Подключение внешнего усилителя
1
Фронтальные выходные разъемы RCA
КРАСНЫЙ - для правого, БЕЛЫЙ - для левого.
2
Тыловые выходные разъемы RCA
КРАСНЫЙ - для правого, БЕЛЫЙ - для левого.
3
Разъем RCA сабвуфера
4
Кабельный удлинитель RCA (приобретается
дополнительно)
Разъем AUX/PRE OUT
Разъем источника питания
Кабель AUX/PRE OUT
(Красный)
(Белый)
4-х канальный усилитель (приобретается дополнительно)
Вход
Вход
Фронтальный динамик
Тыловой динамик
REMOTE TURN-ON
(Синий/Белый)
Кабель питания
Усилитель для сабвуфера (приобретается дополнительно)
Вход
Сабвуфер
(Красный)
(Белый)
REMOTE ON
(Синий/Белый)
REMOTE ON
(Синий/Белый)
(Красный)
(Белый)
Содержание
- 3 РУССКИЙ; Содержание; ПРЕДУПРЕЖДЕНИЕ
- 4 Операция настройки
- 5 Работа с устройствами BLUETOOTH; Функция телефона Hands-Free
- 6 Аудио BLUETOOTH; Дополнительное устройство
- 7 Воспроизведение в случайном порядке; Информация; Обновление программного
- 8 Инструкция по эксплуатации; НЕ РАЗБИРАТЬ И НЕ ИЗМЕНЯТЬ.; ПРЕДУПРЕЖДЕН
- 9 ПРИМЕЧАНИЕ
- 10 Принадлежности для дисков; Диски, воспроизводимые; Воспроизводимые диски
- 11 ALL
- 12 Терминология дисков; Обращение с USB-накопителями; ВНИМАНИЕ
- 14 Свойства
- 16 Приступая к работе
- 17 Включение системы
- 18 Настройка уровня громкости; Использование My Favorites; Загрузка диска
- 19 Регистрация пользователя
- 20 Настройка My Favorites; Добавление My Favorites
- 21 Отображение изображения камеры
- 23 Переключение источников
- 24 Управление касанием; Выбор пункта в списке; Функция отключения экрана
- 25 О дисплее индикатора
- 26 Прослушивание радио; Автоматическая предварительная; Вызов предварительно; Радио
- 27 Прием информации о ситуации; RDS
- 29 Воспроизведение; Повторное воспроизведение
- 30 Поиск из текста CD
- 32 Воспроизведение диска; DVD
- 33 В случае отображения экрана меню
- 35 Поиск нужного видеофайла
- 36 Переключение угла просмотра; Выбор языка звуковой дорожки
- 37 Настройка языка; Настройка; Настройки формата
- 38 Настройка Даты/Времени; Настройка датчика ДУ; Настройка защитного кода; Настройка отображения часов; Настройка времени; Настройка кода безопасности
- 39 Настройки экрана/подсветки; Визуальная настройка; Настройка подсветки дисплея; Изменение цвета дисплея
- 41 Настройка установки; Настройка качества изображения
- 42 Операции настройки звука; Настройка звука; Настройка баланса/фейдера
- 43 Настройка уровня MX (Media; Предварительные настройки; Настройка фазы сабвуфера
- 46 Настройка Defeat; Настройка громкости
- 49 Настройка диска; Настройка источника; Изменение настроек языка
- 50 Настройка языка субтитров; Изменение режима настроек экрана ТВ
- 51 Настройка радио; Настройка Поиска PI
- 52 Настройка AUX; Настройка RSE; Настройка режима AUX; Настройка AUX3
- 53 Операция настройки BLUETOOTH; Настройка BLUETOOTH
- 54 Настройка автоподключения
- 55 Настройка громкости приема
- 56 Операции настройки камеры; Настройка камеры прямого; Настройка камеры; Настройка входа камеры
- 57 Настройка камеры Aux
- 59 Настройка перед использованием; Работа с; О BLUETOOTH
- 60 Прием вызова; Настройка громкости рингтона
- 61 Функция телефонной книги; Функция повторного набора; Согласование телефонной книги
- 62 Удаление записей из телефонной книги
- 65 Работа внешнего DVD-плеера; Дополнительное
- 67 Работа ТВ приемника; Переключение в режим TV
- 69 Работа камеры заднего вида
- 71 Работа передней камеры
- 72 Работа камеры другого типа
- 74 Воспроизведение в случайном; Поиск по тегу
- 75 Выбор нужной папки
- 77 Поиск аудиофайла
- 79 О дисках DVD
- 86 Технические характеристики
- 87 НЕ ЯВЛЯЕТСЯ ОТКАЗОУСТОЙЧИВЫМ.; CLASS 1
- 89 Установка и соединения; Предупреждение
- 93 Соединения
- 95 Пример системы



