Магнитолы Alpine CDA-9885R - инструкция пользователя по применению, эксплуатации и установке на русском языке. Мы надеемся, она поможет вам решить возникшие у вас вопросы при эксплуатации техники.
Если остались вопросы, задайте их в комментариях после инструкции.
"Загружаем инструкцию", означает, что нужно подождать пока файл загрузится и можно будет его читать онлайн. Некоторые инструкции очень большие и время их появления зависит от вашей скорости интернета.

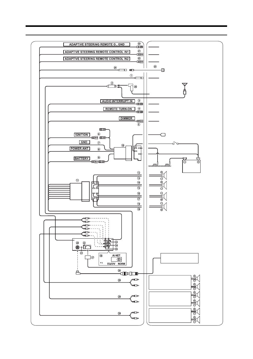
Ïîäñîåäèíåíèÿ
Àíòåííûé JASO
øòåêåð
Àíòåííà
Àíòåííûé ISO
øòåêåð
Ê ðàäèî òåëåôîíó
Ê óñèëèòåëþ èëè ýêâàëàéçåðó
Ê ïðîâîäó ïîäñâåòêè ïðèáîðîâ
Ê àâòîìàòè÷åñêîé àíòåííå
Çàìîê çàæèãàíèÿ
Àêêóìóëÿò.
áàòàðåÿ
Êðàñíûé
×åðíûé
Ñèíèé
Æåëòûé
Äèíàìèêè
Òûëîâîé ëåâûé
Ôðîíòàëüíûé ëåâûé
Ôðîíòàëüíûé ïðàâûé
Òûëîâîé ïðàâûé
Çåëåíûé
Çåëåíûé/×åðíûé
Áåëûé
Áåëûé/×åðíûé
Ñåðûé/×åðíûé
Ñåðûé
Ôèîëåò./×åðíûé
Ôèîëåòîâûé
Ñàáâóôåðû
Óñèëèòåëü
*
1
Ýòîò ñòèêåð ïðèêëååí ê îñíîâàíèþ ïðîèãðûâàòåëÿ
Óñèëèòåëü
Óñèëèòåëü
Òûëîâîé
ëåâûé
Òûëîâîé
ïðàâûé
Ôðîíò.
ëåâûé
Ôðîíò.
ïðàâûé
CD ÷åéíäæåð
(îïöèÿ)
Îðàíæåâûé
Ñèíèé/Áåëûé
Ðîçîâûé/×åðíûé
Êîðè÷íåâûé/
Æåëòûé
Êîðè÷íåâûé/
Îðàíæåâûé
Ê èíòåðôåéñó ðóëåâîãî ïóëüòà ÄÓ
Ê èíòåðôåéñó ðóëåâîãî ïóëüòà ÄÓ
Ê èíòåðôåéñó àâòîìîáèëüíîãî äèñïëåÿ
× å ð í û é
Äèíàìèêè
Ê iPod-ïëååðó
Ê èíòåðôåéñó ðóëåâîãî ïóëüòà ÄÓ
61