Loriot LTZ-6.0 S - Инструкция по эксплуатации

Loriot LTZ-6.0 S

Обогреватель Loriot LTZ-6.0 S - инструкция пользователя по применению, эксплуатации и установке на русском языке. Мы надеемся, она поможет вам решить возникшие у вас вопросы при эксплуатации техники.

Если остались дополнительные вопросы — свяжитесь с нами через контактную форму.

1 Страница 1
2 Страница 2
3 Страница 3
4 Страница 4
5 Страница 5
6 Страница 6
7 Страница 7
8 Страница 8
9 Страница 9
10 Страница 10
11 Страница 11
12 Страница 12
13 Страница 13
14 Страница 14
15 Страница 15
16 Страница 16
17 Страница 17
18 Страница 18
19 Страница 19
20 Страница 20
21 Страница 21
22 Страница 22
Страница: / 22
Загрузка инструкции

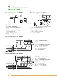
РУКОВОДСТВО ПО ЭКСПЛУАТАЦИИ

ВОЗДУШНЫЕ ЗАВЕСЫ

ЭЛЕКТРИЧЕСКИЕ СТАЦИОНАРНЫЕ

ГАРАНТИЙНЫЙ ТАЛОН

Перед началом эксплуатации прибора

внимательно изучите данное руководство

и храните его в доступном месте.

LORIOT LTZ-3.0 S

LORIOT LTZ-6.0 S

LORIOT LTZ-5.0 S

LORIOT LTZ-9.0 S

"Загрузка инструкции" означает, что нужно подождать пока файл загрузится и можно будет его читать онлайн. Некоторые инструкции очень большие и время их появления зависит от вашей скорости интернета.

Характеристики

Другие модели - Обогреватели Loriot

Все обогреватели Loriot