Страница 3 - iii; Содержание
iii Содержание Правовая информация и правила техники безопасности 1 Компоненты аппарата Компоненты фронтальной части принтера ......................... 1-2 Компоненты левой части принтера ...................................... 1-2 Внутренние компоненты ..................................................
Страница 5 - Copyright Notice; ВНИМАНИЕ
v Правовая информация и правила техники безопасности Примечание относительно программного обеспечения ПРОГРАММНОЕ ОБЕСПЕЧЕНИЕ , ИСПОЛЬЗУЕМОЕ В НАСТОЯЩЕМ ПРИНТЕРЕ , ДОЛЖНО ПОДДЕРЖИВАТЬ ЕГО РЕЖИМ ЭМУЛЯЦИИ . Настройки принтера , установленные на заводе изготовителем , позволяют эмулировать язык управле...
Страница 8 - viii; OpenSSL License; Copyright © 1998-2006 The OpenSSL Project. All rights reserved.
viii 9 Your exclusive remedy and the sole liability of Monotype Imaging in connection with the Software and Typefaces is repair or replacement of defective parts, upon their return to Monotype Imaging. 10 IN NO EVENT WILL MONOTYPE IMAGING BE LIABLE FOR LOST PROFITS, LOST DATA, OR ANY OTHER INCIDENTA...
Страница 11 - xi; Compliance and Conformity; Интерфейсные; ВАЖНО; ПРИМЕЧАНИЕ
xi Compliance and Conformity This equipment has been tested and found to comply with the limits for a Class B digital device, pursuant to Part 15 of the FCC Rules. These limits are designed to provide reasonable protection against harmful interference in a residential installation. This equipment ge...
Страница 12 - xii; Меры; ОПАСНОСТЬ
xii Меры безопасности Меры безопасности при работе с лазером Принтер сертифицирован как лазерное изделие класса 1 в соответствии со стандартом DHHS для излучающих установок и в соответствии с актом Radiation Control for Health and Safety Act 1968 г . Это значит , что принтер не создает опасного лазе...
Страница 13 - xiii; Этикетки
xiii Этикетки с предостережениями На принтере наклеены следующие этикетки . ECOSYS P7035cdn Этикетки внутри принтера ( Предупреждение об опасном лазерном излучении ) Внутри аппарата высокая температура . Во избежание ожогов не дотрагивайтесь до компонентов в этом отсеке аппарата .
Страница 14 - xiv; CDRH; Внимание; ДЕКЛАРАЦИЯ
xiv Правила CDRH 2 августа 1976 г . CDRH ввел правила эксплуатации лазерных изделий . Эти правила распространяются на лазерные изделия , произведенные позднее 1 августа 1976 г . Для изделий , продаваемых в США , соответствие этим правилам обязательно . На изделиях , продаваемых в США , обязательно н...
Страница 15 - xv
xv Заявление о соответствии Департамента связи Канады Данное цифровое изделие класса B соответствует стандарту ICES- 003. Avis de conformit aux normes du ministre des Communications du Canada Cet appareil numrique de la classe B est conforme la norme NMB-003 du Canada. EN ISO 7779 Maschinenlärminfor...
Страница 16 - xvi; Функция; малой
xvi Функция управления энергосбережением Данный аппарат оснащен режимом малой мощности , в котором по истечении определенного времени с момента последнего действия устройства снижается его энергопотребление , а также режимом ожидания , в котором функции печати остаются в состоянии готовности к приме...
Страница 17 - xvii; Energy Star (ENERGY STAR
xvii Более подробную информацию по рекомендуемым типам бумаги можно получить у представителя сервисной службы или у торгового представителя . Преимущества использования функции " управления режимом питания " для окружающей среды Для снижения энергопотребления в случае простоя аппарат оснащен...
Страница 18 - xviii; Окружающая
xviii Меры предосторожности при установке Окружающая среда Другие меры предосторожности Неблагоприятные условия окружающей среды негативно сказываются на безопасной эксплуатации принтера и его функционировании . Устанавливайте в помещении с кондиционером ( рекомендуемая комнатная температура ): прим...
Страница 19 - xix; Другие; ПРЕДУПРЕЖДЕНИЕ
xix Энергоснабжение / заземление принтера Другие меры предосторожности Шнур питания аппарата следует подключать к ближайшей сетевой розетке . Меры предосторожности при обращении с пластиковыми мешками ПРЕДУПРЕЖДЕНИЕ Подключайте аппарат только к источнику питания с напряжением , соответствующим напря...
Страница 20 - xx
xx Меры предосторожности при эксплуатации Меры предосторожности при эксплуатации принтера • Не ставьте на принтер и рядом с ним металлические предметы и сосуды с водой ( вазы с цветами , цветочные горшки , чашки и т . д .). Попадание воды или предметов внутрь принтера может привести к возгоранию или...
Страница 21 - xxi
xxi компонентов аппарата рекомендуем обратиться к представителю сервисной службы . Очистку внутренних компонентов рекомендуется проводить до начала сезона с повышенной влажностью . По вопросам стоимости процедур очистки внутренних компонентов принтера обращайтесь к представителю сервисной службы . Д...
Страница 23 - xxiii
xxiii Пожалуйста , примите во внимание , что в случае если пользователь решит использовать неоригинальный ( контрафактный или совместимый ) тонер , то мы не гарантируем надлежащую работу устройства . Мы не проводили тестирования тонеров , изготовленных другими производителями , в связи с чем мы не м...
Страница 25 - Компоненты
Компоненты аппарата 1-1 1 Компоненты аппарата Глава содержит объяснения и рисунки , знакомящие пользователя с компонентами аппарата и их функциями . Для правильной работы и оптимальной производительности аппарата постарайтесь запомнить названия его компонентов и их функции . В этой главе рассматрива...
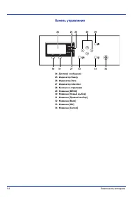
Страница 28 - Панель; Ready
1-4 Компоненты аппарата Панель управления 24 Дисплей сообщений 25 Индикатор Ready 26 Индикатор Data 27 Индикатор Attention 28 Кнопки со стрелками 29 Клавиша [MENU] 30 Клавиша [ Левый выбор ] 31 Клавиша [ Правый выбор ] 32 Клавиша [Back] 33 Клавиша [OK] 34 Клавиша [Cancel] 24 25 26 27 28 29 33 30 31 ...
Страница 29 - Операции; этой; Command Center RX
Операции печати 2-1 2 Операции печати В этой главе рассматриваются следующие темы . Изменение параметров сетевого интерфейса 2-2 Печать страницы состояния 2-4 Command Center RX 2-4 Установка драйвера принтера 2-13 Печать из прикладных программ 2-21 Печать с помощью AirPrint 2-22 Status Monitor 2-23 ...
Страница 30 - Изменение; Примечание; Меню
2-2 Операции печати Изменение параметров сетевого интерфейса Указанный принтер поддерживает протоколы TCP/IP, TCP/IP (IPv6), NetWare, AppleTalk, IPP, протокол сервера SSL, IPSec и уровень безопасности Security Level. В приведенной ниже таблице указываются элементы настроек по указанным протоколам . ...
Страница 31 - выключите
Операции печати 2-3 Безопасность Защита сети WSD-PRINT Вкл ./ выкл . Расширенный WSD Вкл ./ выкл . EnhancedWSD (SSL) Вкл ./ выкл . IPP Вкл ./ выкл . Настройка SSL SSL Вкл ./ выкл . IPP через SSL Вкл ./ выкл . HTTPS Вкл ./ выкл . IPSec Вкл ./ выкл . Интерфейс LAN Auto/10BASE-Half/10BASE-Full/100BASE-...
Страница 32 - Печать; Admin
2-4 Операции печати Печать страницы состояния После выполнения всех сетевых настроек следует напечатать страницу состояния . Эта страница дает возможность подтвердить ряд данных , включая сетевые адреса и протоколы . Чтобы напечатать страницу состояния , выберите ПЕЧАТЬ СТРАНИЦЫ СОСТОЯНИЯ в меню « П...
Страница 33 - Доступ; SNMP
Операции печати 2-5 Доступ к Command Center RX 1 Запустите Web- обозреватель . 2 В строке адреса или расположения введите IP- адрес аппарата или имя хоста . Пример : https://192.168.48.21/ ( для IP- адреса ) https://P001 ( для имени хоста P001) На веб - странице отображается основная информация об а...
Страница 36 - Настройки
2-8 Операции печати Настройки электронной почты После настройки параметров SMTP можно отправлять уведомления о выполненных заданиях по электронной почте . Для использования указанной функции необходимо подсоединить аппарат к почтовому серверу с использованием протокола SMTP. Кроме того , проверьте н...
Страница 39 - Регистрация
Операции печати 2-11 Регистрация пользовательского ящика В Command Center RX существует возможность регистрации пользовательских ящиков . 1 Для получения доступа к Command Center RX см . Доступ к Command Center RX на стр . 2-5 . 2 В меню Ящик для документов выберите Пользовательский ящик . 3 Щелкнит...
Страница 41 - Установка; Экспресс
Операции печати 2-13 Установка драйвера принтера Прежде чем начать установку драйвера печати с DVD-ROM диска , проверьте подключение принтера к сети и к ПК . Для печати данных , созданных в приложении , требуется драйвер принтера . Для получения более подробной информации о драйвере принтера см . ру...
Страница 44 - Пользовательская
2-16 Операции печати Пользовательская установка Ниже приведен пример процедуры по установке программного обеспечения в Windows 7 с помощью Пользовательской установки . 1 Вставьте DVD-ROM. 2 Нажмите Просмотр лицензионного соглашения и прочитайте Лицензионное соглашение . Нажмите Принять . 3 Выберите ...
Страница 46 - Macintosh; KPDL
2-18 Операции печати Деинсталляция программного обеспечения Для удаления программного обеспечения с компьютера выполните следующие указания . 1 Чтобы открыть мастер деинсталляции , в Windows нажмите кнопку Пуск и выберите Все программы , Kyocera и Удалить Kyocera Product Library . 2 Отметьте флажком...
Страница 51 - Состояние
Операции печати 2-23 Status Monitor Мониторы Status Monitor контролируют состояние принтера и обеспечивает функцию текущей отчетности . Доступ к Status Monitor Status Monitor также включается при запуске процесса печати . Выход из Status Monitor Для выхода из Status Monitor используйте любой из двух...
Страница 53 - Вкладка; Контекстное; уведомление; Выход
Операции печати 2-25 Вкладка уведомлений При возникновении ошибки отображается соответствующее уведомление ( в виде трехмерного изображения и сообщения ). Контекстное меню Status Monitor При щелчке на пиктограмме настроек отображается описанное ниже меню . • Command Center RX Если принтер подключен ...
Страница 55 - Функции; Режим
Операции печати 2-27 Функции энергосбережения Режим малой мощности По прошествии определенного временного промежутка отсутствия активности принтера (1 мин по заводским настройкам ) принтер автоматически перейдет в режим малой мощности . При этом отключатся освещение и подсветка дисплея сообщений , а...
Страница 57 - Уход
Уход и обслуживание 3-1 3 Уход и обслуживание В этой главе рассматриваются следующие темы . Общая информация 3-2 Замена картриджа с тонером 3-2 Замена бункера отработанного тонера 3-7 Очистка принтера 3-9
Страница 58 - Общая; Периодичность
3-2 Уход и обслуживание Общая информация В главе описываются основные операции по обслуживанию принтера . Следующие компоненты заменяются в соответствии с сообщениями на дисплее принтера : • Комплекты тонера • Бункер для отработанного тонера Кроме того , периодически следует очищать следующие детали...
Страница 59 - Комплекты
Уход и обслуживание 3-3 Комплекты тонера Для достижения наилучших результатов рекомендуется применять только подлинные изделия и расходные материалы компании Kyocera. Поставляются комплекты тонера 4 разных цветов : голубой , пурпурный , желтый и черный . Новый комплект тонера для каждого цвета содер...
Страница 60 - Очистка; KYOCERA Document Solutions Inc.
3-4 Уход и обслуживание Замена картриджа с тонером В этом разделе объясняется , как заменить картриджи с тонером . При замене картриджа с тонером любого из цветов всегда одновременно с ним заменяйте и бункер для отработанного тонера . Если этот бункер заполнен , принтер может быть поврежден или загр...
Страница 63 - Замена
Уход и обслуживание 3-7 Замена бункера отработанного тонера Замените сосуд для отработанного тонера , когда появится сообщение Проверьте контейнер д / отраб . тонера . Новый бункер для отработанного тонера включен в комплект тонера . Бункер для отработанного тонера необходимо заменить перед использо...
Страница 67 - Поиск
Поиск и устранение неисправностей 4-1 4 Поиск и устранение неисправностей В этой главе рассматриваются следующие темы . Общие инструкции 4-2 Проблемы с качеством печати 4-4 Сообщения об ошибках 4-7 Извлечение замятой бумаги 4-16 Если неисправность устранить не удается , обратитесь к специалисту по т...
Страница 68 - Общие
4-2 Поиск и устранение неисправностей Общие инструкции В таблице ниже приведены основные способы устранения неисправностей , которые могут возникнуть в ходе эксплуатации принтера . Перед тем как обратиться в сервисную службу , рекомендуем сначала ознакомиться с этой таблицей . Проблема Проверить Мер...
Страница 69 - Советы
Поиск и устранение неисправностей 4-3 Советы Неисправности принтера можно легко устранить , воспользовавшись следующими советами . При возникновении неисправности , которую не удалось устранить с помощью представленных выше инструкций , попробуйте выполнить следующие операции : • Выключите питание п...
Страница 70 - Проблемы
4-4 Поиск и устранение неисправностей Проблемы с качеством печати В таблицах и на рисунках в следующих разделах описаны неисправности , связанные с качеством печати , и меры по их устранению . Для некоторых решений может потребоваться очистка или замена деталей принтера . Если предлагаемые меры не п...
Страница 73 - Сообщения; Сообщение
Поиск и устранение неисправностей 4-7 Сообщения об ошибках Ниже в таблице приведены сообщения об ошибках и об уходе за аппаратом , с которыми пользователь может разобраться самостоятельно . При появлении сообщения Сбой аппарата . Вызовите сервисный персонал выключите принтер , отсоедините шнур питан...
Страница 76 - ОК; ОК
4-10 Поиск и устранение неисправностей Невозможно произвести обмен данными между контроллером принтера и панелью управления . Выключите принтер и отключите его от сети электропитания . Затем обратитесь к сервисному персоналу или в уполномоченный сервисный центр . Соответствующие телефонные номера мо...
Страница 80 - A5
4-14 Поиск и устранение неисправностей Произошла ошибка устройства памяти , подключенного через USB. Чтобы вернуть принтер в состояние готовности к печати , нажмите [ ОК ] . Посмотрите на код ошибки , размещенный в ## , и обратитесь к Коды ошибок , связанных с хранением данных на странице 4-15 . Что...
Страница 81 - Коды
Поиск и устранение неисправностей 4-15 Коды ошибок , связанных с хранением данных Ошибки SSD- диска Ошибки модуля памяти USB Ошибки диска RAM Код Описание 03 SSD- диск защищен от записи с помощью команды . Снимите защиту от записи , используя команду . 04 На SSD- диске нет места . Удалите ненужные ф...
Страница 82 - Извлечение; ЗАСТР; Места; Бумага
4-16 Поиск и устранение неисправностей Извлечение замятой бумаги Если бумага застряла в системе подачи бумаги или подача бумаги не производится , появляется сообщение ЗАСТР . БУМАГИ с указанием места , где застряла бумага ( того компонента , в котором застряла бумага ). При появлении этого сообщения...
Страница 86 - Застревание
4-20 Поиск и устранение неисправностей Застревание бумаги в кассете 2 ( до 5) Бумага замята в дополнительной кассете . Извлеките замятую бумагу , выполнив приведенную ниже процедуру . Извлеките дополнительную кассету для бумаги и удалите замятую бумагу .
Страница 87 - Приложение; Технические
A-1 Приложение В данной главе представлены подробные сведения о всех доступных интерфейсах , описание дополнительного аппаратного обеспечения , которое может быть установлено на принтере , а также технические характеристики принтера . Технические характеристики A-2 Узнать о доступности опций можно у...
Страница 88 - Параметр
A-2 Технические характеристики Примечание Технические характеристики могут быть изменены без уведомления . Параметр Описание Технология печати Электрофотографическая четырехцветная печать (CMYK) с использованием системы сдвоенных барабанов (4) Скорость печати A4: 35 отп / мин A5/B5/A6: 37 отп / мин ...
Страница 91 - Алфавитный
Алфавитный указатель -1 Алфавитный указатель Б Бункер для отработанного тонера . . . . . . . . . . . . . . . . . . 1-2 Замена . . . . . . . . . . . . . . . . . . . . . . . . . . . . . . . . . . . . . 3-7 В Верхняя крышка . . . . . . . . . . . . . . . . . . . . . . . . . . . . . . . . 1-2 Выключатель...