Страница 27 - Перед установкой и эксплуатацией
27 РУССКИЙ ПАСПОРТ ТЕХНИЧЕСКОГО ИЗДЕЛИЯ Микроволновая печь HMW 655 X 1. О Б РА Щ Е Н И Е К П О КУ П АТ Е Л Я М Уважаемый покупатель! Благодарим Вас за приобретение микроволновой печи! Пожалуйста, внимательно изучите данную инструкцию — это позволит Вам обеспечить максимальную эф- фективность при исп...
Страница 28 - УСТАНОВКА
28 ПАСПОРТ ТЕХНИЧЕСКОГО ИЗДЕЛИЯ РУССКИЙ Микроволновая печь HMW 655 X Во время работы прибора его внутренняя камера сильно нагре-вается. Не прикасайтесь к нагрева-тельным элементам внутри прибора. Помещая в прибор или извлекая из него посуду или аксессуары, всегда используйте кухонные рукавицы. В...
Страница 29 - ОЧИСТКА
29 РУССКИЙ ПАСПОРТ ТЕХНИЧЕСКОГО ИЗДЕЛИЯ Микроволновая печь HMW 655 X чивать из гнезд), частотно импульсные выключатели и контакторы. Установленные устройства должны обеспечивать защиту от слу-чайного прикосновения к электропро-водникам ВНИМАНИЕ: прибор должен быть заземлен. ОЧИСТКА Прибор след...
Страница 30 - Опасность короткого замыка-
30 ПАСПОРТ ТЕХНИЧЕСКОГО ИЗДЕЛИЯ РУССКИЙ Микроволновая печь HMW 655 X чрезмерными для нагрева небольшо- го количества пищи. Например, булоч- ка может сгореть через 3 минуты, если выбрана слишком большая мощность. Для приготовления тостов ис- пользуйте только функцию Гриль, и все время держите печь ...
Страница 31 - З А Щ И ТА О К Р УЖ А Ю Щ Е Й
31 РУССКИЙ ПАСПОРТ ТЕХНИЧЕСКОГО ИЗДЕЛИЯ Микроволновая печь HMW 655 X они могут загореться при включении печи. Не используйте печь для хране- ния продуктов. Не используйте печь для жарки, поскольку невозможно контролиро- вать температуру масла при нагреве его микроволнами.» Не наклоняйтесь и не...
Страница 32 - О П И СА Н И Е М И К Р О В О Л Н О В О Й П Е Ч И
32 ПАСПОРТ ТЕХНИЧЕСКОГО ИЗДЕЛИЯ РУССКИЙ Микроволновая печь HMW 655 X О П И СА Н И Е М И К Р О В О Л Н О В О Й П Е Ч И 1. Стекло дверцы 7. Кнопка открывания 2. Фиксаторы 8. Место для вращающегося основания 3. Кварцевый гриль 9. Вращающееся основание 4. Слюдяные крышки 10. Суппорт вращающегося основан...
Страница 33 - Описание функций кнопок
33 РУССКИЙ ПАСПОРТ ТЕХНИЧЕСКОГО ИЗДЕЛИЯ Микроволновая печь HMW 655 X Описание функций кнопок Символ Описание Мощность Продукты Микро- волновая печь 160W Медленное размораживание деликатных продуктов; поддержание пищи в подогретом состоянии. 320W Приготовление с небольшим нагревом; кипяче- ние риса. ...
Страница 35 - Г Р И Л Ь
35 РУССКИЙ ПАСПОРТ ТЕХНИЧЕСКОГО ИЗДЕЛИЯ Микроволновая печь HMW 655 X включается в микроволновом режиме с максимальной мощностью и работа- ет в течение 30 с. 2. Если вы хотите увеличить время работы микроволновой печи, нажмите кнопку Пуск (4) еще раз. Каждый раз, когда вы нажимаете эту кнопу (4), вре...
Страница 36 - На дисплее вы увидите мигающее значение веса (например, « 0,1 » по; Программа; РА З М О Р О З К А П О В Р Е М Е Н И (Н АС Т Р О Й К А В Р У Ч Н У Ю); ПО ВРЕМЕНИ
36 ПАСПОРТ ТЕХНИЧЕСКОГО ИЗДЕЛИЯ РУССКИЙ Микроволновая печь HMW 655 X ПЕРЕКЛЮЧАТЕЛЬ, программа « P01 » будет выбрана по умолчанию.) Подтверди- те выбор, нажав КЛАВИШУ МОЩНОСТЬ / ВЕС (3). 3. На дисплее вы увидите мигающее значение веса (например, « 0,1 » по умолчанию) и индикатор веса «кг». Укажите ве...
Страница 38 - Процедура сохранения
38 ПАСПОРТ ТЕХНИЧЕСКОГО ИЗДЕЛИЯ РУССКИЙ Микроволновая печь HMW 655 X параметров (время и мощность). Од- нако вы можете использовать данную опцию только с основными функция- ми: Микроволновая печь, Гриль и Ми- кроволновая печь + Гриль. Процедура сохранения параметров в памяти: (См. рис. 1) 1. Нажмите...
Страница 40 - Комбинированные функции
40 ПАСПОРТ ТЕХНИЧЕСКОГО ИЗДЕЛИЯ РУССКИЙ Микроволновая печь HMW 655 X Комбинированные функции Для использования с функцией ми- кроволны + гриль посуда должны быть пригодна как для микроволн, так и для гриля. Алюминиевые контейнеры и фольга Полуфабрикаты в алюминиевых контейнерах или завернутые в алю-...
Страница 41 - Таблица посуды; ходящей для каждой конкретной ситуации.
41 РУССКИЙ ПАСПОРТ ТЕХНИЧЕСКОГО ИЗДЕЛИЯ Микроволновая печь HMW 655 X Таблица посуды В следующей таблице приведены общие рекомендации по типу посуды, под- ходящей для каждой конкретной ситуации. Режим работы Тип посуды Микроволны Гриль Микроволны + Гриль Разморозка / нагрев Готовка Стекло и фарфор 1)...
Страница 43 - абразивные чистящие вещества или
43 РУССКИЙ ПАСПОРТ ТЕХНИЧЕСКОГО ИЗДЕЛИЯ Микроволновая печь HMW 655 X абразивные чистящие вещества или острые предметы. Не снимайте крыш- ки во избежание какого-либо риска. УС Т РА Н Е Н И Е П Р О Б Л Е М Печь не работает надлежащим образом: правильно ли вставлена вилка в розетку? полностью ли за...
Страница 44 - Т Е Х Н И Ч Е С К И Е Х А РА КТ Е Р И С Т И К И
44 ПАСПОРТ ТЕХНИЧЕСКОГО ИЗДЕЛИЯ РУССКИЙ Микроволновая печь HMW 655 X Т Е Х Н И Ч Е С К И Е Х А РА КТ Е Р И С Т И К И Спецификации Питающее напряжение переменного тока ...................... (см. паспортную табличку) Плавкий предохранитель ......................................................... 8 А...
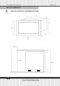
Страница 45 - Микроволновая печь
45 РУССКИЙ ПАСПОРТ ТЕХНИЧЕСКОГО ИЗДЕЛИЯ Микроволновая печь HMW 655 X Внимание! Микроволновая печь может быть завернута в защитную пленку. Перед первым включением печи аккуратно снимите данную плен- ку, начиная с нижней части. Для того, чтобы обеспечить над- лежащую вентиляцию для прибора, установите...
Страница 48 - Обозначения дня изготовления (6) приведены в следующей таблице:
48 ПАСПОРТ ТЕХНИЧЕСКОГО ИЗДЕЛИЯ РУССКИЙ Микроволновая печь HMW 655 X Знак Таможенного союза Страна происхождения Португалия Наименование компании-изготовителя Teka Portugal S.A. Адрес компании-изготовителя Estrada da Mota, Gafanha da Encarnacao, 3830-453, Ильяву, Португалия Импортер в России ОООО «Э...
Страница 50 - О О О «КУ П П Е Р С Б Е Р Г-С Е Р В И С»; УС ТА Н О В КА, ГА РА Н Т И Й Н О Е И П О С Т ГА РА Н Т И Й Н О Е О Б С Л УЖ И В А Н И Е; Телефон горячей линии Kuppersberg:; Полный список авторизованных сервисных центров Kuppersberg; УСЛОВИЯ ГАРАНТИИ
50 О О О «КУ П П Е Р С Б Е Р Г-С Е Р В И С» УС ТА Н О В КА, ГА РА Н Т И Й Н О Е И П О С Т ГА РА Н Т И Й Н О Е О Б С Л УЖ И В А Н И Е П О М О С К В Е И М О С КО В С КО Й О Б Л АС Т И +7 (495) 236-90-67 Телефон горячей линии Kuppersberg: 8 (800) 250-17-18 (Звонки для всех регионов бесплатные). Ч...