Котел ZOTA LUX ZL 80 - инструкция пользователя по применению, эксплуатации и установке на русском языке. Мы надеемся, она поможет вам решить возникшие у вас вопросы при эксплуатации техники.
Если остались вопросы, задайте их в комментариях после инструкции.
"Загружаем инструкцию", означает, что нужно подождать пока файл загрузится и можно будет его читать онлайн. Некоторые инструкции очень большие и время их появления зависит от вашей скорости интернета.

стр.9
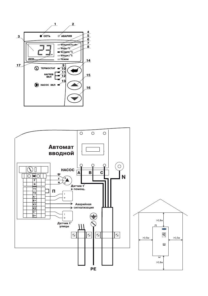
1 - Индикатор напряжения сети
2 - Индикатор аварийных режимов
3 - Цифровой индикатор
4 - Индикатор режима отображения
мощности водонагревателя
5 - Индикатор режима отображения
температуры теплоносителя
6 - Индикатор режима отображения
температуры воздуха помещения
7 - Индикатор режима отображения
температуры воздуха улицы
8 - Индикатор режима отображения
работы внутреннего термостата
9 - Индикатор работы термостата
10, 11, 12-индикаторы включения
ступеней мощности водонагревателя
13 - Индикатор работы насоса
14 - Кнопка ввода режимов работы
водонагревателя
15 - Кнопка увеличения показаний
16 - Кнопка уменьшения показаний
17 - Индикатор работы модуля GSM/
GPRS или LAN
Рис.2 Расположение органов управления на передней панели
Рис.3 Схема подключения
электроводонагревателя
Рис.4 Схема установки
электроводонагревателя





