Котел Wolf CGG-3-28 28.0 кВт, природный газ E - инструкция пользователя по применению, эксплуатации и установке на русском языке. Мы надеемся, она поможет вам решить возникшие у вас вопросы при эксплуатации техники.
Если остались вопросы, задайте их в комментариях после инструкции.
"Загружаем инструкцию", означает, что нужно подождать пока файл загрузится и можно будет его читать онлайн. Некоторые инструкции очень большие и время их появления зависит от вашей скорости интернета.

57
3066239_201810
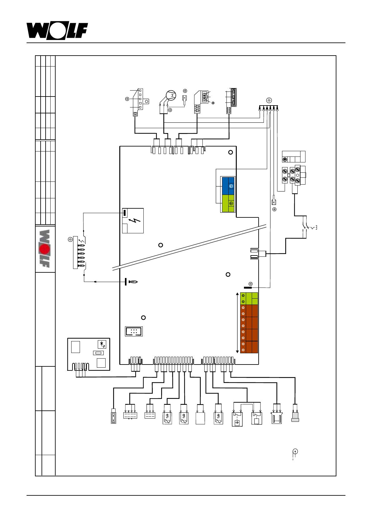
датчик
тем
пературы
подающей линии
Выключатель
питания
N
1L
´
N
´1
L
BN
BL
BN
BL
WOLF Linkhome
(по доп
олнительном
у зак
аз
у)
WLAN
LAN
S1
X1:1
4
BK
Встроенный
насос
датчик
тем
пературы
обратной лини
и
датчик
тем
пературы
систем
ы Г
ВС
GN
TV
OG
NB
сигнал
ск
орости насоса
KB
NB
PWM
BK
BK
BK
BK
X34:1
.
C.
N
su
B
e
V4
2+
D
N
G
X33:1
Давл
ение
V5
+
Режим
п
одачи газ
а
D
N
G
D
N
G
Подающая л
ини
я ГВС
D
N
G
V5
+
D
N
G
T
TE
R
T
W
H
D
D
N
G
D
N
G
M
WP
-P
GND
+
-
eBUS
X2
X32:1
давление воды в
под
ающей л
инии
KB
D
N
G
D
N
G
V5
+
V5
+
давл
ени
е
w
o
lF
D
R
OG
EY
NB
LB
Расходом
ер си
стем
ы ГВС
GND
GND
GND
GND
eBus
SF
AF
E2
E1
модул
яционный газовый
кл
апан
KB
NB
N
G
TV
G
O
NB
NB
H
W
LB
EY
KB
OG
D
R
NB
S
L
H
D
N
G
T-образный
п
атрубок
п
од
ающей
линии
S
PA
V4
2+
V5
+
V4
2+
D
N
G
MP
R
D
N
G
su
B
e
>
перек
лючатель верхнего
предела
пневм
атическ
ое реле
давления
>
Y
G
NB
P
сигнал вентиля
тора RPM
серви
сный
соединитель
eBus
KB
NB
L
ore
+
X1
Трехходовой
клап
ан
L
W
H
D
N
H
C
LB
NB
LB
D
R
H
W
KB
L
N
NB
LB
NB
BN
BL
Supply
T3,15A
L1N
A1
N
L1
A2
N
L1
Рам
а
X23:1
N газ
овый к
лап
ан
X22:1
L газ
овый
к
лап
ан
N вентилятор
N насос
L насос
V
W3
N
V
W3
W
H
D
L
V
W3
H
C
L
N
L
N
L
BN
BL
BK BK BK
1E
2E
FA
FS
1
2
3
4
5
6
7
8
X21:1
X20:1
X31:1
KB
NB
KB
G
O KB
D
R
KB
G
O
D
R
NB
KB
D
R KB
D
R
KB
NB EY Y
G
NB
EY
H
W
NB
рам
а
´L
´
N
N
A2 220V
L
A2 220V
PE
N
A1 220V
L
A1 220V
PE
1
Schaltplan für
CGG-3(K)
46-34-028-001
Benennung
Zeichnungsnummer
CorelDraw
Art.- / Materialnummer
Seite
S. von 1
Name
Name
Ausg.
Ausg.
Änderung
Antrag
Antrag
Datum
Datum
3065736
zes
0
1
Erstellung
1050007
1
24.04.18
Подк
лючения
для
устройств с низки
м нап
ря
жением
вентиля
тор
газ
овый
кл
ап
ан
L вентиля
тор
Запальный
электрод
Ионизационны
й электрод
Änderung
Схема электрических
соединений