Котел Wolf CGB-50 - инструкция пользователя по применению, эксплуатации и установке на русском языке. Мы надеемся, она поможет вам решить возникшие у вас вопросы при эксплуатации техники.
Если остались вопросы, задайте их в комментариях после инструкции.
"Загружаем инструкцию", означает, что нужно подождать пока файл загрузится и можно будет его читать онлайн. Некоторые инструкции очень большие и время их появления зависит от вашей скорости интернета.

59
2
2
6
VF
14
11
6
13
10
7
4
M
3
2
2
UV
1
6
17
16
3
5
2
3
3
3
F 10A
AF
(9)
(8)
2
3
№
Обозначение
№
арт
.
1
Комплект
подключения
к
контуру
отопления
20 70 375
2
Мембранный
расширительный
бак
: 25
л
.
24 00 450
35
л
.
24 00 455
50
л
.
24 00 458
80
л
.
24 00 462
3
3-
х
ходовой
клапан
для
загрузки
бойлера
: 1" AG
86 02 187
5
Кран
для
заполнения
и
слива
воды
1
/
2
"
и
переходник
1" x
1
/
2
"
88 15 351
6
Дроссельные
вентили
*
7
3-
х
ходовой
клапан
MS DN 20 (< 45
кВт
) kvs = 6,3
27 91 056
3-
х
ходовой
клапан
MS DN 25 (> 45
кВт
) kvs = 12
27 91 057
Заглушки
в
зависимости
от
типа
смесителя
*
Привод
смесителя
22 36 562
8
Модуль
управления
смесителем
MM
27 44 293
9
Модуль
BM
24 44 076
10
Насос
отопитлеьного
контура
*
11
Перепускной
клапан
до
40
кВт
24 00 420
13
Обратный
клапан
,
давление
срабатывания
20
мбар
*
14
Термостат
ограничения
макс
.
темп
.
в
контуре
теплого
пола
27 91 905
16
Вертикальный
бойлера
SE
или
SEM
см
.
прайс
-
лист
17
Электронный
датчик
температуры
бойлера
27 99 054
удлинение
кабеля
4
м
27 99 243
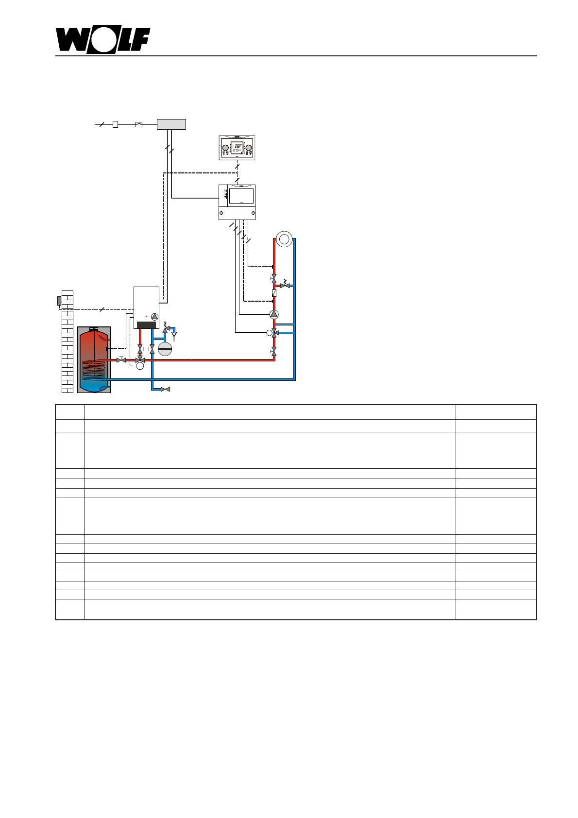
Пример
системы
отопления
2
1
смесительный
контур
, 1
контур
ГВС
(
загрузка
бойлера
через
3-
ходовой
вентиль
)
Пример
системы
отопления
2
Котловой
насос
обеспечивает
в
смесительном
контуре
необходимый
расход
воды
.
Через
трехходовой
вентиль
осуществляется
загрузка
бойлера
.
Устройство
М
M
управляет
температурой
воды
в
подающей
линии
смесительного
контура
.
Расход
воды
:
При
расчете
расхода
воды
учесть
напор
котла
.
При
этом
также
должны
быть
учтены
потери
давления
на
трехходовом
клапане
.
Теплый
пол
:
За
счет
байпаса
в
смесительном
контуре
происходит
гидравлическое
разделение
циркуляции
в
котловом
контуре
от
циркуляции
в
смесительном
контуре
.
Необходимо
обеспенчить
соответствующие
диаметры
трубопроводов
в
смесительном
контуре
и
байпаса
. (
См
.
описание
схемы
с
инжектированием
.)
Указание
:
Для
систем
отопления
с
большим
объемом
воды
рекомендуется
применять
гидравлические
разделители
(
см
.
примеры
систем
5-8),
поскольку
возможно
приготовление
ГВС
в
параллельном
режиме
.
Кроме
того
предотвращается
возможность
дополнительной
подачи
нагретой
воды
в
систему
отопления
.
Модуль
управления
смесителем
MM
Указание
:
В
одной
системе
отопления
макс
. 7 MM
Указания
по
проектированию
Питание
230
В
~
Аварийный
выключатель
шина
Bus
(2-
х
жильный
кабель
)
Коллектор
Модуль
управления
BM
CGB-35
CGB-50
*
обеспечивает
заказчик
Содержание
- 2 Содержание; CO
- 4 W o l f
- 5 Рис
- 7 Установка; Защита; Указание
- 9 Конструкция
- 11 Общие; C G B
- 12 Монтаж; потолок; Wolf; Левый; CGB
- 15 Подключение; Техника
- 16 Шламоотделитель
- 17 Воздушный
- 18 сифон
- 21 Электромонтаж; VDE; Клеммная
- 27 Контроль
- 30 Адресное; DWTK
- 31 m i n
- 32 Рекомендации
- 34 Ограничение; Макс; Таблица
- 35 рис
- 36 Настройка; C O
- 38 Протокол
- 39 STB
- 40 Данные
- 42 Варианты; Указания
- 43 Дымовые
- 52 DIBT
- 53 II
- 54 Недопустимые
- 56 Предохранит; Пример
- 57 встроен
- 59 Обозначение
- 67 kv
- 69 Alpha
- 70 Напорная
- 72 pH
- 74 Устранение













