Котел Wolf CGB-50 - инструкция пользователя по применению, эксплуатации и установке на русском языке. Мы надеемся, она поможет вам решить возникшие у вас вопросы при эксплуатации техники.
Если остались вопросы, задайте их в комментариях после инструкции.
"Загружаем инструкцию", означает, что нужно подождать пока файл загрузится и можно будет его читать онлайн. Некоторые инструкции очень большие и время их появления зависит от вашей скорости интернета.

56
Сокращ
.
Обозначение
№
арт
.
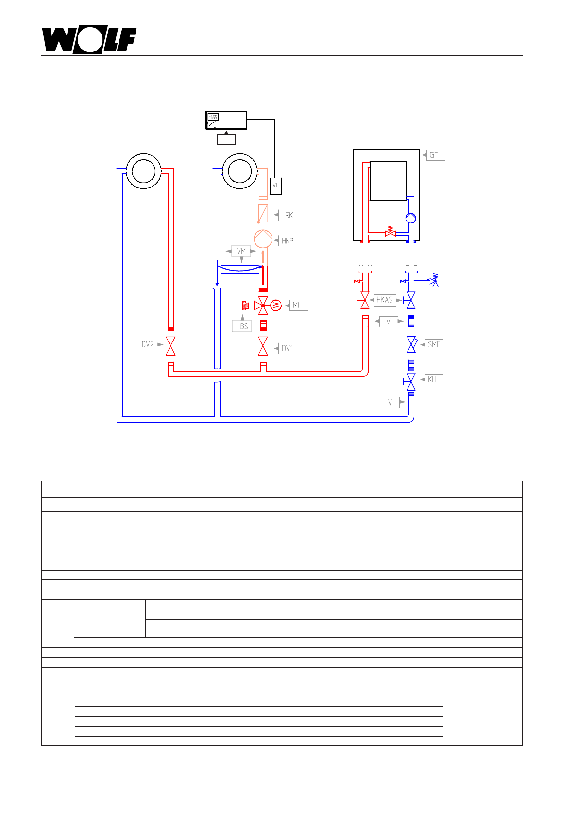
GT
Тип
котла
CGB-35/50, CGB-K40-35
см
.
прайс
-
лист
RK
Обратный
капан
-
давление
срабатывания
20
мбар
*
Комплект
подключения
к
контуру
отопления
включает
:
HKAS
2
шаровых
крана
1"
2
крана
для
заполнения
и
слива
воды
20 70 375
SMF
Фильтр
-
грязевик
1
1
/
4
“
20 70 405
DV 1,2
Дросселирующий
вентиль
*
KH
Шаровый
кран
1"
20 11 192
BS
Заглушки
-
того
же
диаметра
что
и
смеситель
*
DN 20 k
VS
6,3
до
45
кВт
при
схеме
с
инжектированием
27 91 056
(
интервал
между
кривыми
нагрева
10 K)
MI
3-
х
ходовой
DN 25 k
VS
12
> 45 kW
кВт
при
схеме
с
инжектированием
27 91 057
смеситель
(
интервал
между
кривыми
нагрева
10 K)
Привод
смесителя
22 36 562
VF
Датчик
температуры
в
подающей
линии
(
входит
в
комплект
поставки
DWTM)
-
R
Регулятор
смесителя
V
Трубопроводы
*
Трубопроводы
в
смесительном
контуре
(MK)
подача
,
обратка
,
байпас
в
смесительном
контуре
Расход
в
смесит
.
контуре
∆
T
Ном
.
мощность
Внутр
.
диаметр
труб
VMI
до
1290
л
/
час
10 K
до
20
кВт
DN 25
до
2000
л
/
час
10 K
до
30
кВт
DN 32
*
до
3440
л
/
час
10 K
до
45
кВт
DN 40
до
5160
л
/
час
10 K
до
60
кВт
DN 50
*
обеспечивает
заказчик
Указания
по
проектированию
Предохранит
.
клапан
встроен
в
котле
Пример
проектирования
„
Схема
с
инжектированием
“
R
Содержание
- 2 Содержание; CO
- 4 W o l f
- 5 Рис
- 7 Установка; Защита; Указание
- 9 Конструкция
- 11 Общие; C G B
- 12 Монтаж; потолок; Wolf; Левый; CGB
- 15 Подключение; Техника
- 16 Шламоотделитель
- 17 Воздушный
- 18 сифон
- 21 Электромонтаж; VDE; Клеммная
- 27 Контроль
- 30 Адресное; DWTK
- 31 m i n
- 32 Рекомендации
- 34 Ограничение; Макс; Таблица
- 35 рис
- 36 Настройка; C O
- 38 Протокол
- 39 STB
- 40 Данные
- 42 Варианты; Указания
- 43 Дымовые
- 52 DIBT
- 53 II
- 54 Недопустимые
- 56 Предохранит; Пример
- 57 встроен
- 59 Обозначение
- 67 kv
- 69 Alpha
- 70 Напорная
- 72 pH
- 74 Устранение













