Котел VIESSMANN Vitotron 100 VLN3-08 8кВТ - инструкция пользователя по применению, эксплуатации и установке на русском языке. Мы надеемся, она поможет вам решить возникшие у вас вопросы при эксплуатации техники.
Если остались вопросы, задайте их в комментариях после инструкции.
"Загружаем инструкцию", означает, что нужно подождать пока файл загрузится и можно будет его читать онлайн. Некоторые инструкции очень большие и время их появления зависит от вашей скорости интернета.

11
Инструкция по монтажу и эксплуатации
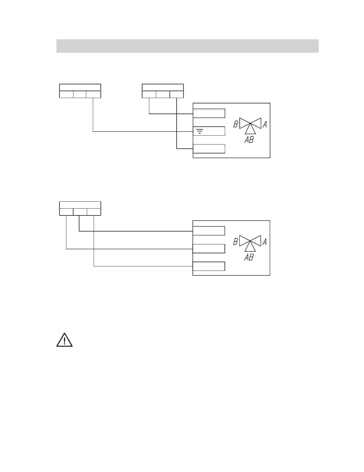
Подключение внешних датчиков и контроллеров
Внимание, с целью активации функции ГВС, необходимо следовать
описанию в разделе
Сервис / Конфигурация – Водонагреватель.
Не подавать напряжение на входы MA, RT, Tcyl!
Грозит серьезной поломкой контроллера.
Управление SPST
Управление SPDT
TWV
LB
LA
N
LA
LB
N
M.SUPPLY
TWV
L
N
PE
L
A
L
B
N
Control
N
Содержание
- 3 Условия для надежной и безопасной работы
- 4 Примечания установки
- 5 Схемы подключения котлов к системе отопления; RT
- 6 Монтаж
- 7 – ограничитель температуры
- 8 Выбор типа подключения; Значение мощности; MA
- 9 Подключение внешних датчиков и контроллеров; MA – головное устройство
- 10 PUMP.C – насос рециркуляции ГВС
- 11 Управление SPST; LA; Control
- 12 Панель управления
- 13 Основной экран
- 21 Суточная программа
- 23 Технические данные