Котел Теплодар УЮТ-10 - инструкция пользователя по применению, эксплуатации и установке на русском языке. Мы надеемся, она поможет вам решить возникшие у вас вопросы при эксплуатации техники.
Если остались вопросы, задайте их в комментариях после инструкции.
"Загружаем инструкцию", означает, что нужно подождать пока файл загрузится и можно будет его читать онлайн. Некоторые инструкции очень большие и время их появления зависит от вашей скорости интернета.

Любители тепла
одобряют!
4
а также очистки корпуса котла и водонаполненного пламяотбойника от сажи.
Дверца оснащена защитным экраном и заслонкой подачи вторичного воздуха
[14], которая размещена в нижней части дверцы.
• дверца зольная [12], предназначенная для регулирования процесса горения
топлива. Дверца оснащена заслонкой подачи первичного воздуха [13].
Двери имеют коробчатую конструкцию, заполненную базальтовым картоном.
По периметру в них вложен кремнеземный шнур, обеспечивающий герметичное
закрывание топки.
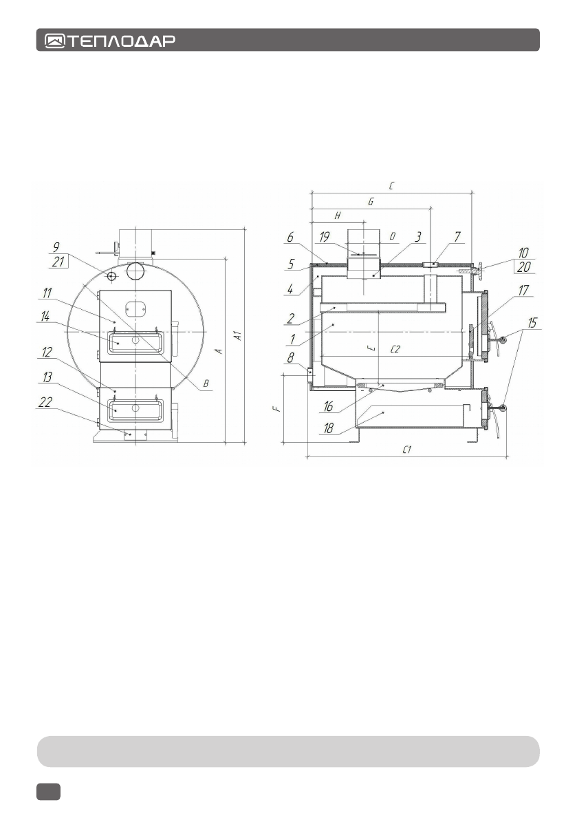
Рисунок 1 - Конструкция котлов модельного ряда «УЮТ»
[1] Корпус топки. [2] Водонаполненный пламяотбойник. [3] Патрубок дымосборника. [4] Водяная
рубашка. [5] Базальтовый картон. [6] Декоративный кожух. [7] Штуцер подачи. [8] Штуцер обрат-
ки. [9] Штуцер установки регулятора тяги. [10] Штуцер термометра. [11] Загрузочная дверца. [12]
Зольная дверца. [13] Створка подачи первичного воздуха. [14] Створка подачи вторичного воздуха.
[15] Винт регулировки подачи воздуха. [16] Чугунный колосник. [17] Чугунная створка котла. [18]
Зольный ящик. [19] Шибер поворотный. [20] Термометр биметаллический. [21] Заглушка штуцера
регулятора тяги. [22] Технический шильд.
Заслонки подачи первичного и вторичного воздуха, установленные на двер
-
цах, позволяют контролировать интенсивность горения топлива.
Настройка интенсивности горения может быть как ручной (при помощи пово
-
рота винтов регулировки подачи воздуха [15] расположенных на заслонках), так
и автоматической, при установке регулятора тяги (не входит в базовую комплек
-
тацию), для которого на передней стенке котла предусмотрен штуцер G3/4» [9].
На штуцер регулятора тяги в стандартной комплектации установлена заглушка
[21].
ВНИМАНИЕ!
Детали установленные на резьбовые штуцеры на заводе не
уплотнены.
Содержание
- 3 ОГЛАВЛЕНИЕ
- 4 Введение; Производитель оставляет за собой право вносить изменения в кон
- 5 Общая информация
- 6 Рисунок 1 - Конструкция котлов модельного ряда «УЮТ»; цах, позволяют контролировать интенсивность горения топлива.
- 7 Технические характеристики; характеристики, контактные данные производителя.; Таблица 1
- 8 Дополнительное оборудование
- 9 Требования к теплоносителю
- 10 Монтаж котла и дымохода; Требования пожарной безопасности
- 11 Рисунок 2 — Схема расположения котла в помещении
- 12 Подключение к системе дымоотведения; не
- 13 расположении трубы от него на расстоянии более 3,0 метров.; к системе дымоотведения
- 14 Рисунок 3, в) — Рекомендуемые схемы подключения котла; Температура дымовых газов не должна превышать 200 o
- 16 Подключение к системе отопления
- 17 номинального давления для конкретной системы отопления.; ванной тепловой мощности котла.
- 18 Систему отопления также заполнять под давлением не более 0,25МПа.; При необходимости проверки системы отопления на; Рисунок 4 — Схема подключения котла к открытой системе с
- 19 Рисунок 5 — Схема подключения котла к закрытой системе с
- 20 Эксплуатация котла; Проверка котла перед вводом в эксплуатацию
- 21 Режимы эксплуатации
- 22 Подпитка системы в ходе эксплуатации котла; Рисунок 7 — Регулировка подачи воздуха
- 23 Обслуживание котла; высокой зольности топлива ― по мере накопления потухшего шлака.; Возможные неисправности и способы их устранения; Таблица 3. Возможные неисправности и методы их устранения
- 24 Гарантийные обязательства; При отсутствии в настоящем руководстве даты продажи и
- 25 Претензии к работе изделия не принимаются, бесплат; Транспортирование и хранение; вертикальном положении в один ярус.; Утилизация; выходной краны системы отопления, отсоединить от дымохода.
- 26 Паспорт изделия; Комплект поставки; Свидетельство о приемке; Термометр биметаллический
- 27 Отметка о гарантийном ремонте
- 28 Авторизованные сервисные центры компании «Теплодар»
- 31 Список авторизованных сервисных центров












