Котел SIME RMG 90 MK.II - инструкция пользователя по применению, эксплуатации и установке на русском языке. Мы надеемся, она поможет вам решить возникшие у вас вопросы при эксплуатации техники.
Если остались вопросы, задайте их в комментариях после инструкции.
"Загружаем инструкцию", означает, что нужно подождать пока файл загрузится и можно будет его читать онлайн. Некоторые инструкции очень большие и время их появления зависит от вашей скорости интернета.

123
IT
ES
PT
GB
FR
BE
GR
RO
RUS
4.1
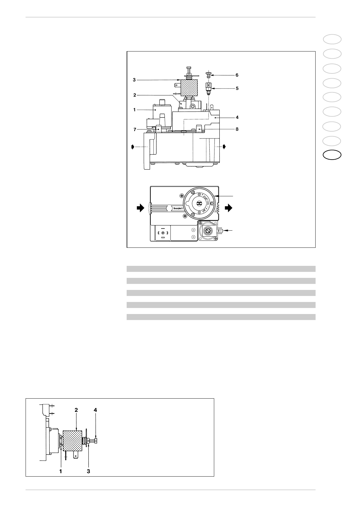
ГАЗОВЫЙ КЛАПАН
(Чертеж 10)
В стандартный комплект
“RMG Mk.II”
включен
газовый клапан HONEYWELL VR 4605 C
(модели
"70-80"
), VR 4605 CB (модели
"90-
100"
) и VR 420 PB (модели
"110"
).
В момент первого запуска котла следует
провести продувку газовой трубы, используя
для этого отбор давления на входе (7 Чертеж
10 – 9 Чертеж 2).
4.2
РЕГУЛИРОВКА ГАЗОВОГО
КЛАПАНА “VR 4605 C – VR 4605 CB”
Градуальное изменение рабочего давления
газового клапана, установленного на моделях
“RMG 70-80-90-100 Mk.II”
, проводится фирмой
SIME во время производства оборудования, и
поэтому ее изменение не рекомендуется.
Изменять параметры давления разрешено
только в тех случаях, когда происходит
переход от одного вида топлива (газ метан) к
другому (газ бутан или пропан).
Данная операция обязательно должна быть
проведена специально подготовленным
персоналом, в случае невыполнения этого
условия будет потеряно право на
гарантийное обслуживание. Как только
будет окончена регулировка давления,
следует опечатать регуляторы.
В ходе градуального изменения давления
необходимо
следовать
предписанному
порядку, регулируя сначала максимальное
давление, затем минимальное.
4.2.1
Установка максимального давления
(Чертеж 11)
Для проведения установки необходимо
действовать в следующем порядке:
–
Присоединить манометр к отборнику,
установленному на коллекторе горелки.
–
Отвинтить винт (4).
–
Установить ручку термостата на максимум.
–
Подключить напряжение к котлу.
–
Отвинтить контрогайку (1) и прокручивать
муфту (2): для уменьшения давления
поворачивать муфту в направлении против
часовой стрелки, для увеличения давления
- в направлении по часовой стрелке.
–
Завинтить контрогайку (1).
–
Провести несколько включений/выключений
основного выключателя и убедиться, что
максимальное давление соответствует
величинам, приведенным на
таблице 1
.
4.2.2
Установка минимального давления
(Чертеж 11)
Для проведения установки пониженного
давления
необходимо
действовать
в
следующем порядке:
–
Отключить подачу питания на катушку (2)
–
Запустить котел и после краткого периода
работы при номинальной мощности
медленно поворачивать ручку термостата
в сторону позиции минимума, пока не
прозвучит щелчок первого контакта
термостата.
–
Оставить ручку в этом положении и,
закручивая
винт
(4),
установить
минимальное давление в соответствии с
таблицей
1
(в
зависимости
от
используемого типа газа): для уменьшения
давления
поворачивать
винт
в
направлении против часовой стрелки, для
увеличения давления - в направлении по
часовой стрелке.
–
Включить подачу питания на катушку.
–
Провести
несколько
включений/выключений
основного
выключателя
и
убедиться,
что
минимальное давление соответствует
должному.
4
ИСПОЛЬЗОВАНИЕ И УХОД
ПЕРЕЧЕНЬ:
1
Катушка EV1
2
Регулятор давления
3
Группа катушек
4
Катушка EV2
5
Адаптор GPL
6
Колпачок
7
Отвод давления на входе
8
Отвод давления на выходе
9
Катушка EV1- EV2
70 Mk.II
80 Mk.II
90 Mk.II
100 Mk.II
110 Mk.II
Метан (G20)
Макс. давление горелки
мбар
9,3
9,1
9,3
9,3
9,3
Мин. давление горелки
мбар
4,5
4,6
4,7
4,7
4,6
Бутан (G30)
Макс. давление горелки
мбар
25,2
25,4
25,1
25,1
25,6
Мин. давление горелки
мбар
12,2
12,3
12,0
12,5
12,6
Пропан (G31)
Макс. давление горелки
мбар
32,6
30,2
30,0
32,7
34,3
Мин. давление горелки
мбар
16,4
16,1
15,6
16,6
16,6
ТАБЛИЦА 1
ПЕРЕЧЕНЬ:
1. Контрогайка М13
2. Катушка
3. Муфта регулировки максимального давления
4. Винт регулировки минимального давления
1
2
HONEYWELL VR 4605 C - VR 4605 CB
HONEYWELL VR 420 PB
9
3
Чертеж 10
Чертеж 11