Котел Protherm Скат 9КE 14 - инструкция пользователя по применению, эксплуатации и установке на русском языке. Мы надеемся, она поможет вам решить возникшие у вас вопросы при эксплуатации техники.
Если остались вопросы, задайте их в комментариях после инструкции.
"Загружаем инструкцию", означает, что нужно подождать пока файл загрузится и можно будет его читать онлайн. Некоторые инструкции очень большие и время их появления зависит от вашей скорости интернета.
Загружаем инструкцию

31
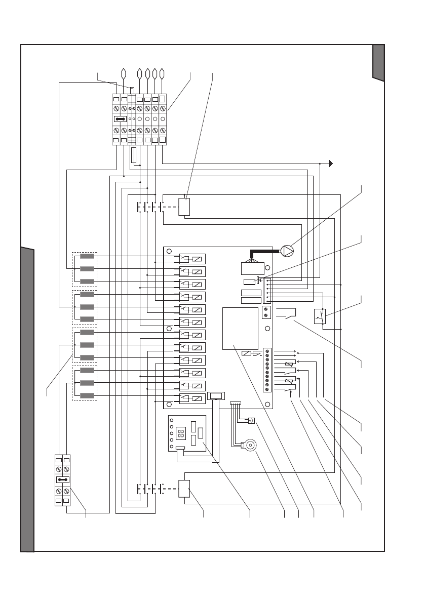
Электричес
кая сх
ема к
от
ла PRO
THERM Скат 28 (24) кВт
Рис.
10
+
-
Mo
d
PE
PE
U
V
W
N
N
W
V
U
N
N
HDO
HT
N
N
N
N
K8
K5
K1
K2
T80mA
T1,6A
J1
J3
N
U
V
W
PE
RE1
RE12
1
10
1
1
1
J2
A1 A2
A1 A2
1
2
3
4
5
6
7
8
9
10
11
12
13
14
15
16
17
18
28 kW (4 x 7kW)
24 kW (4 x 6kW)
19
T6,3A
S2 S1
Содержание
- 3 шильдике, необходимо снять переднюю панель облицовки котла.
- 4 Введение; Проверьте целостность и комплектность
- 6 Управление и сигнализация; Панель управления
- 7 Выбор режима считывания
- 8 Выбор режима настройки; Регулирование температуры отопления
- 9 индицируется миганием на дисплее котла
- 10 Сообщения о неисправностях котла; . Обратитесь в специализированную; дисплей; Если желаемая
- 12 Характеристика котла; Мощность; Плавное регулирование мощности
- 13 Запуск котла; Запуск и выключение котла; Эксплуатация котла без комнатного
- 15 Тщательная оценка; Защитные функции котла
- 17 Техническое обслуживание и уход; Подпитка системы отопления
- 19 Технические параметры; * действительно при подключении на одну фазу
- 20 Присоединительные размеры котла; патрубок предохранительного
- 21 Принципиальная схема котла; бак
- 22 Минимальные расстояния
- 23 Комплектность поставки; материал для подвески котла на стену
- 24 Распределительный трубопровод; Перед подключением; Чистота системы отопления; В случае подключения котла к; Термостатические клапаны
- 25 Установка котла; Запрещается
- 26 Электрическое подключение котла; После подключения сетевых проводов
- 27 Подключение к однофазной сети; Подключение котла к однофазной сети
- 28 Подключение внешнего накопительного бака ГВС; клеммы для подключения NTC датчика
- 29 Схема подключения к электрокотлу бойлера косвенного нагрева; нагрева
- 30 Описание к электрическим схемам
- 35 Электрическая схема подключения котла через реле разгрузки

