Котел lemax Премиум 16N В стальной - инструкция пользователя по применению, эксплуатации и установке на русском языке. Мы надеемся, она поможет вам решить возникшие у вас вопросы при эксплуатации техники.
Если остались вопросы, задайте их в комментариях после инструкции.
"Загружаем инструкцию", означает, что нужно подождать пока файл загрузится и можно будет его читать онлайн. Некоторые инструкции очень большие и время их появления зависит от вашей скорости интернета.

Премиум-M В. 1.18
13
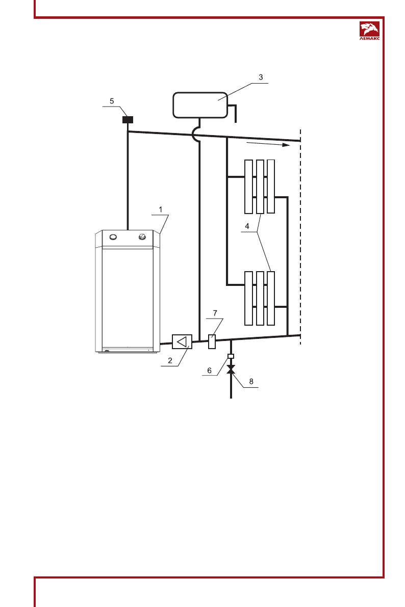
пРИмеРНаЯ СХема откРытой СИСтемы отоплеНИЯ
С цИРкУлЯцИоННым НаСоСом
Рис. 3.
1. Котел.
2. Циркуляционный насос.
3. Расширительный бак.
4. Радиаторы отопления.
5. Автоматический клапан сброса воздуха.
6. Сбросной предохранительный клапан на 1,5 атм.
7. Шлакоотделитель.
8. Кран для заполнения и слива системы отопления.
Содержание
- 3 СоДеРжаНИе
- 4 с газогорелочным устройством.
- 9 тРеБоваНИЯ БеЗопаСНоСтИ
- 10 УСтРойСтво котла; Котёл «Премиум» с автоматикой 820 Nova
- 11 моНтаж, поДГотовка к РаБоте; тяги зажигать газогорелочное устройство запрещается.
- 12 предохранительный клапан.; пРИмеРНаЯ СХема откРытой СИСтемы отоплеНИЯ
- 15 поРЯДок РаБоты; ку управления по часовой стрелке в позицию «выключено» (
- 16 ) и только затем начинайте
- 17 ратуры на корпусе котла.
- 18 пРавИла ЭкСплУатацИИ, теХНИЧеСкое оБСлУжИваНИе
- 19 ная верхняя крышка облицовки.; ГаРаНтИйНые оБЯЗательСтва; тационных характеристик.
- 20 воЗможНые НеИСпРавНоСтИ И метоДы ИХ УСтРаНеНИЯ; Наименование; СвИДетельСтво о пРИемке
- 21 И пРоФИлактИЧеСкоГо оБСлУжИваНИЯ; Дата; Проверить состояние дымохода и силу тяги в нем
- 23 ГаРаНтИйНый талоН No2
- 24 СеРвИСНые цеНтРы