Котел Ferroli New Elite C24 - инструкция пользователя по применению, эксплуатации и установке на русском языке. Мы надеемся, она поможет вам решить возникшие у вас вопросы при эксплуатации техники.
Если остались вопросы, задайте их в комментариях после инструкции.
"Загружаем инструкцию", означает, что нужно подождать пока файл загрузится и можно будет его читать онлайн. Некоторые инструкции очень большие и время их появления зависит от вашей скорости интернета.

32
NEW ELITE C 24 E
Рис
. 19
14
25
36
19
21
0
31
1
41
2
51
3
61
4
71
5
81
6
16
27
38
49
51
0
V1
V2
GND
OUT
12V
T
GND
5V
72
138
10
5
94
83
72
61
4
2
3
1
L
N
L
N
OUT
N
L
230
В
44
81
82
98
F2A
32
239
42
34
49
X1
TR
Дисплей
246
136
X2
240
13
12
11
10
9
8
7
6
5
4
126
139
4.6
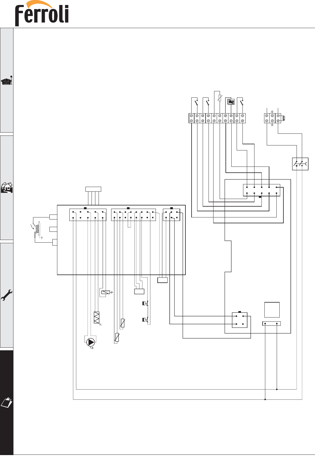
Электрическая
схема
Eco/Comfort
Контакты
отключения
функции
ГВС
32
Циркуляционный
насос
системы
отопления
34
Датчик
температуры
воды
в
системе
отопления
42
Датчик
температуры
воды
в
контуре
ГВС
44
Газовый
клапан
49
Предохранительный
термостат
72
Датчик
температуры
воздуха
в
помещении
(
не
поставлен
)
81
Электрод
розжига
82
Электрод
контроля
пламени
98
Выключатель
общий
126
Термостат
дымовых
газов
136
Расходомер
138
Датчик
температуры
наружного
воздуха
139
Пульт
дистанционного
управления
(Opentherm) 239
Электрический
нагреватель
240
Автоматический
клапан
подпитки
системы
отопления
246
Датчик
давления
Условные
обозначения
Содержание
- 2 NEW ELITE C 24 E; Декларация
- 4 Введение
- 5 Панель
- 7 MENU
- 8 Регулирование; помощью; CO; Запуск
- 10 Закрыто
- 11 Техническое
- 12 Общие
- 13 Крепление
- 14 Гидравлические
- 16 NEW ELITE C 24; Подключение
- 17 Электрические
- 20 ЭКСПЛУАТАЦИЯ; ОБСЛУЖИВАНИЕ
- 21 Метан
- 22 Ввод
- 23 Отлючение; Сезонные
- 24 Воздух
- 25 Устранение; Диагностика
- 27 Габаритные
- 28 Общий
- 29 Гидравлическая
- 31 Диаграммы
- 32 Электрическая