Котел Ferroli FG - инструкция пользователя по применению, эксплуатации и установке на русском языке. Мы надеемся, она поможет вам решить возникшие у вас вопросы при эксплуатации техники.
Если остались вопросы, задайте их в комментариях после инструкции.
"Загружаем инструкцию", означает, что нужно подождать пока файл загрузится и можно будет его читать онлайн. Некоторые инструкции очень большие и время их появления зависит от вашей скорости интернета.

FG
49
TR
cod. 3540I950 - 06/2007 (Rev. 00)
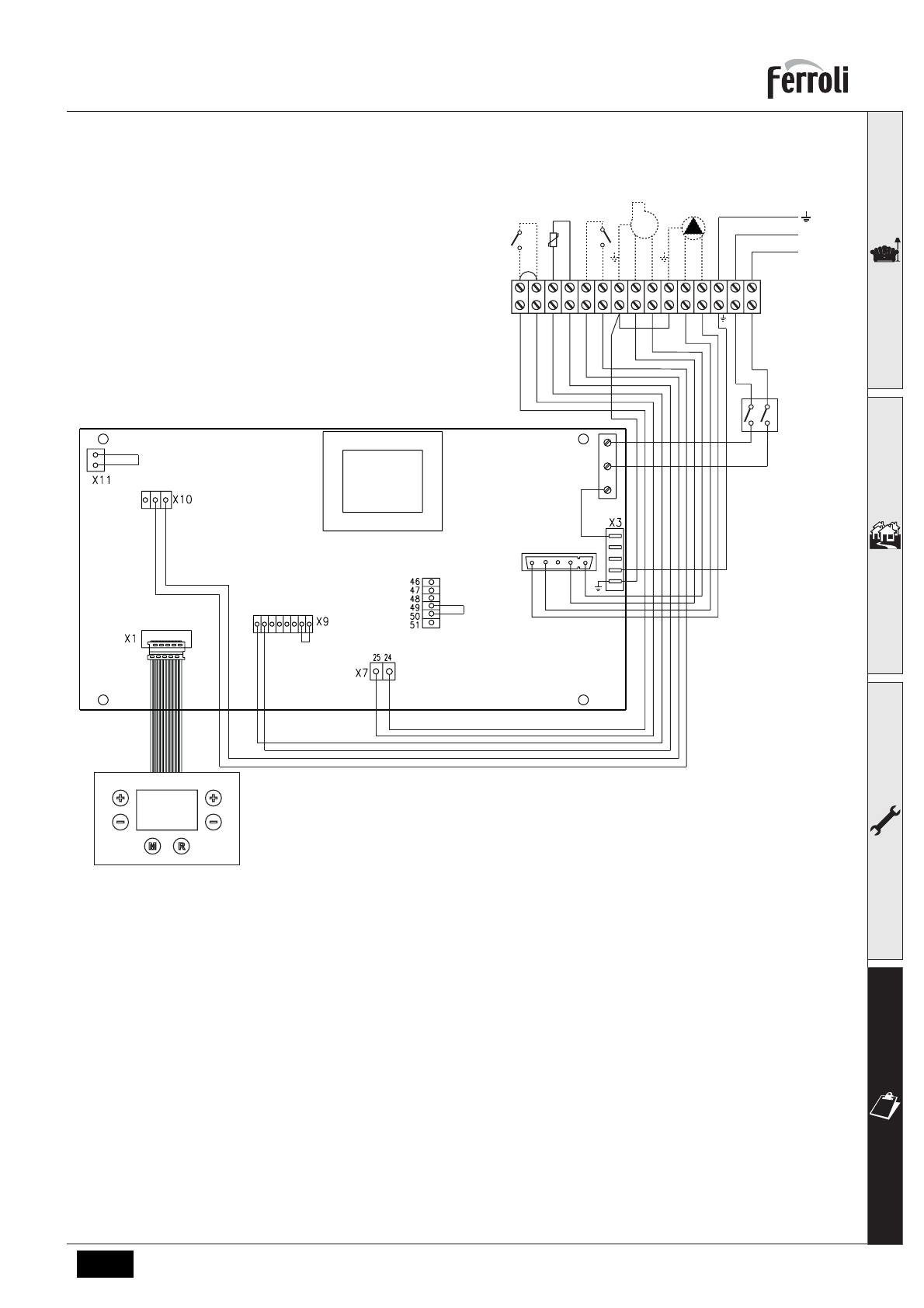
4.4 Elektrik
ú
eması
ú
ek. 8 - Elektrik
ú
eması
16
Vantilatör (Fan)
32
Isıtma sirkülatörü
72
Oda termostatı (cihazla birlikte verilmez)
34
Isıtma sıcaklı
÷
ı sensörü
296
Kapak mikro-sivici
N
N
N
L
N
230V
50Hz
32
16
34
3
4
5
6
7
8
9
10
11
12
13
14
N
L
296
CP24
MLC23.01
59 58 57 56 55 54 53 52
93 92 91
5 4 3 2 1
X12
X16
72
98