Котел Ferroli Econcept 50 - инструкция пользователя по применению, эксплуатации и установке на русском языке. Мы надеемся, она поможет вам решить возникшие у вас вопросы при эксплуатации техники.
Если остались вопросы, задайте их в комментариях после инструкции.
"Загружаем инструкцию", означает, что нужно подождать пока файл загрузится и можно будет его читать онлайн. Некоторые инструкции очень большие и время их появления зависит от вашей скорости интернета.

ECONCEPT 50A
32
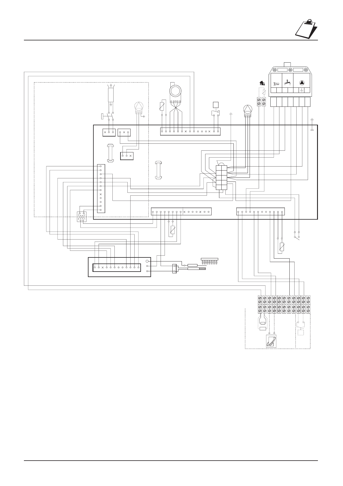
4.5 Электрическая схема
X6
1
2
3
4
5
6
7
8
9
12
11
10
9
8
7
6
5
4
3
2
1
2
3 4 5
6
7 8
10
11
12
9
83
82
188
186
P
34
130
13 12
10
8
7 6
5
2
X5
X7
104
4,0 AT
X3
N
L
3
2
X2
N
L
N
L
2
1
3
1
X1
DMF04
104
2AT
X4
207
2
3
5
6
7
8
9
10
202
230в
L
N
24в
r
p
o
w
24 VDC
+
FREQ
PWM OUT
24 VDC
-
w
o p r
230 в 50 Гц
16
155
139
10 кОм
+/-5в DC 24в AC
72
T
191
98
32
138
49
203
117
244 500
4
3
2
1
N
L
1
3
5
9
2
4
6
8
10
72
Термостат помещения (по спец заказу)
104
Вставка плавкая
117
Пропускной электромагнитный газовый
клапан (макс. 20Вт)
130
Циркуляционный насос контура ГВС (по спец заказу)
138
Датчик наружной температуры
139
Блок помещения (по спец заказу)
155
Датчик внешнего бака накопителя ГВ (по спец заказу)
186
Датчик температуры в обратной линии
203
Эл. сеть 230в
500
Внешний насос (100Вт - не поставляется)
Рис. 20
Легенда
16
Вентилятор
32
Насос системы отопления
34
Датчик температуры системы отопления
36
Автоматический воздухоотводчик
44
Комбинированный газовый клапан
49
Отсечной термостат перегрева
82
Ионизационный электрод
83
Элекктронный блок управления
98
Выключатель
101
Главная электронная плата
114
Датчик нижнего уровня давления воды
188
Электрод розжига
191
Датчик температуры уходящих газов
202
Трасформатор 230в-24в
204
Порт для подключения ПК
207
Клемнная колодка
1,8 кОм
10 11 12
1
2
3
4 5
6
7
8
10 11
12
14
15
1
11
12
4
7
114
1
3
4
9
11
14
15
Характеристики
Остались вопросы?Не нашли свой ответ в руководстве или возникли другие проблемы? Задайте свой вопрос в форме ниже с подробным описанием вашей ситуации, чтобы другие люди и специалисты смогли дать на него ответ. Если вы знаете как решить проблему другого человека, пожалуйста, подскажите ему :)
