Котел Эван ЭПО-36 А 18+18 - инструкция пользователя по применению, эксплуатации и установке на русском языке. Мы надеемся, она поможет вам решить возникшие у вас вопросы при эксплуатации техники.
Если остались вопросы, задайте их в комментариях после инструкции.
"Загружаем инструкцию", означает, что нужно подождать пока файл загрузится и можно будет его читать онлайн. Некоторые инструкции очень большие и время их появления зависит от вашей скорости интернета.

- 4-
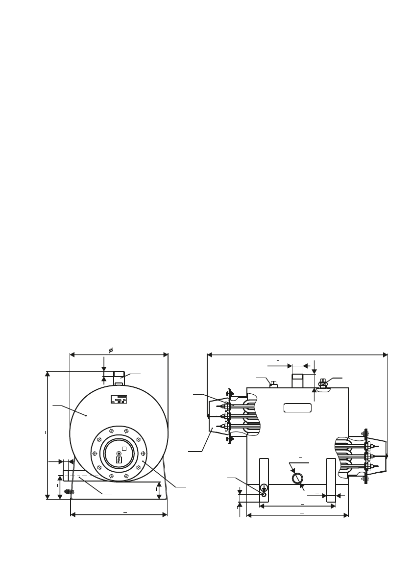
4 Устройство прибора
4.1 В состав прибора входят: котёл и пульт управления.
4.2 Котёл ЭПО -36; -42; -48; -54; -60 в соответствии с рисунком 1
состоит из следующих основных частей: корпуса (1) с входным (6) и
1
выходным (7) патрубками G1 /
(G2 по спецзаказу) и зажимом М8 для
4
з а щ и т н о го п р овод н и ка Р Е ( 8 ) ; а в а р и й н о го
т е рмов ы к л юч ат е л я с
самовозвратом в виде
температурного реле (4); датчика терморегулятора
(5). По бокам корпуса (1) смонтированы две секции, состоящие из крышки
(9) с тремя трубчатыми электронагревателями (ТЭН) (2) из нержавеющей
стали каждая; выводы ТЭНов закрыты защитными кожухами (3).
Котёл ЭПО-72; -84; -96; -108; -120 в соответствии с рисунком
2 в
основном отличается тем, что у него количество
увеличено до т
секций
рёх
(ЭПО-72; -84) или четырёх (ЭПО-96; -108; -120).
4.3 Пульт управления состоит из корпуса с размещенной в нем ап-
паратурой управления. Из корпуса пульта выводится два шнура: один - с
контактами датчика
, второй - с контактами (красного
терморегулятора (5)
цвета) для температурного реле (4).
На плате пульта управления установлена клеммная колодка “Датчик
температуры воздуха” для подключения внешнего датчика температуры
воздуха (он же - комнатный термостат).
4.4 Электрическая схема подключения прибора изображена на
рисунке 4 (у ЭПО -36; -42; -48; -54; -60 - по два пускателя и секции; ЭПО
-72; -84 - по три пускателя и секции; у ЭПО -96; -108; -120 - по четыре
пускателя и секции).
4.5 П р и н ц и п д е й с т в и я п р и б о р а о с н ов а н н а п р е о б р а з ов а н и и
электроэнергии в тепловую ТЭНами. При этом теплоноситель, омыва-ющий
ТЭНы, нагревается, и возникает его конвекция, которая обеспе-чивает
естественную циркуляцию теплоносителя в системе отопления (см. п. 6.1.5.).
Режим работы прибора - продолжительный.
ОТОПИТЕЛЬНЫЙ
ЭЛЕКТРПРИБОР
ЭПО
715
30+5
55
4
8
3
2
5
300+2
400+2
7
20
20
1
9
МОЩНОСТЬ
ЭЛЕКТРОСЕКЦИИ кВт
6
390
70+2
95+3
380+3
30+2
G1
1
4
-B
1
4
G1 -B
512+3
Рисунок 1
Содержание
- 2 Основные технические данные приборов приведены в таблице 1.; Значение; Таблица 1; Наименование
- 3 Комплектность; - индивидуальная потребительская тара пульта управления; Продолжение таблицы 1; Расход электроэнергии за 1 час работы прибора, не более:
- 4 Устройство прибора; В состав прибора входят: котёл и пульт управления.; т е рмов ы к л юч ат е л я с; Рисунок 1
- 5 Требования безопасности; РЕ; Название; Таблица 2
- 6 защитного проводника
- 7 Подготовка к работе; Монтаж и подключение; Так как при срабатывании предохранительного клапана возможен; Установка запорной арматуры на трубопроводе, соединяющем рас-
- 8 Таблица 3; Рисунок 3 - Примерная схема системы отопления
- 9 Порядок работы
- 10 Рисунок 4 - Электрическая схема подключения; Подключение секций мощностью 24, 30 кВт
- 11 атчика следует помнить, что его
- 12 Техническое обслуживание
- 14 1 Свидетельство о приемке и продаже; (котел) (пульт); Возможная; 0 Возможные неисправности и методы их устранения; ч ес к и м; Вероятная причина
- 15 2 Гарантии изготовителя
- 18 3 Сведения о сертификации