Котел Baxi SLIM 2.230 i-2.300 i - инструкция пользователя по применению, эксплуатации и установке на русском языке. Мы надеемся, она поможет вам решить возникшие у вас вопросы при эксплуатации техники.
Если остались вопросы, задайте их в комментариях после инструкции.
"Загружаем инструкцию", означает, что нужно подождать пока файл загрузится и можно будет его читать онлайн. Некоторые инструкции очень большие и время их появления зависит от вашей скорости интернета.

SLIM 2.230 i – 2.300 i
руководство
для
технического
персонала
- 27 -
газовые
напольные
котлы
b)
иметь
конструкцию
,
обеспечивающую
беспрепятственное
поступление
воздуха
,
как
с
внешней
,
так
и
с
внутренней
стороны
стены
;
c)
вентиляционные
отверстия
должны
быть
защищены
,
например
,
решетками
,
металлической
сеткой
и
т
.
д
.,
с
сохранением
при
этом
полезного
сечения
,
указанного
выше
;
d)
вентиляционные
отверстия
должны
быть
расположены
приблизительно
на
уровне
пола
,
при
этом
они
не
должны
мешать
работе
устройств
отвода
продуктов
сгорания
;
в
случае
,
если
такое
положение
вентиляционных
отверстий
окажется
невозможно
,
необходимо
увеличить
сечение
соответствующих
отверстий
не
менее
,
чем
на
50%".
Действующие
нормы
Италии
по
противопожарной
безопасности
(
Закон
от
9
января
1991
г
.
№
10 - DPR
от
26
августа
1993,
№
412):
Ст
. 5,
п
. 9
Многоэтажные
здания
должны
быть
оснащены
соответствующими
газоотводными
трубами
для
удаления
продуктов
сгорания
через
крышу
здания
на
нужной
высоте
,
в
соответствии
с
техническими
нормами
UNI 7129.
Данная
норма
не
является
обязательной
в
случае
простой
замены
отдельного
отопительного
генератора
или
при
реконструкции
отдельных
отопительных
устройств
,
установленных
ранее
в
многоэтажном
здании
,
если
изначально
в
месте
установки
не
было
предусмотрено
системы
отвода
продуктов
сгорания
через
крышу
.
Ст
. 11,
п
. 9
Отдельные
отопительные
устройства
с
номинальной
мощностью
менее
35
кВт
должны
быть
снабжены
тех
.
паспортом
устройства
.
Ст
. 11,
п
. 11
Первоначальное
заполнение
тех
.
паспорта
при
установке
новых
отопительных
устройств
и
пре
реконструкции
старых
,
а
также
для
отдельных
отопительных
устройств
,
в
том
числе
и
при
замене
отопительного
генератора
,
должно
быть
проведено
квалифицированным
установщиком
,
в
соответствии
с
требованиями
Закона
от
5
марта
1990
г
.,
№
46 (
ст
. 1,
п
. 1
с
).
С
момента
вступления
в
силу
данных
правил
первичное
заполнение
тех
.
паспорта
для
существующих
систем
,
а
также
замечания
по
периодическому
тех
.
обслуживанию
,
проводимому
в
соответствии
с
данными
правилами
,
должно
выполняться
техническим
специалистом
,
отвечающим
за
работу
и
тех
.
обслуживание
данного
отопительного
устройства
.
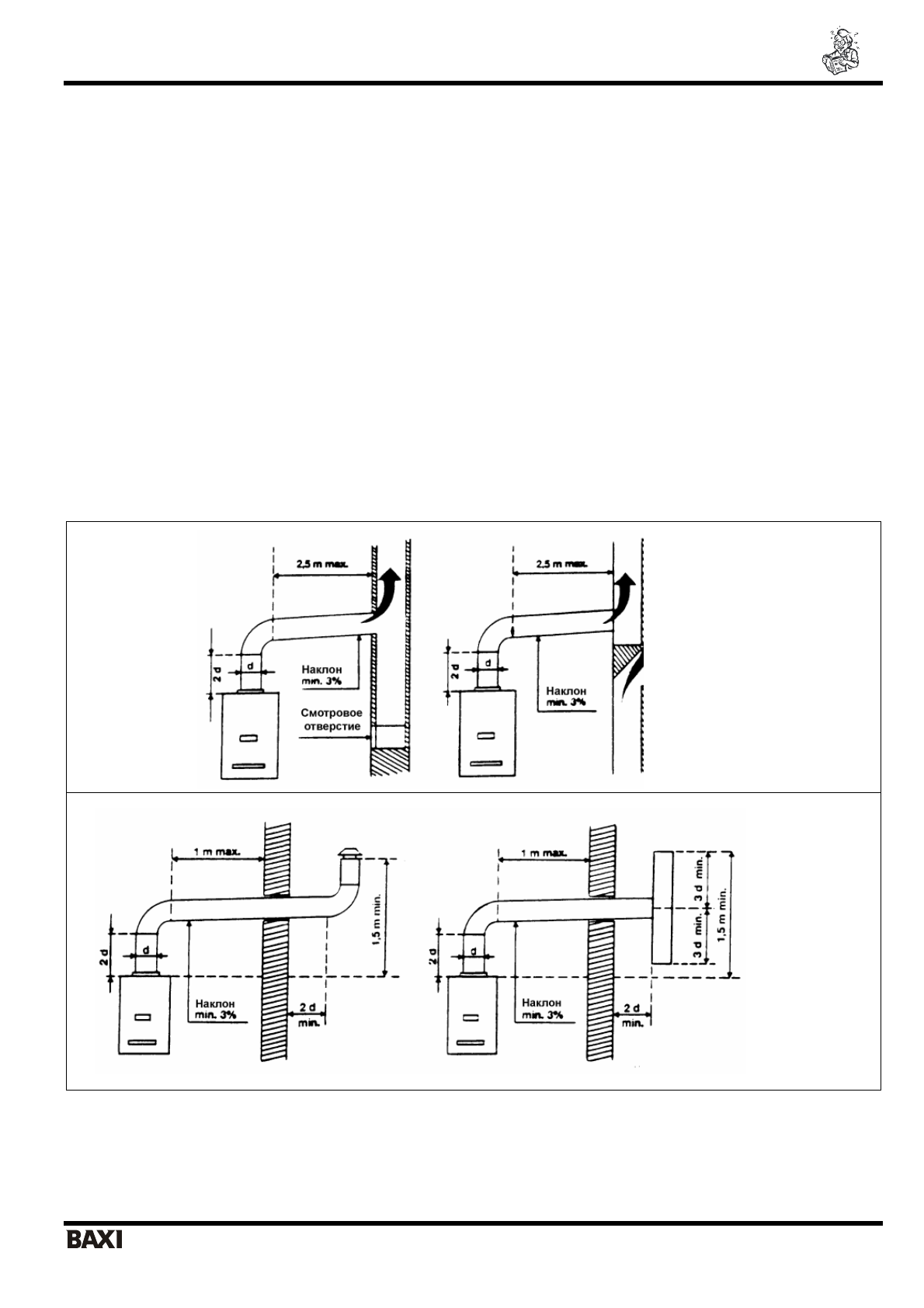
Рис
.
А
Рис
.
Б
Содержание
- 2 Уважаемый; BAXI
- 3 СОДЕРЖАНИЕ; стр; QAA 73............................................................
- 4 SLIM 2.230 i – 2.300 i; Руководство
- 5 Инструкции
- 8 Рис
- 10 Проверки
- 12 Электрическое
- 13 Электрическая
- 14 Присоединение
- 19 СТРАВЛИВАНИЕ
- 21 Заключительные
- 23 Устройства
- 24 циркуляционный
- 25 ЧИСТКА
- 28 Технические; Модели