Котел Baxi POWER HT (45-65 кВт) - инструкция пользователя по применению, эксплуатации и установке на русском языке. Мы надеемся, она поможет вам решить возникшие у вас вопросы при эксплуатации техники.
Если остались вопросы, задайте их в комментариях после инструкции.
"Загружаем инструкцию", означает, что нужно подождать пока файл загрузится и можно будет его читать онлайн. Некоторые инструкции очень большие и время их появления зависит от вашей скорости интернета.

910.000.1 -
86
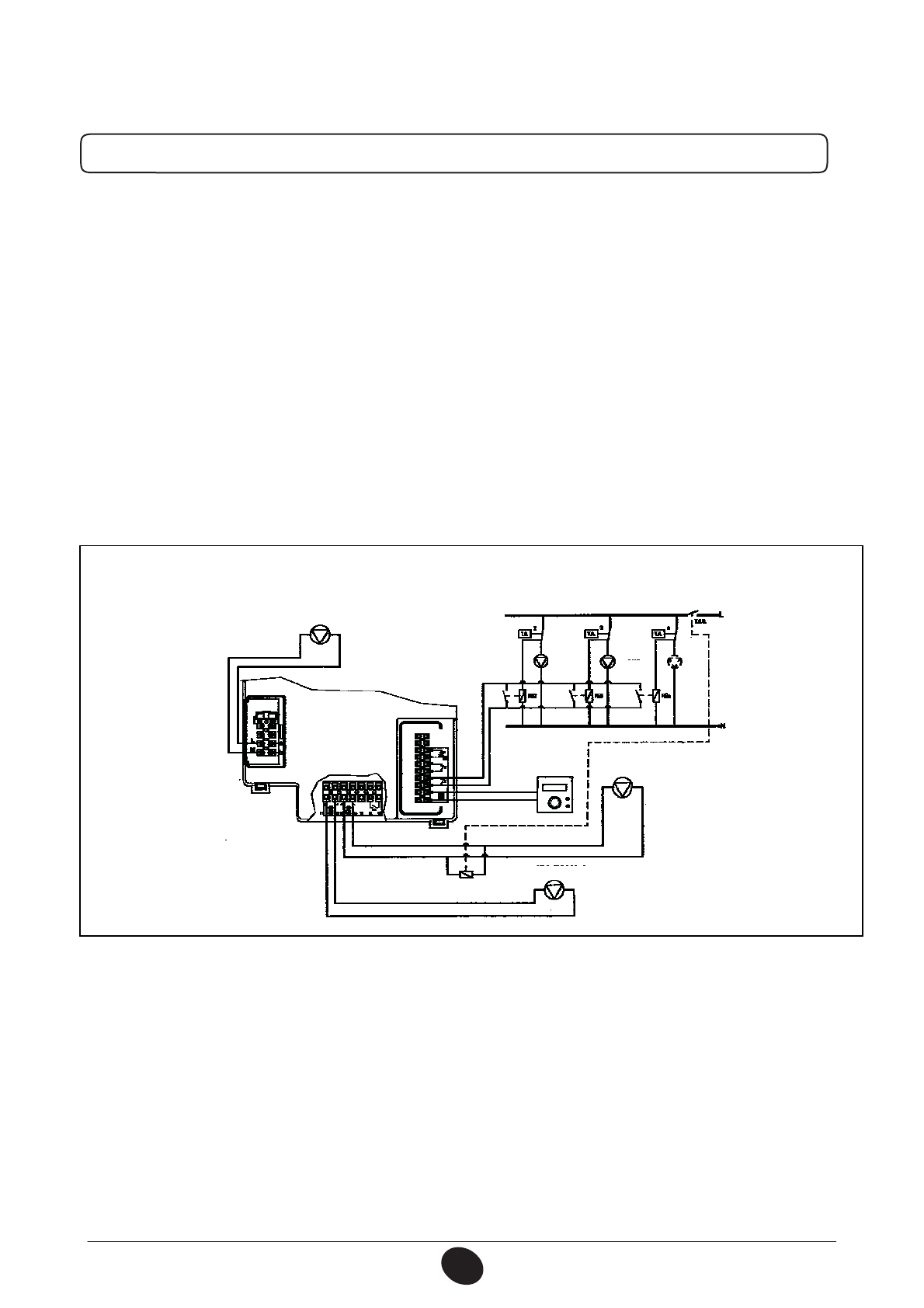
) c AGU2.500
(«
»).
AGU2.500
,
.
( 552- 553- 632)
(
.
14).
12.6
,
,
.
)
QAA73:
3– 4 «
»
2 (
.10),
.
.
)
QAA73
,
QAA73,
11 - 12
3 (
.10).
,
QAA73
ё
3 – 4 «
»
2 (
.10).,
.
,
QAA73,
.
.
:
552 = 50, 632 = 00001111
2
3
N
2
3
n
1
QAA73
,
10
) c AGU2.500
(«
»).
AGU2.500
,
.
( 552- 553- 632)
(
.
14).