Baxi POWER HT (45-65 кВт) - Инструкция по эксплуатации - Страница 15

Котел Baxi POWER HT (45-65 кВт) - инструкция пользователя по применению, эксплуатации и установке на русском языке. Мы надеемся, она поможет вам решить возникшие у вас вопросы при эксплуатации техники.

Если остались вопросы, задайте их в комментариях после инструкции.

"Загружаем инструкцию", означает, что нужно подождать пока файл загрузится и можно будет его читать онлайн. Некоторые инструкции очень большие и время их появления зависит от вашей скорости интернета.
Страница:
/ 34
Загружаем инструкцию
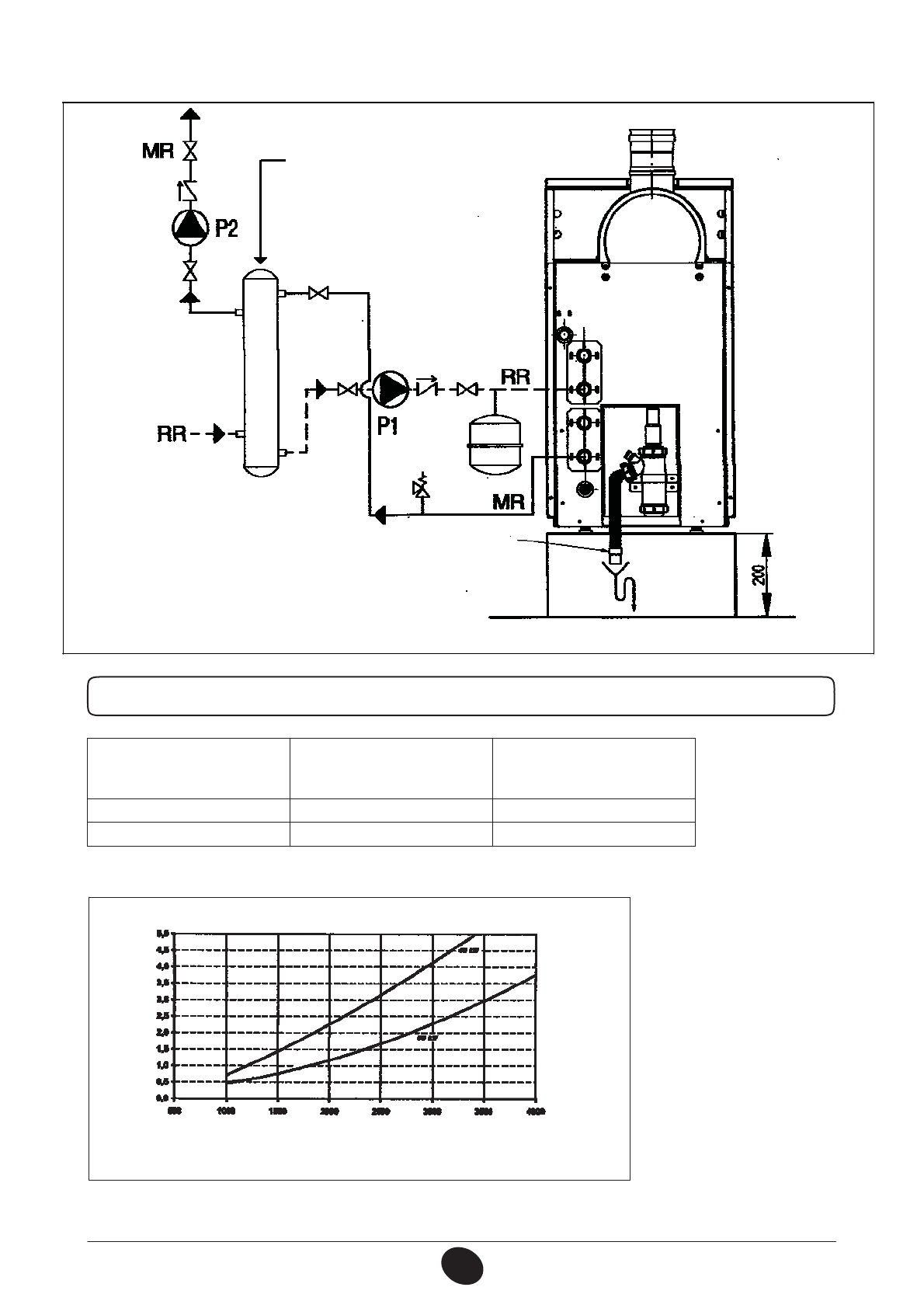
background image

 

 

 

 

910.000.1 -

79

 

C

T

_0805 /

 090

3_0

302

 

0712

_09

03

 

 

 

 

 (

 H

2

O

)

 

 

 

 

 

 

 

 

 

 

 

 

   

 

 
 
 
 
 
 
 
 
 
 
 
 
 
 
 
 
 

 

 

 

 

 

 

 

 6

 

 

 
 

10.1  

 

   

 

 

 

 Power HT

 

 

 

,  /

 

 

   

t=20°

 

 

/

 

1.450

 

1000

 

1935

 

1.650

 

1200

 

2795

 

 

 

 

 

 

 

 

 - 

 

 

 

 

 
 
 
 
 

 

         

 

 

 

 

POWER HT

 

    

    1.450 -  1.650.

 

 
 

 

 

 ( / )

 

 

 1

 

Полезные видео

Характеристики

Оцените статью
tehnopanorama.ru
Остались вопросы?

Не нашли свой ответ в руководстве или возникли другие проблемы? Задайте свой вопрос в форме ниже с подробным описанием вашей ситуации, чтобы другие люди и специалисты смогли дать на него ответ. Если вы знаете как решить проблему другого человека, пожалуйста, подскажите ему :)

Задать вопрос

Часто задаваемые вопросы
Как посмотреть инструкцию к Baxi POWER HT (45-65 кВт)?
Необходимо подождать полной загрузки инструкции в сером окне на данной странице
Руководство на русском языке?
Все наши руководства представлены на русском языке или схематично, поэтому вы без труда сможете разобраться с вашей моделью
Как скопировать текст из PDF?
Чтобы скопировать текст со страницы инструкции воспользуйтесь вкладкой "HTML"