Котел Baxi MAIN 24 Fi (i) - инструкция пользователя по применению, эксплуатации и установке на русском языке. Мы надеемся, она поможет вам решить возникшие у вас вопросы при эксплуатации техники.
Если остались вопросы, задайте их в комментариях после инструкции.
"Загружаем инструкцию", означает, что нужно подождать пока файл загрузится и можно будет его читать онлайн. Некоторые инструкции очень большие и время их появления зависит от вашей скорости интернета.

MAIN
Инструкции
для
технического
персонала
20
газовые
настенные
котлы
16.
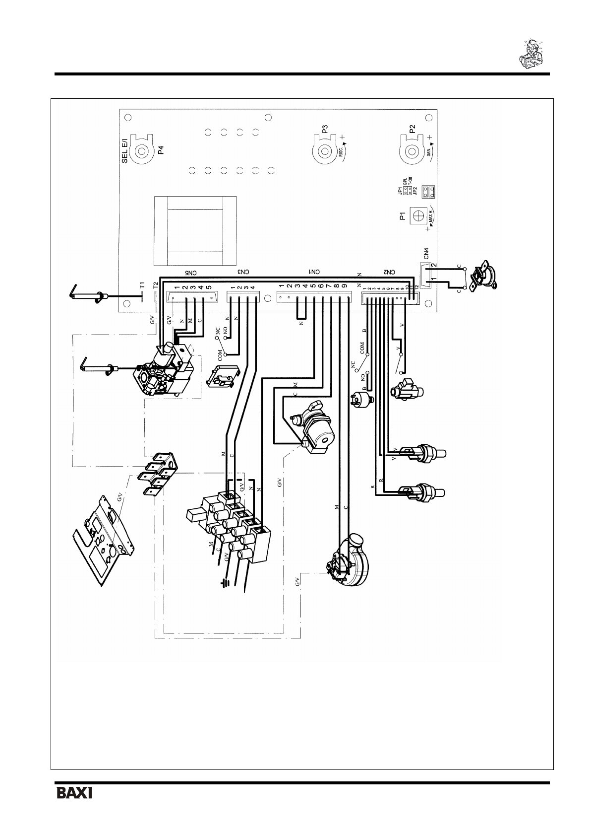
Электрическая
схема
MAIN 24 Fi
Пояс
не
ния
:
P1:
ре
гу
лирова
н
ие
максимальной
мощности
систе
м
ы
от
опле
ния
P2:
п
о
тен
цио
метр
ГВС
P3:
п
о
тен
цио
метр
сис
тем
ы
от
опле
ния
P4:
пе
ре
ключа
тель
ре
жимов
«
лето
» - «
зима
» - «
сб
рос
»
JP1:
пе
ре
ключа
тель
метан
/
сжиж
.
га
з
JP2:
пе
ре
ключа
тель
за
де
р
ж
ки
между
вк
лючениями
сист
емы
от
опле
ния
3
мин
/10
сек
Цве
т
провод
ов
:
С
=
гол
убой
М
=
корич
н
ев
ый
N=
черный
R=
кр
асн
ый
G/V=
желто
-
зелен
ы
й
В
=
бе
лый
BI=
син
и
й
пит
ающа
я
сет
ь
комнатный
те
рмос
та
т
22
0
В
пре
д
ох
ра
нит
ель
н
асо
с
клеммная
коробка
электр
о
п
итан
ия
клеммная
колодка
за
зе
мле
н
ия
эле
кт
род
-
да
тчик
п
л
амен
и
розжиг
д
атчик
тя
ги
-
пне
вморе
ле
вентилятор
те
рмос
та
т
пере
гре
в
а
ре
ле
дав
л
ен
ия
воды
д
атчик
прот
ока
воды
контура
ГВС
те
рморе
зис
тор
контура
от
оп
ле
ния
те
рморе
зис
тор
контура
ГВС